GM Service Manual Online
For 1990-2009 cars only

Removal Procedure

  1. Loosen the fuel filler cap in order to relieve the system pressure.

  2. Object Number: 827792  Size: SH
  3. Disconnect the evaporative emission (EVAP) canister purge valve vacuum hose (1) from the engine vent adapter (2).

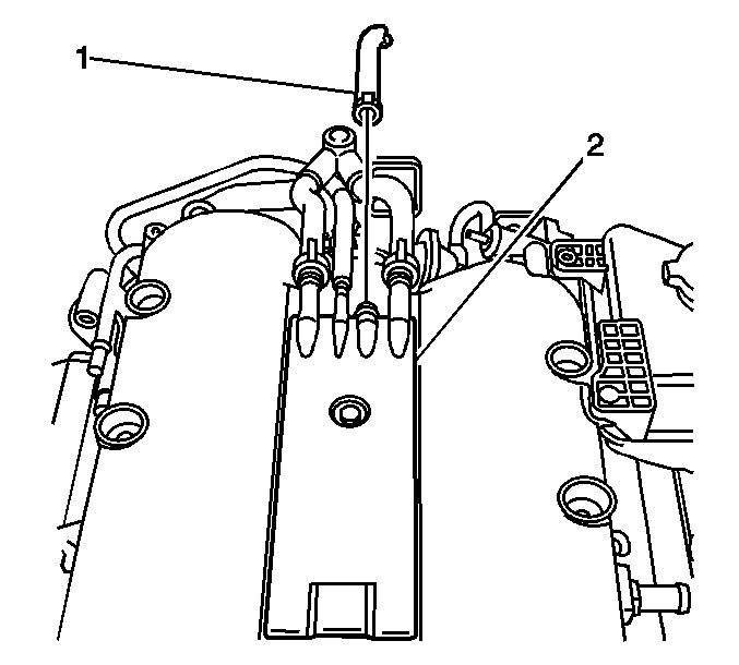
  4. Object Number: 785822  Size: SH
  5. Disconnect the electrical connector (2) from the coil pack (1).
  6. Disconnect the EVAP quick connect fitting. Refer to Plastic Collar Quick Connect Fitting Service .

  7. Object Number: 785788  Size: SH
  8. Remove the heated oxygen sensor connector (1) from the bracket (3).

  9. Object Number: 721455  Size: SH
  10. Disconnect the electrical connector (1) from the EVAP canister purge valve.

  11. Object Number: 821095  Size: SH
  12. Remove the bolt (6) securing the following to the crankcase vent housing (4):
  13. • The heated oxygen sensor connector bracket (5)
    • The EVAP canister purge valve bracket (1)

    Important: Note the vacuum source hose routing.

  14. Remove the EVAP canister purge valve assembly from the engine.

Installation Procedure

  1. Position the EVAP canister purge valve assembly behind the intake plenum as previously noted during disassembly.
  2. Notice: Refer to Fastener Notice in the Preface section.


    Object Number: 821095  Size: SH
  3. Install the bolt (6) securing the following to the crankcase vent housing (4):
  4. • The heated oxygen sensor connector bracket (5)
    • The EVAP canister purge valve bracket (1)

    Tighten
    Tighten the EVAP canister purge valve bracket bolt to 8 N·m (71 lb in).


    Object Number: 721455  Size: SH
  5. Connect the electrical connector (1) to the EVAP canister purge valve.

  6. Object Number: 785788  Size: SH
  7. Install the heated oxygen sensor connector (1) to the bracket (3).
  8. Connect the EVAP quick connect fitting. Refer to Plastic Collar Quick Connect Fitting Service .

  9. Object Number: 785822  Size: SH
  10. Connect the electrical connector (2) to the coil pack (1).

  11. Object Number: 827792  Size: SH
  12. Connect the EVAP canister purge valve vacuum hose (1) to the engine vent adapter (2).
  13. Tighten the fuel filler cap.