Removal Procedure
- Raise and support the vehicle. Refer to
Lifting and Jacking the Vehicle
.
- Remove the tire and wheel. Refer to
Tire and Wheel Removal and Installation
.
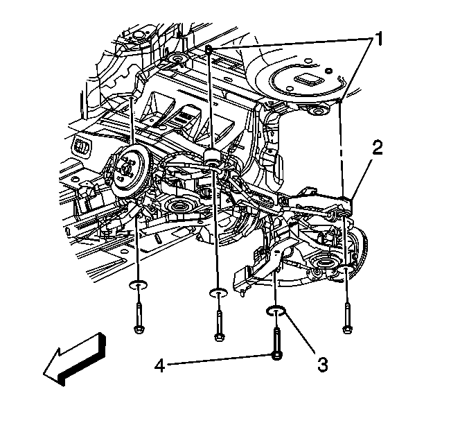
- Remove the brake pipe bracket nuts when removing the right coil spring.
- Remove the brake pipe bracket (2) from the mounting studs (1).
- Support the lower control arm using a suitable jack.
- Remove the lower shock mounting bolt.
- Lower the lower control arm and remove the support.
- Support the cradle with a suitable jack.
Important: Remove the cradle bolts from the side that the coil spring is being replaced on.
- Remove the side cradle to body mounting bolts (4) and washers (3).
Important: Lower the cradle far enough to remove the coil spring.
- Lower the side of the cradle.
- Remove the coil spring from the vehicle.
Installation Procedure
- Install the coil spring to the vehicle.
- Raise the cradle.
Notice: Refer to Fastener Notice in the Preface section.
- Install the frame to body mounting bolts (4) and washers (3).
Tighten
| • | Tighten the front bolts to 265 N·m (195 lb ft). |
| • | Tighten the rear bolts to 191 N·m (141 lb ft). |
- Remove the jack from the vehicle.
- Install a suitable jack under the lower control arm.
- Using the jack raise the lower control arm until the shock absorber aligns with the knuckle.
- Install the shock absorber lower retaining bolt.
Tighten
Tighten the bolt to 150 N·m (111 lb ft).
- Remove the jack from the vehicle.
- Install the brake pipe bracket (2) to the mounting studs (1).
- Install the brake pipe bracket retaining nuts.
Tighten
Tighten the nuts to 10 N·m (89 lb in).
- Install the tire and wheel. Refer to
Tire and Wheel Removal and Installation
.
- Lower the vehicle.