GM Service Manual Online
For 1990-2009 cars only
Figure 1:

G102, G105 G110, G303, G304 and G306


Object Number: 1326104  Size: FS
Master Electrical Component List
G100 and G107 - 2.6L/3.2L (LY9/LA3)
SIR Caution for Zoning
Figure 2:

G100 and G107 - 2.6L/3.2L (LY9/LA3)


Object Number: 1326107  Size: FS
Master Electrical Component List
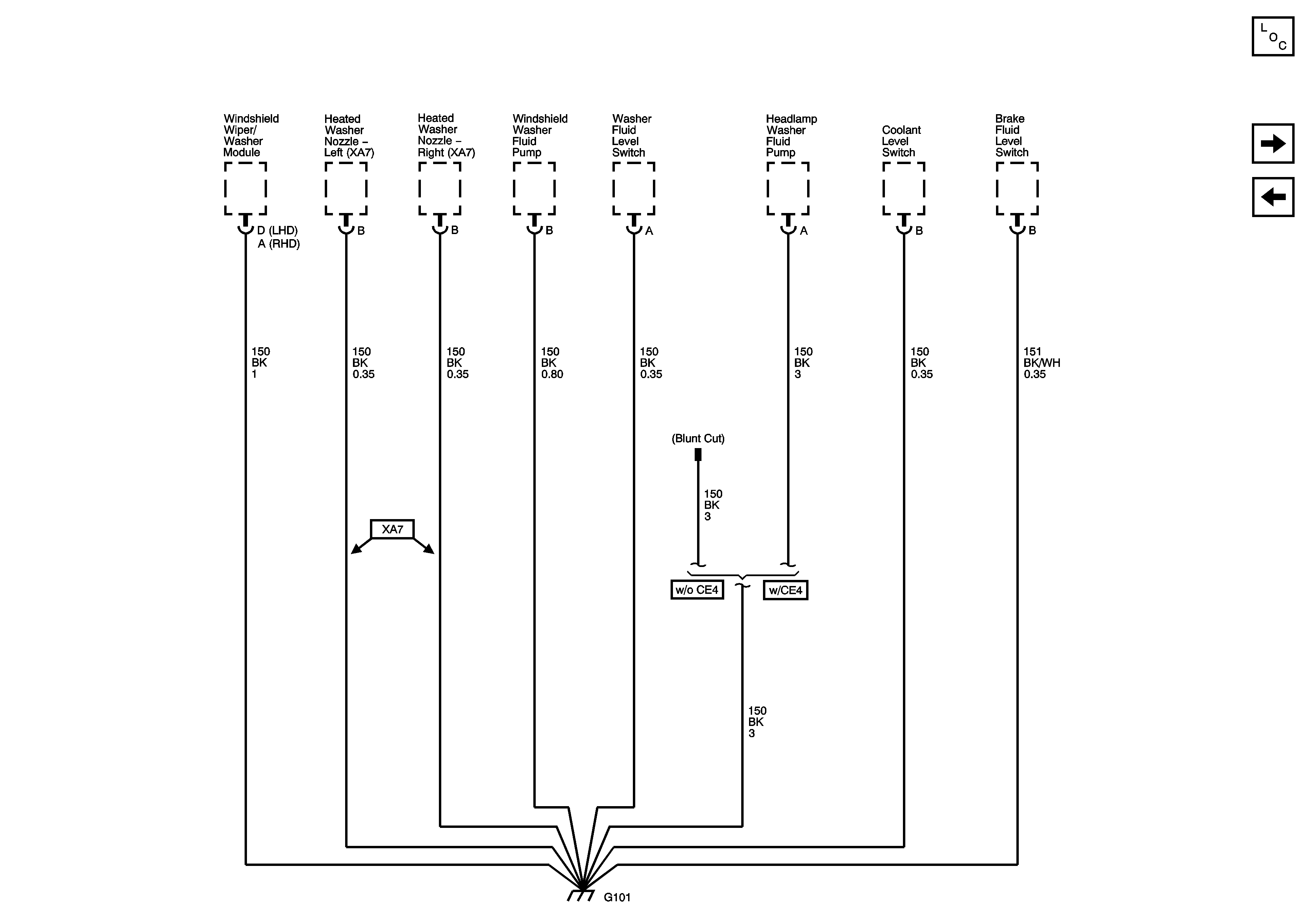
G101
G102, G105, G110, G303, G304 and G306
Figure 3:

G101


Object Number: 1326110  Size: FS
Master Electrical Component List
G104 - 1 of 2
G100 and G107 - 2.6L/3.2L (LY9/LA3)
Figure 4:

G104 (1 of 2)


Object Number: 1326111  Size: FS
Master Electrical Component List
G104 - 2 of 2
G101
Figure 5:

G104 (2 of 2)


Object Number: 1326113  Size: FS
Master Electrical Component List
G130, G131, G132 and G133 - 3.6L (LY7)
G104 - 1 of 2
Figure 6:

G130, G131, G132 and G133 - 3.6L (LY7)


Object Number: 1326115  Size: FS
Master Electrical Component List
G140, G141 and G142 - 5.7L (LS6)
G104 - 2 of 2
Figure 7:

G140, G141 and G142 - 5.7L (LS6)


Object Number: 1344460  Size: FS
Master Electrical Component List
G200
G130, G131, G132 and G133 - 3.6L (LY7)
Figure 8:

G200


Object Number: 1326117  Size: FS
Master Electrical Component List
G201
G140, G141 and G142 - 5.7L (LS6)
SIR Caution for Zoning
Figure 9:

G201


Object Number: 1326119  Size: FS
Master Electrical Component List
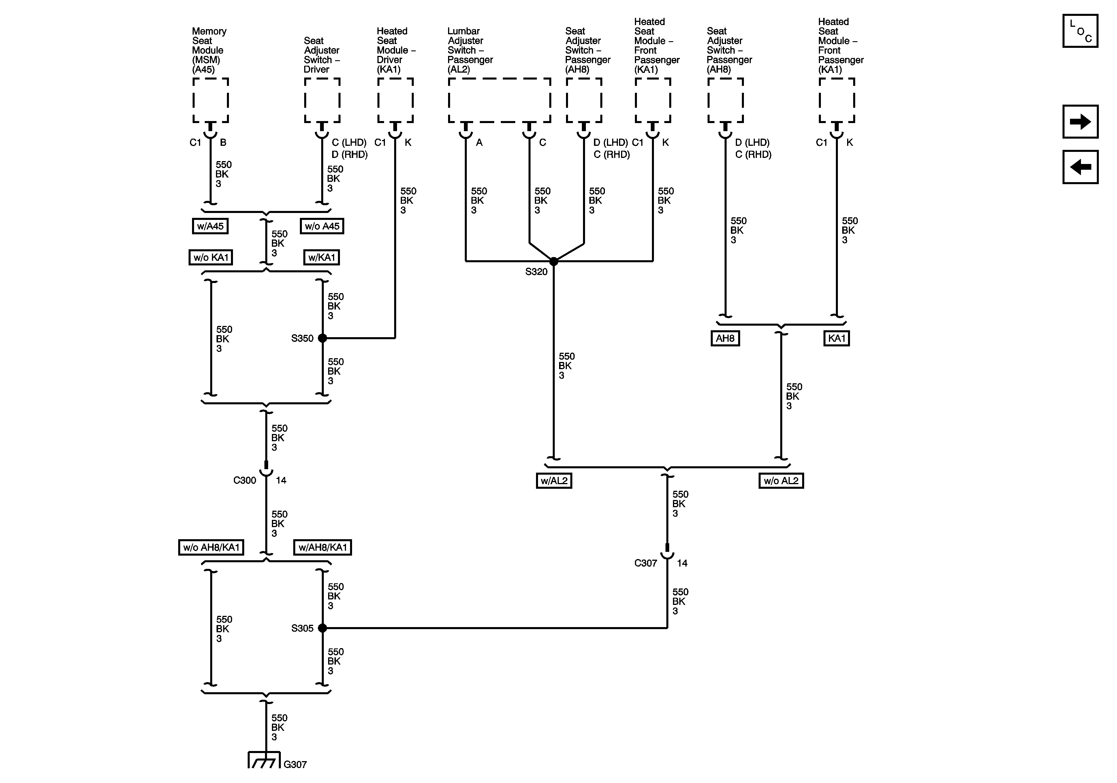
G307
G200
Figure 10:

G307


Object Number: 1326120  Size: FS
Master Electrical Component List
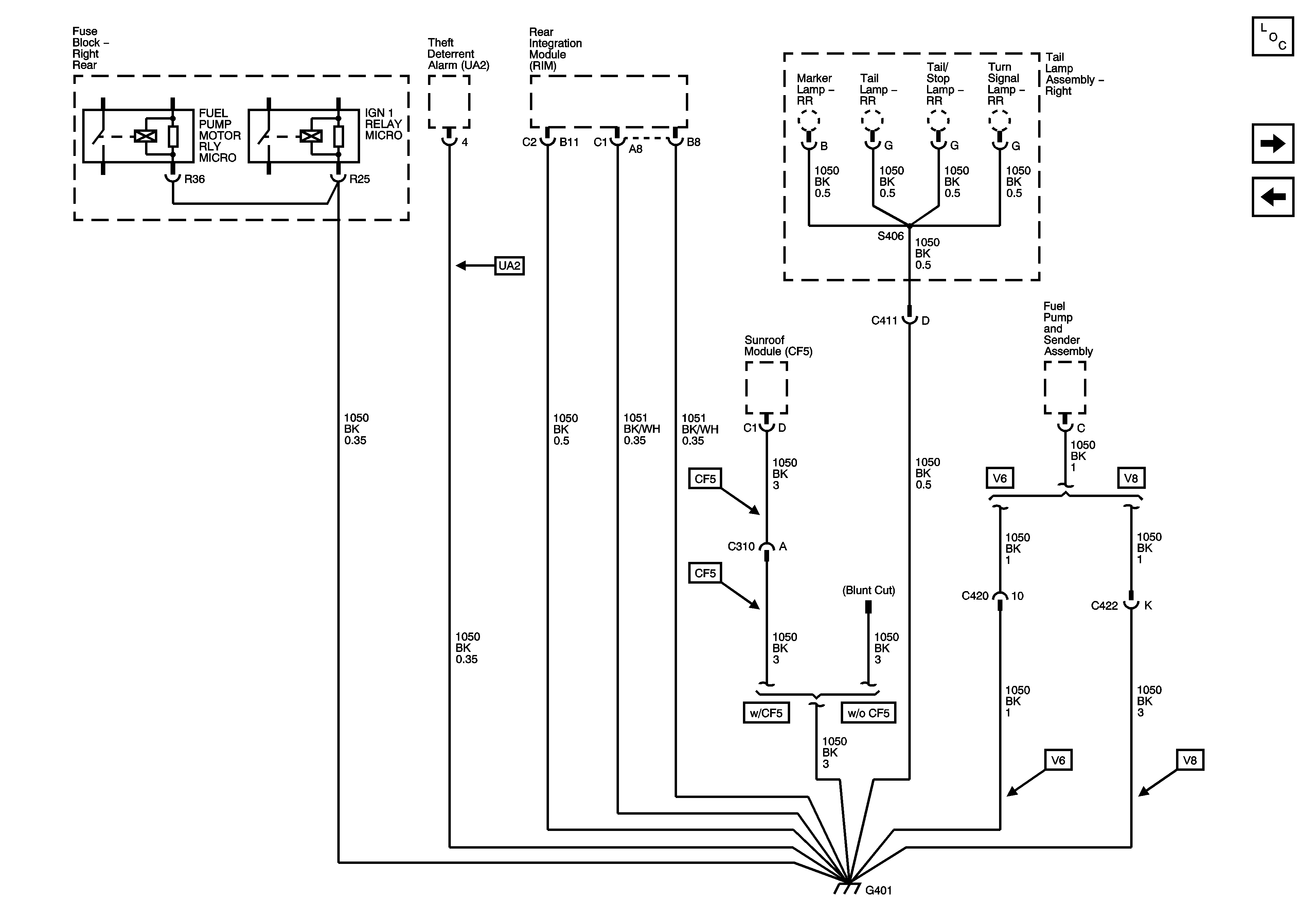
G401
G201
Figure 11:

G401


Object Number: 1326122  Size: FS
Master Electrical Component List
G104 - 1 of 2
G307
Figure 12:

G402 (1 of 2)


Object Number: 1326124  Size: FS
Master Electrical Component List
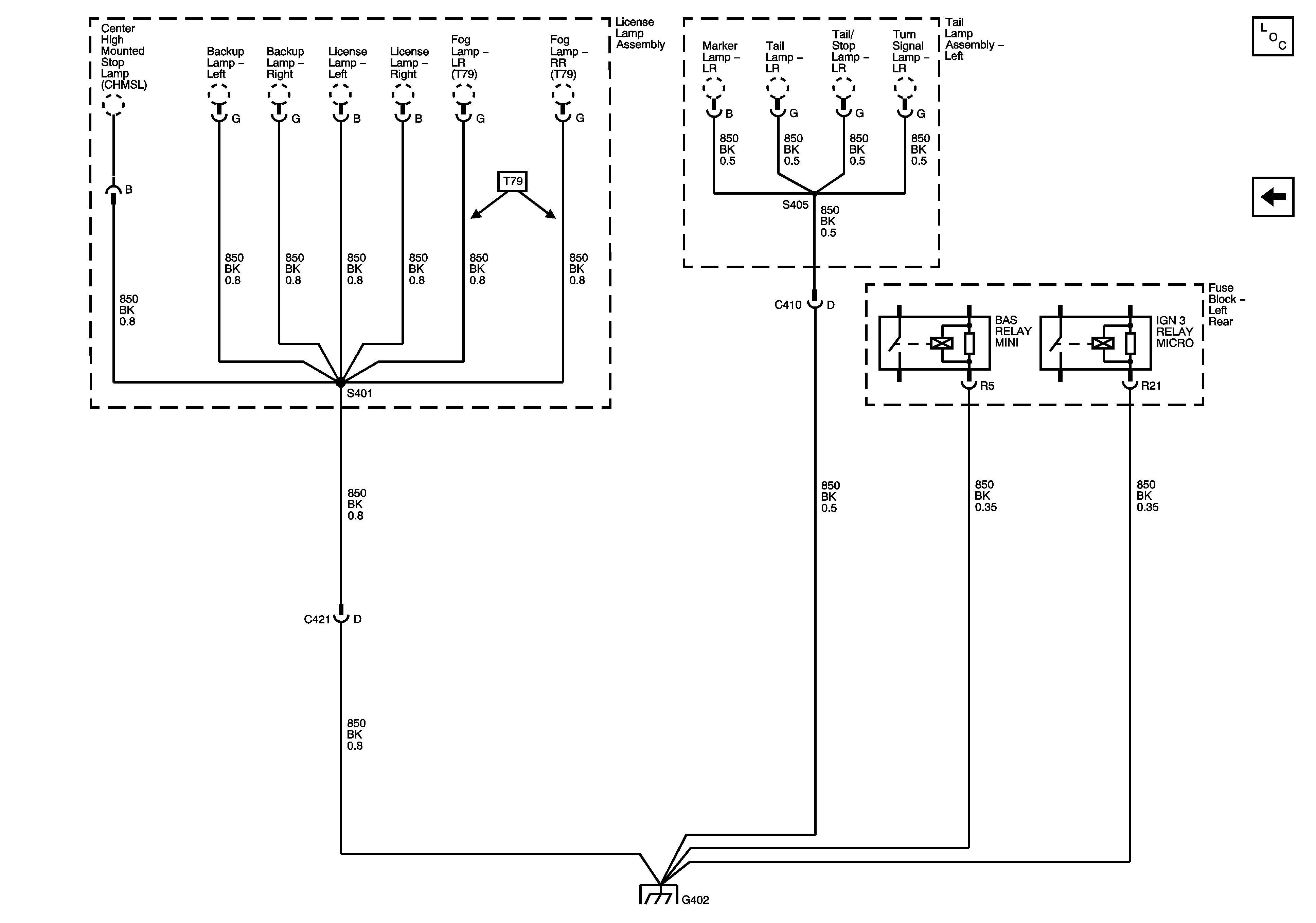
G402 - 2 of 2
G401
Figure 13:

G402 (2 of 2)


Object Number: 1326125  Size: FS
Master Electrical Component List
G104 - 1 of 2