GM Service Manual Online
For 1990-2009 cars only
Figure 1:

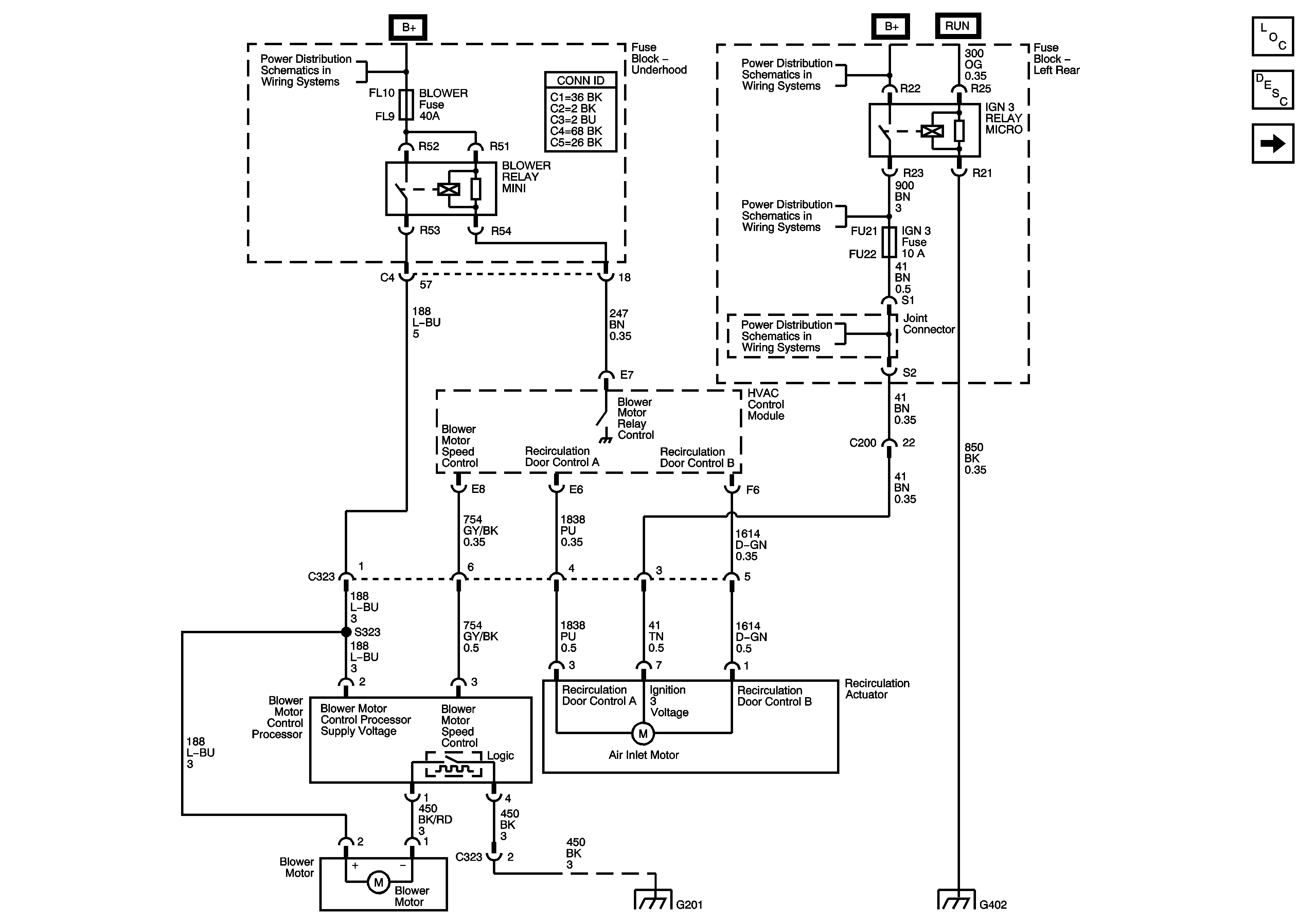
Blower Motor Controls


Object Number: 1316814  Size: FS
Master Electrical Component List
Air Delivery Description and Operation
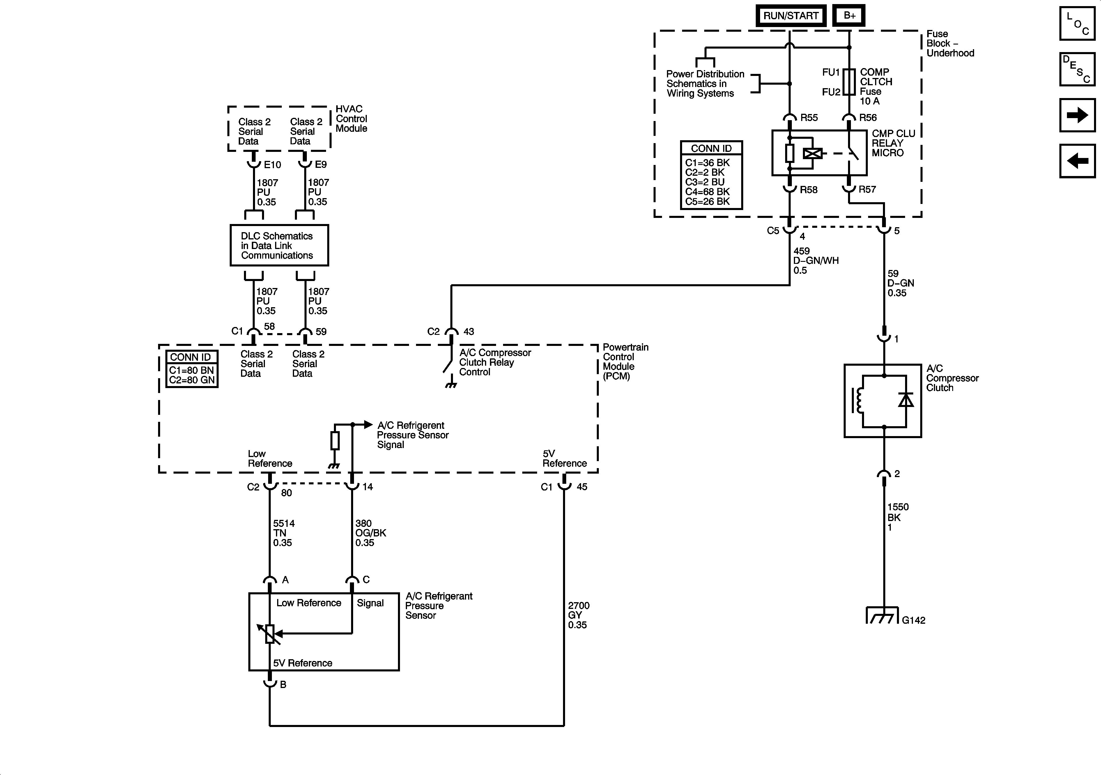
A/C Compressor Controls - 2.6L/3.2L (LY9/LA3)
Underhood Fuse Block B+ Bus - 1 of 2
Left Rear Fuse Block B+ Bus
Left Rear Fuse Block IGN 3 Relay, L FRT HTD SEAT MOD, MEM/ADAPT SEAT, CCP, and HDLP LEVELING and IGN 3 Fuses
Left Rear Fuse Block IGN 3 Relay, L FRT HTD SEAT MOD, MEM/ADAPT SEAT, CCP, and HDLP LEVELING and IGN 3 Fuses
G201
G402 - 2 of 2
Figure 2:

A/C Compressor Controls - 2.6L/3.2L (LY9/LA3)


Object Number: 1316816  Size: FS
Master Electrical Component List
Air Temperature Description and Operation
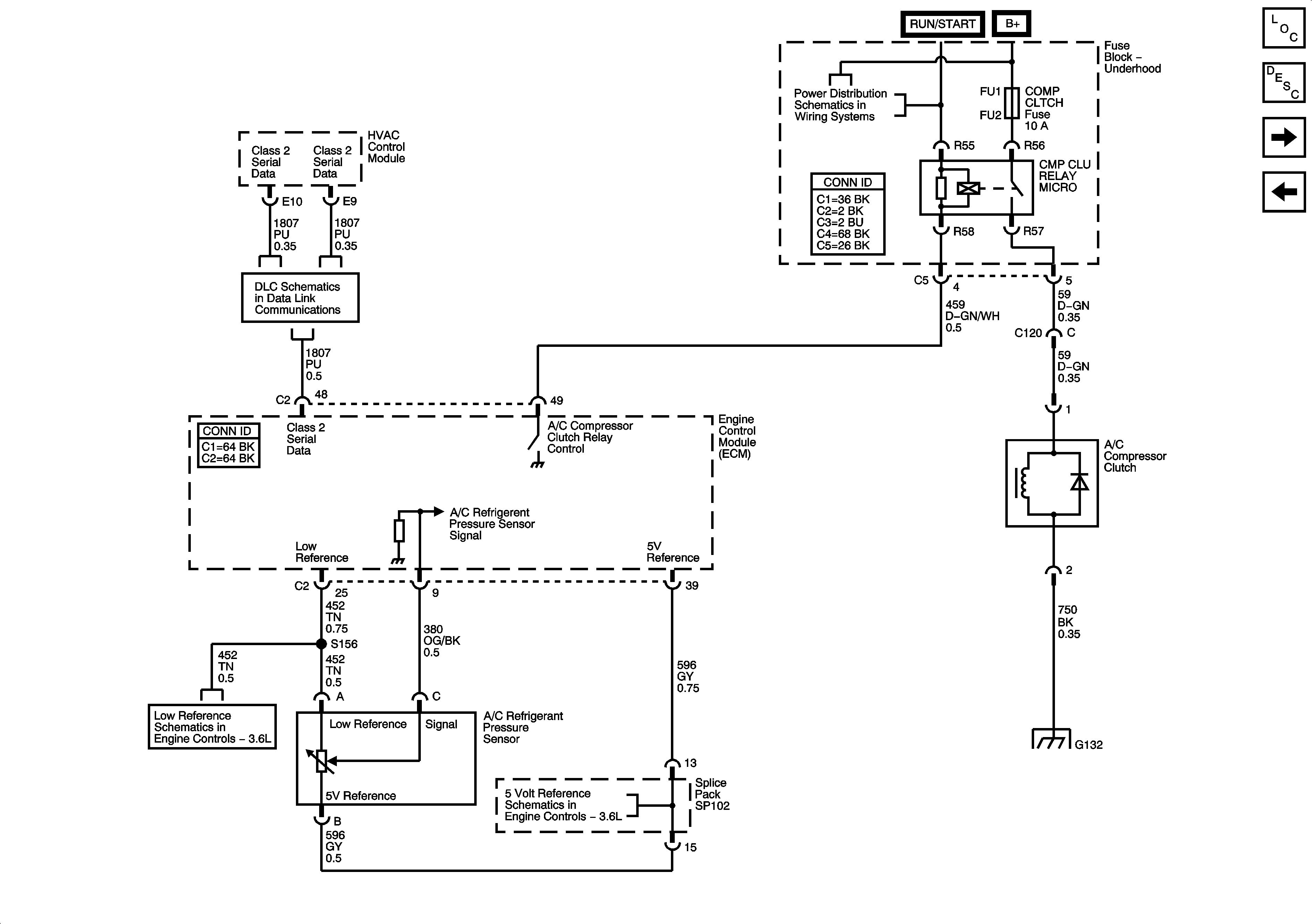
A/C Compressor Controls - 3.6L (LY7)
Blower Motor Controls
Class 2 Serial Data Bus - LHD - 1 of 2
Underhood Fuse Block B+ Bus - 1 of 2
Engine Data Sensors - 5 Volt and Low Reference Buses
G100 and G107 - 2.6L/3.2L (LY9/LA3)
Figure 3:

A/C Compressor Controls - 3.6L (LY7)


Object Number: 1316818  Size: FS
Master Electrical Component List
Air Temperature Description and Operation
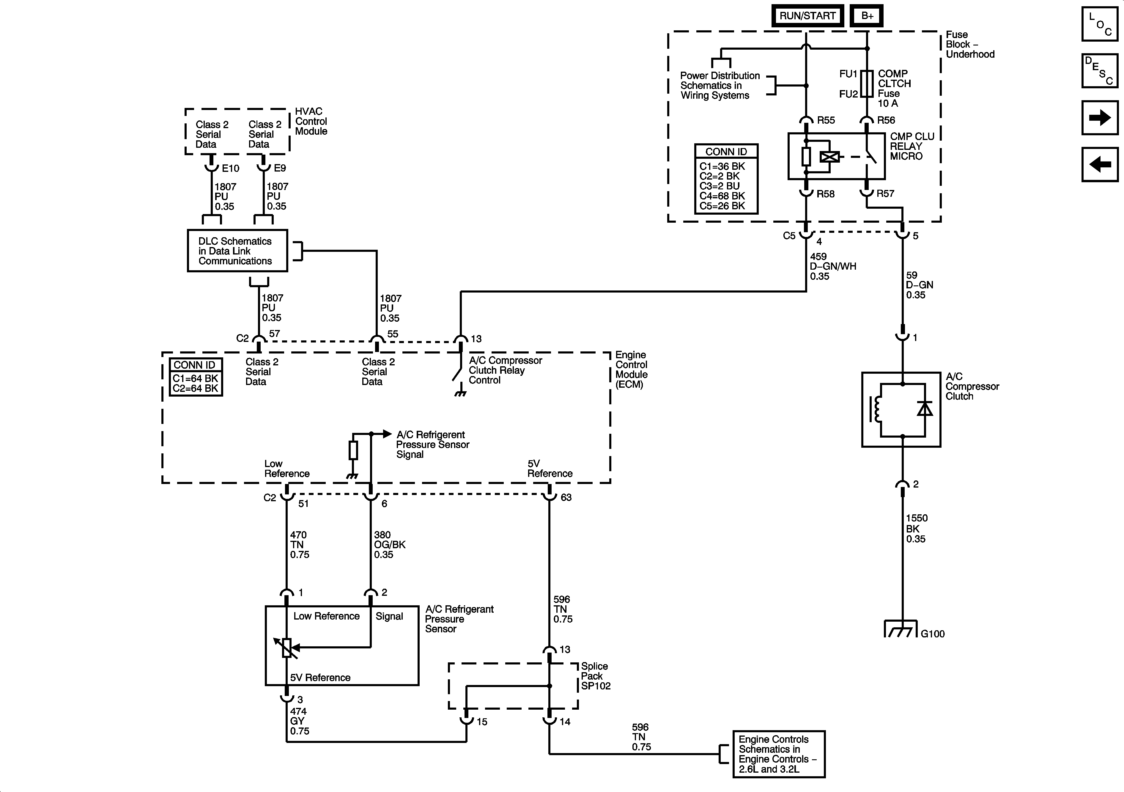
A/C Compressor Controls - 5.7L (LS6)
A/C Compressor Controls - 2.6L/3.2L (LY9/LA3)
Underhood Fuse Block B+ Bus - 1 of 2
Class 2 Serial Data Bus - LHD - 1 of 2
Engine Data Sensors - Low Reference
Engine Data Sensors - 5-Volt Reference
G130, G131, G132 and G133 - 3.6L (LY7)
Figure 4:

A/C Compressor Controls - 5.7L (LS6)


Object Number: 1345176  Size: FS
Master Electrical Component List
Air Temperature Description and Operation
Air Delivery/Temperature Control Actuators - LHD
A/C Compressor Controls - 3.6L (LY7)
Underhood Fuse Block B+ Bus - 1 of 2
Class 2 Serial Data Bus - LHD - 1 of 2
G140, G141 and G142 - 5.7L (LS6)
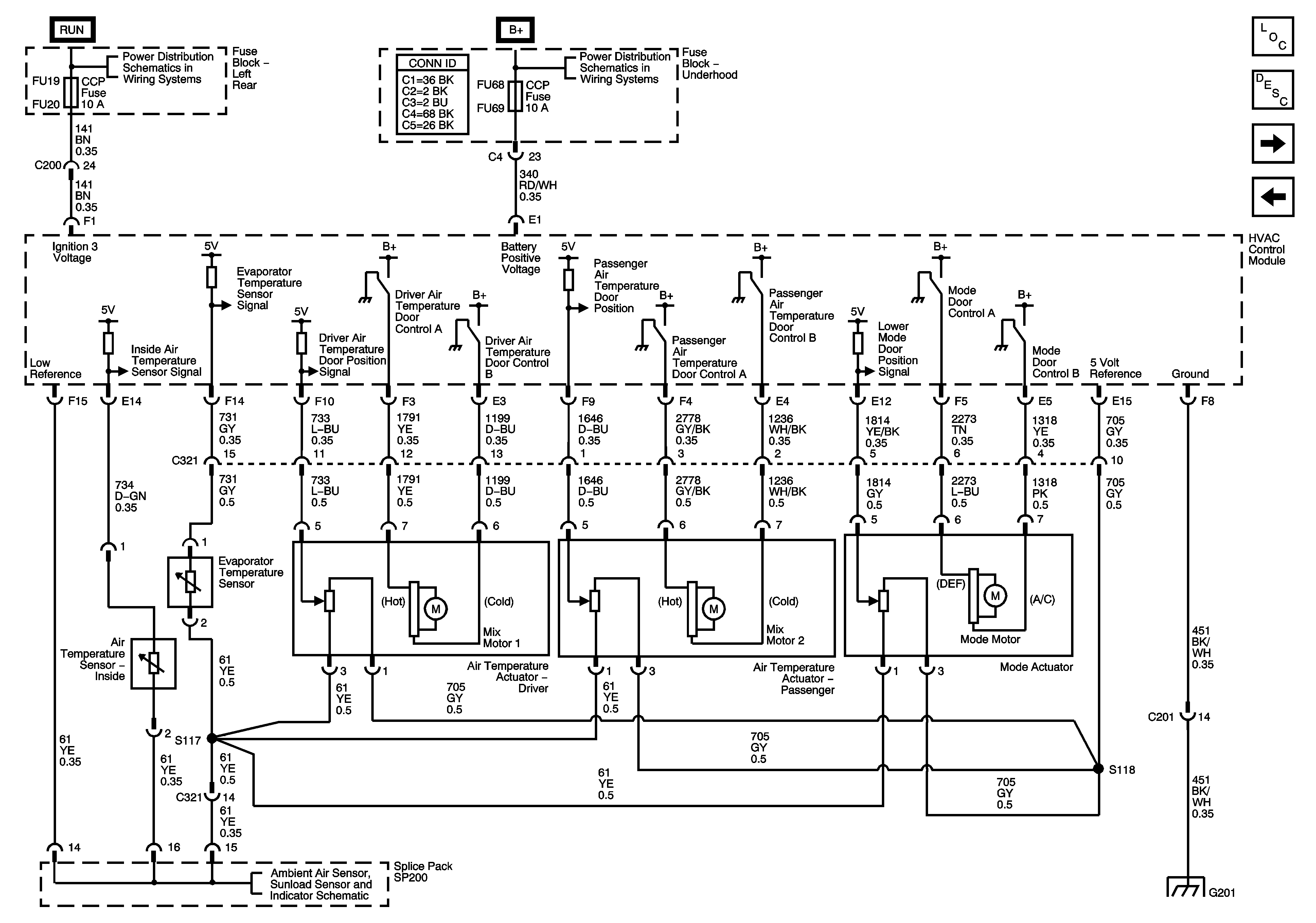
Figure 5:

Air Delivery and Temperature Control Actuators - LHD


Object Number: 1316822  Size: FS
Master Electrical Component List
Air Temperature Description and Operation
Air Delivery/Temperature Control Actuators - RHD
A/C Compressor Controls - 5.7L (LS6)
Left Rear Fuse Block IGN 3 Relay, L FRT HTD SEAT MOD, MEM/ADAPT SEAT, CCP, and HDLP LEVELING and IGN 3 Fuses
Underhood Fuse Block DIM/ALDL, VOLT CHECK, FLASHER, CCP, ECM/TCM and ABS Fuses
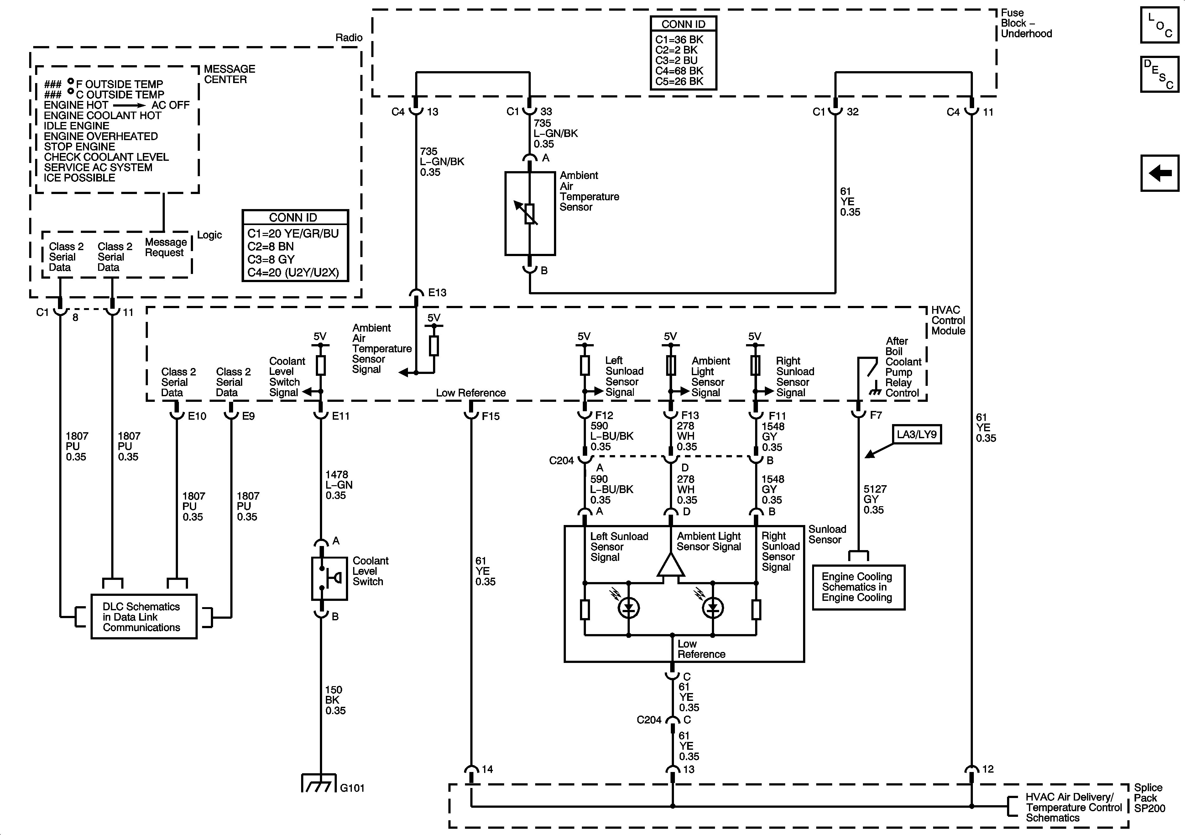
Ambient Air Temperature Sensor, Sunload Sensor, Coolant Level Switch and DIC
G201
Figure 6:

Air Delivery and Temperature Control Actuators - RHD


Object Number: 1316824  Size: FS
Master Electrical Component List
Air Temperature Description and Operation
Ambient Air Temperature Sensor, Sunload Sensor, Coolant Level Switch and DIC
Air Delivery/Temperature Control Actuators - LHD
Left Rear Fuse Block IGN 3 Relay, L FRT HTD SEAT MOD, MEM/ADAPT SEAT, CCP, and HDLP LEVELING and IGN 3 Fuses
Underhood Fuse Block DIM/ALDL, VOLT CHECK, FLASHER, CCP, ECM/TCM and ABS Fuses
Ambient Air Temperature Sensor, Sunload Sensor, Coolant Level Switch and DIC
G201
Figure 7:

Ambient AirTemperature Sensor, Sunload Sensor, Coolant Level Switch and DIC


Object Number: 1316826  Size: FS
Master Electrical Component List
Air Temperature Description and Operation
Air Delivery/Temperature Control Actuators - RHD
Class 2 Serial Data Bus - LHD - 2 of 2
G101
Coolant By-Pass Solenoid, Afterboil Coolant Pump, Coolant Level Switch and Indicators
Air Delivery/Temperature Control Actuators - LHD