GM Service Manual Online
For 1990-2009 cars only
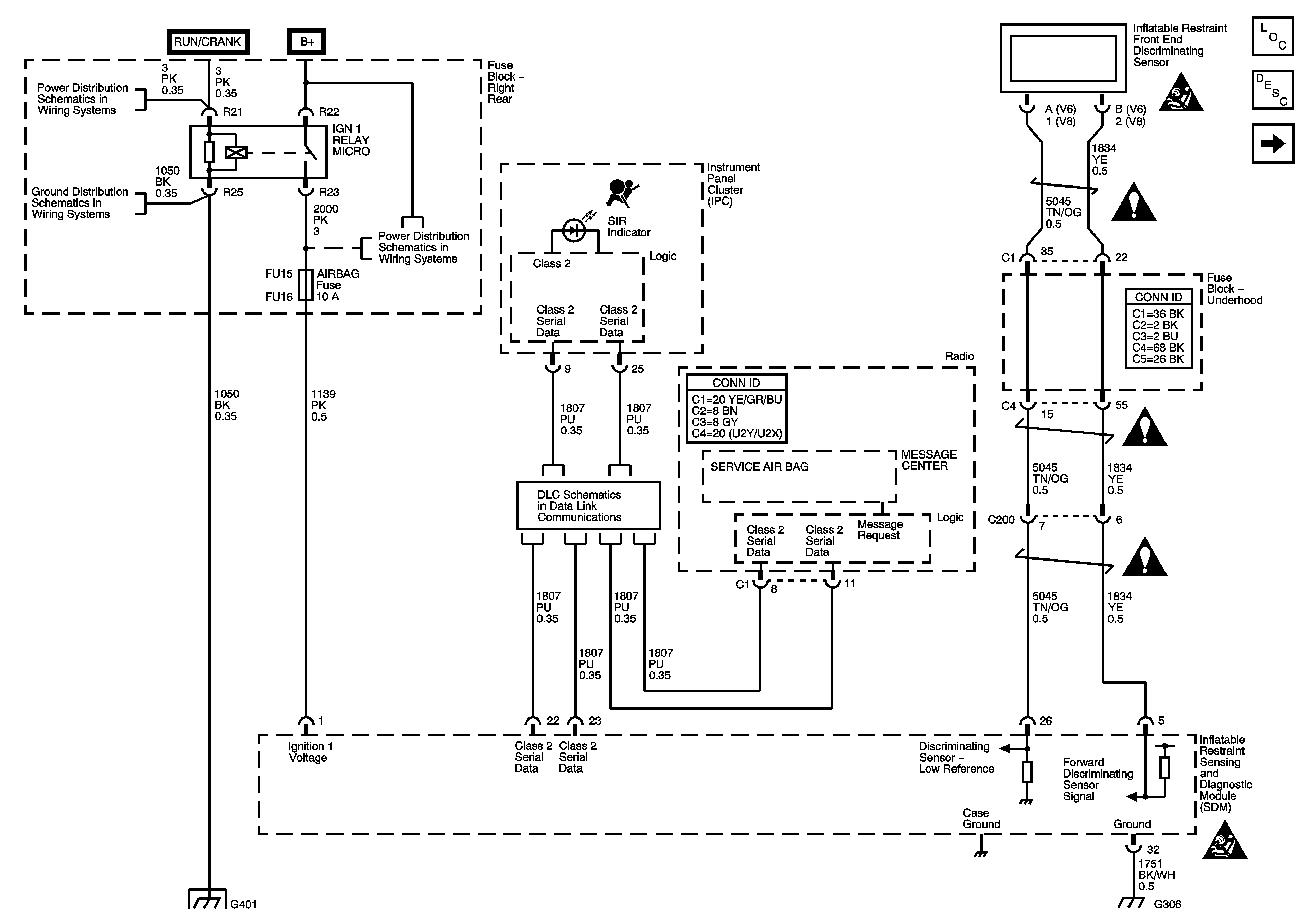
Figure 1:

Power, Ground, Indicator, DIC and Front End Discriminating Sensor


Object Number: 1317327  Size: FS
Master Electrical Component List
SIR System Description and Operation
Driver SIR Modules and Sensor
Ignition Switch - 2 of 2
G401
Right Rear Fuse Block B+ Bus
Class 2 Serial Data Bus - LHD - 2 of 2
G401
G102, G105, G110, G303, G304 and G306
SIR Caution for Zoning
SIR Schematic Icons
SIR Schematic Icons
SIR Schematic Icons
SIR Caution for Zoning
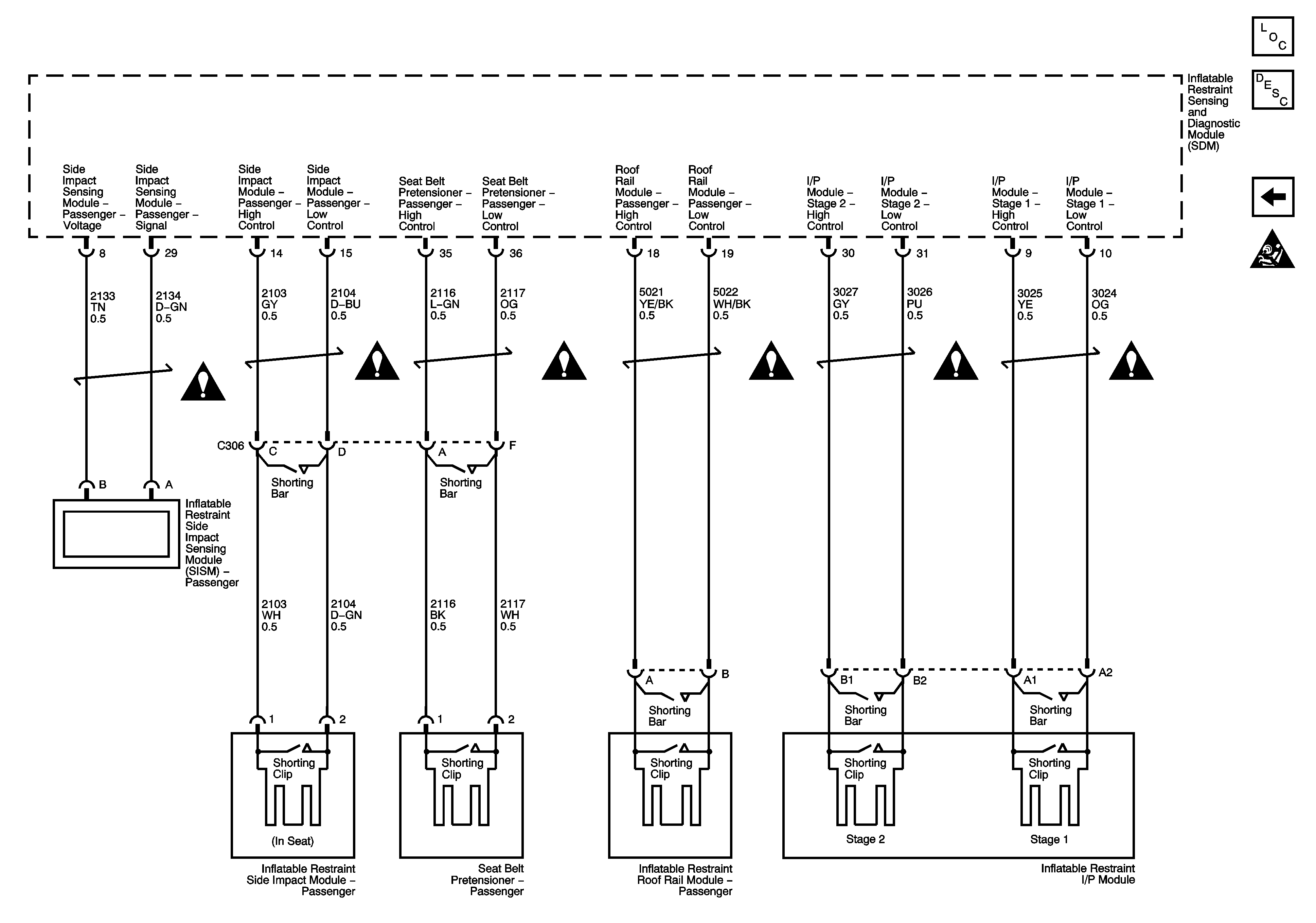
Figure 2:

Driver SIR Modules and Sensor


Object Number: 1317461  Size: FS
Master Electrical Component List
SIR System Description and Operation
Passenger SIR Modules and Sensor
Power, Ground, Indicator, DIC and Front End Discriminating Sensor
SIR Caution for Zoning
SIR Schematic Icons
SIR Schematic Icons
SIR Schematic Icons
SIR Schematic Icons
SIR Schematic Icons
SIR Schematic Icons
Driver Seat Belt Switch
SIR Caution for Zoning
Figure 3:

Passenger SIR Modules and Sensor


Object Number: 1317462  Size: FS
Master Electrical Component List
SIR System Description and Operation
Driver SIR Modules and Sensor
SIR Caution for Zoning
SIR Schematic Icons
SIR Schematic Icons
SIR Schematic Icons
SIR Schematic Icons
SIR Schematic Icons
SIR Schematic Icons