GM Service Manual Online
For 1990-2009 cars only
Makes
🢒
Cadillac
🢒
2004
🢒
CTS
🢒
Brakes
🢒
Hydraulic Brakes
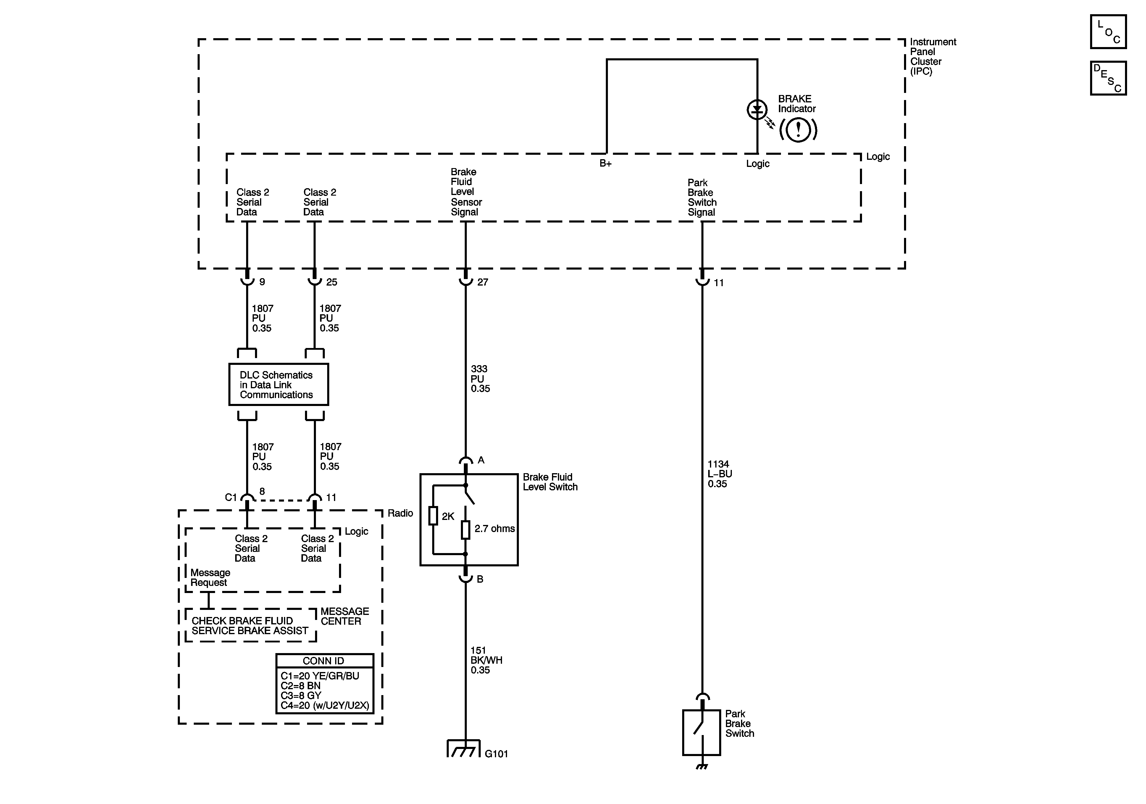
🢒 Brake Warning System Schematics
Master Electrical Component List
Brake Warning System Description and Operation
Class 2 Serial Data Bus - LHD - 1 of 2
G101