GM Service Manual Online
For 1990-2009 cars only

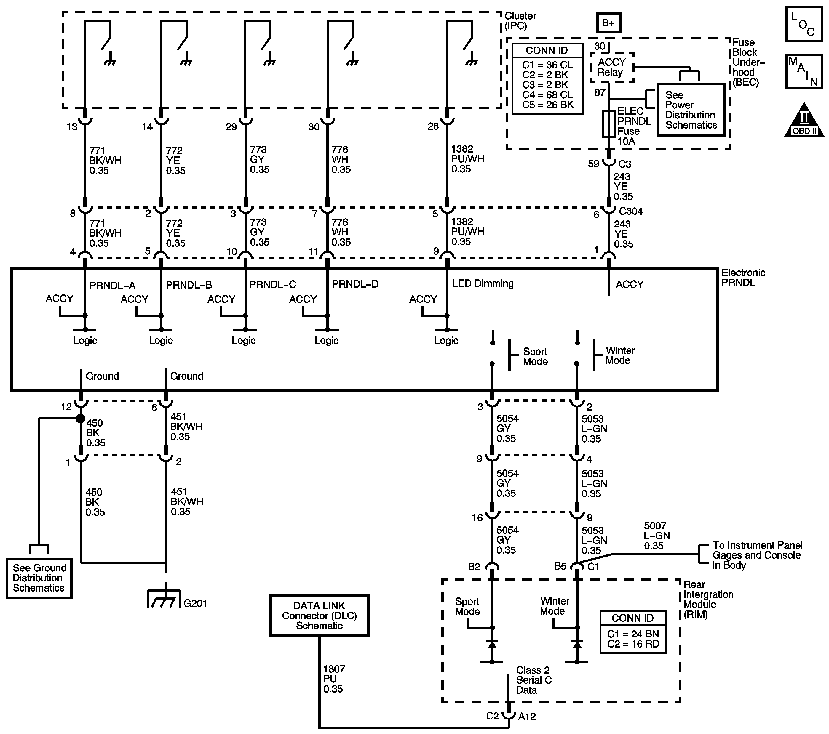
Object Number: 1285491  Size: LF
Master Electrical Component List
Automatic Transmission Controls Schematics
OBD II Symbol Description Notice

Circuit Description

The winter mode allows the driver selection of a third gear start in order to reduce wheel spin under low traction conditions. Winter mode programming in the transmission control module (TCM) will command the 1-2 shift solenoid On and the 2-3 and 4-5 solenoids Off, enabling third gear for greater traction. The winter mode switch is a console mounted momentary contact switch located on the electronic PRNDL assembly. Accessory voltage is supplied to the electronic PRNDL assembly through the ELEC PRNDL fuse. When the winter mode switch is depressed, it momentarily contacts the switch signal circuit. The rear integration module (RIM) recognizes the voltage on the circuit and sends a class 2 serial data message to the dash integration module (DIM). The DIM sends a class 2 message to the engine control module (ECM). The ECM sends a request to the transmission control module (TCM) through the controller area network (CAN) to enable the winter mode program.

The TCM evaluates the request, and if operating conditions are correct for enabling the program, the TCM sends a confirmation message to the ECM. The ECM then requests the instrument panel cluster (IPC) to illuminate the winter mode indicator.

The winter mode feature remains enabled until the mode switch is pressed again, the transmission is placed in a lower gear, and certain vehicle speed, transmission fluid temperature, or accelerator pedal positions are exceeded. Once disabled, the TCM will resume a normal shift pattern.

Diagnostic Aids

    • Test the instrument panel cluster (IPC) for proper operation and lamp illumination. Refer to Diagnostic System Check - Instrument Cluster in Instrument Panel, Gages, and Console.
    • Test the rear integration module (RIM) for proper winter mode switch input and output operation. Refer to Body Control System Description and Operation in Body Control System.

Test Description

The numbers below refer to the step numbers on the diagnostic table.

  1. Diagnose all communication and body DTCs first. The DTC may be the source of the symptom.

  2. No PRNDL display could be open in the electronic PRNDL assembly accessory circuit.

  3. This step tests the winter mode circuit by bypassing the electronic PRNDL assembly.

Step

Action

Value(s)

Yes

No

1

  1. Install a scan tool.
  2. Turn ON the ignition, with the engine OFF.
  3. Select DTC Info.

Does the scan tool display DTCs that start with "U" or "B"?

--

Go to Diagnostic Trouble Code (DTC) List in Body Control System

Go to Step 2

2

  1. Place the gear selector in Park.
  2. Turn the ignition to the RUN position with the engine OFF.
  3. While observing the winter mode indicator on the IPC, press the winter mode switch several times.

Does the winter mode indicator illuminate On and Off with switch operation?

--

Go to Intermittent Conditions in Engine Controls - 2.6L and 3.2L or Intermittent Conditions in Engine Controls - 3.6L (LY7)

Go to Step 3

3

Is the winter mode indicator always On?

--

Go to Step 9

Go to Step 4

4

Move the gear selector from Park through all gear positions while observing the electronic PRNDL display.

Does the PRNDL display all gear positions?

--

Go to Step 6

Go to Step 5

5

Test the accessory voltage circuit for an open. Refer to Testing for Continuity in Wiring Systems.

Did you find and correct the condition?

--

Go to Step 12

Go to Step 7

6

  1. Disconnect the electronic PRNDL assembly.
  2. Install a fused jumper between terminal 2 and 6 of the electronic PRNDL connector.
  3. Observe the winter mode indicator on the IPC.

Is the winter mode indicator illuminated?

--

Go to Step 11

Go to Step 7

7

Test the electronic PRNDL ground circuits for an open. Refer to Testing for Continuity in Wiring Systems.

Did you find and correct the condition?

--

Go to Step 12

Go to Diagnostic Starting Point - Body Control System in Body Control System

8

Test the winter mode switch signal circuit for an open. Refer to Testing for Continuity in Wiring Systems.

Did you find and correct the condition?

--

Go to Step 12

Go to Step 9

9

Test the winter mode switch signal circuit for a short to ground. Refer to Testing for Short to Ground in Wiring Systems.

Did you find and correct the condition?

--

Go to Step 12

Go to Step 10

10

While observing the winter mode indicator on the IPC, disconnect the electronic PRNDL assembly from the console wiring harness connector.

Is the IPC winter mode indicator no longer illuminated?

--

Go to Step 11

Go to Diagnostic Starting Point - Body Control System in Body Control System

11

Replace the electronic PRNDL assembly. Refer to Front Floor Console Replacement in Instrument Panel, Gages, and Console.

Is the action complete?

--

Go to Step 12

--

12

After repairs, test the winter mode under the following conditions:

    • With the ignition in the RUN position, the IPC winter mode indicator does not illuminate during the bulb test.
    • Engine running:
       - The IPC winter mode indicator illuminates when the winter mode button is pressed.
       - The IPC winter mode indicator does not illuminate when the winter mode button is pressed again.
    • When the vehicle is operating in drive, there is noticeable torque reduction upon vehicle start-off, third gear.
    • Winter mode is disabled when the following conditions occur:
       - The transmission is placed in a lower gear.
       - Accelerator pedal position is above 30 percent while vehicle speed is greater than 40 km/h (25 mph).
       - Accelerator pedal position is above 50 percent while vehicle speed is greater than 63 km/h (39 mph).
       - Accelerator pedal position is 100 percent while vehicle speed is greater than 110 km/h (69 mph).
       - The shift pattern returns to normal after the ignition is cycled.

Does the winter mode operate as described?

--

System OK

Go to Step 1