GM Service Manual Online
For 1990-2009 cars only
Figure 1:

Steering Wheel Components


Object Number: 1374799  Size: LF
(1)Inflatable Restraint Steering Wheel Module
(2)Steering Wheel Controls - Left (V6 shown, V8 Similar)
(3)Steering Wheel Controls - Right (V6 shown, V8 Similar)
(4)Steering Wheel Controls - Left Connector
(5)C208
(6)Steering Wheel
(7)Steering Column
(8)Inflatable Restraint Steering Wheel Module Coil
(9)Inflatable Restraint Steering Wheel Module Connector C1
(10)Inflatable Restraint Steering Wheel Module Connector C2
(11)C208
(12)Steering Wheel Controls - Right Connector
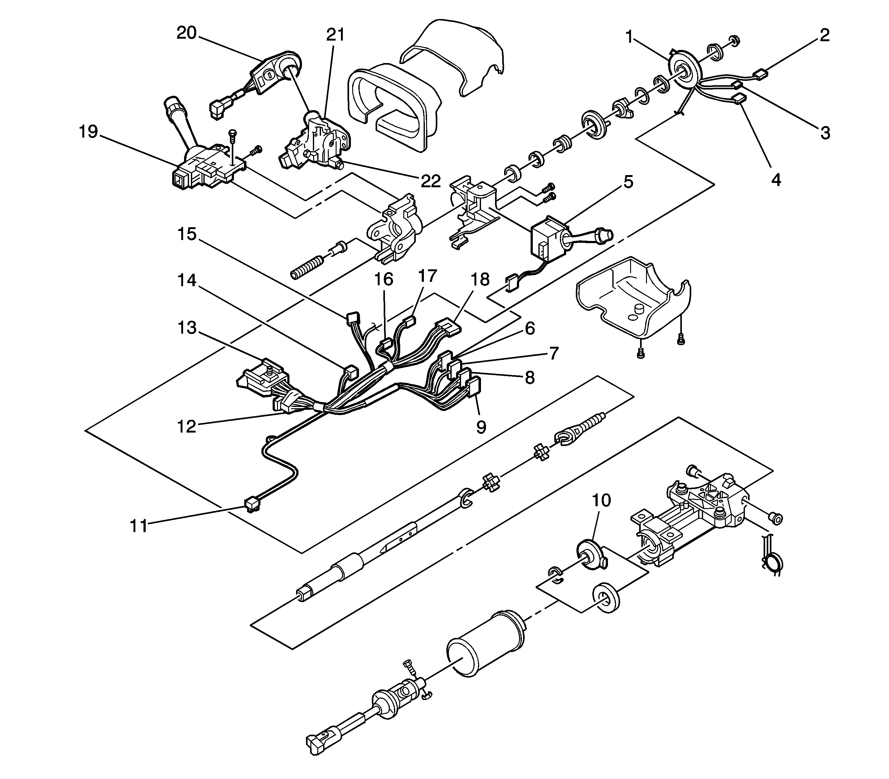
Figure 2:

Steering Column Components


Object Number: 1373991  Size: LF
(1)Inflatable Restraint Steering Wheel Module Coil
(2)C208
(3)Inflatable Restraint Steering Wheel Module Connector C1
(4)Inflatable Restraint Steering Wheel Module Connector C2
(5)Turn Signal/Multifunction Switch
(6)Turn Signal/Multifunction Switch Connector C4 (LY9/LA3/LY7)
(7)Turn Signal/Multifunction Switch Connector C3
(8)Turn Signal/Multifunction Switch Connector C2
(9)Turn Signal/Multifunction Switch Connector C1
(10)Steering Wheel Position Sensor
(11)C203
(12)Fuse Block - Steering Column
(13)C202
(14)Theft Deterrent Control Module Connector
(15)Ignition Lock Cylinder Control Actuator Connector
(16)Ignition Switch Connector
(17)Ignition Key Alarm Switch (Part of steering column harness)
(18)Windshield Wiper/Washer Switch Connector
(19)Windshield Wiper/Washer Switch
(20)Theft Deterrent Control Module
(21)Ignition Switch (Hidden) and Ignition Lock Cylinder Case
(22)Ignition Lock Cylinder Control Actuator