Removal Procedure
Caution: Refer to Battery Disconnect Caution in the Preface section.
Notice:
| • | Do not repair the fuel feed or return pipes. |
| • | Replace the fuel feed and return pipes with original equipment
or with parts that meet the GM specifications for those parts. The replacement
pipe must have the same type of fittings as the original pipe in order to
ensure the integrity of the connection. |
- Disconnect the negative battery cable. Refer to
Battery Negative Cable Disconnection and Connection
in Engine Electrical.
- Remove the fuel injector sight shield. Refer to
Fuel Injector Sight Shield Replacement
in Engine Mechanical - 5.7L.
- Relieve the fuel system pressure. Refer to the
Fuel Pressure Relief
.
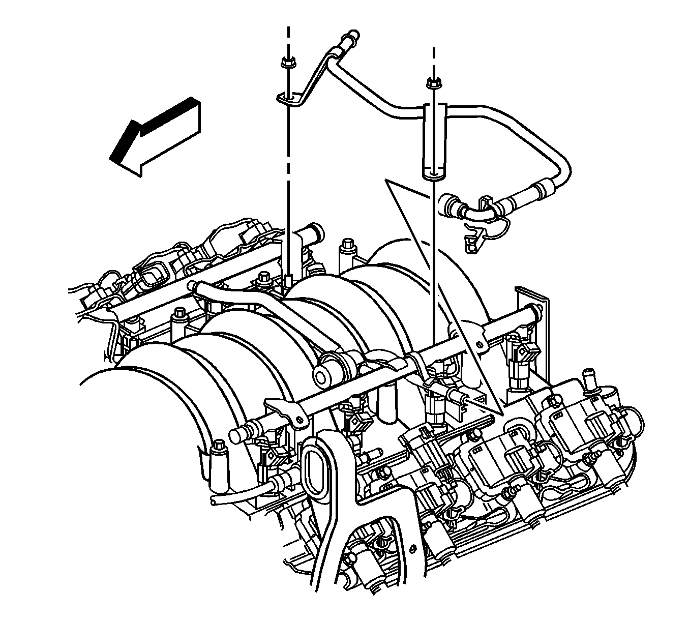
- Disconnect the quick-connect fitting at the chassis fuel pipe (3).
Refer to
Metal Collar Quick Connect Fitting Service
.
- Remove the retaining nut (5) from the engine compartment fuel line
bracket.
- Disconnect the quick-connect fitting at
the fuel rail (6). Refer to
Metal Collar Quick Connect Fitting Service
.
- Cap the pipes in order to prevent possible fuel system contamination.
- Remove the retaining nut from the fuel line bracket stud (5).
- Remove the engine compartment fuel pipe from the vehicle.
Installation Procedure
- Remove the caps from the pipes.
- Install the fuel pipe to the vehicle.
- Connect the engine compartment pipe to the
fuel rail. Refer to
Metal Collar Quick Connect Fitting Service
.
Notice: Refer to Fastener Notice in the Preface section.
- Install the fuel line bracket nut to the stud (5).
Tighten
Tighten the engine compartment fuel line nut to
10 N·m (89 lb in).
- Install the fuel line bracket to the stud.
- Install the fuel line bracket nut to the stud (5).
Tighten
Tighten the engine compartment fuel line nut to
10 N·m (89 lb in).
- Connect the quick-connect fitting at the chassis fuel pipe (3).
Refer to
Metal Collar Quick Connect Fitting Service
.
- Connect the negative battery cable. Refer to
Battery Negative Cable Disconnection and Connection
in Engine Electrical.
- Perform the following procedure in order to inspect for leaks:
| 9.1. | Turn the ignition switch ON for 2 seconds. |
| 9.2. | Turn the ignition switch OFF for 10 seconds. |
| 9.3. | Turn the ignition switch ON. |
| 9.4. | Inspect for fuel leaks. |
- Install the fuel injector sight shield. Refer to
Fuel Injector Sight Shield Replacement
in Engine Mechanical - 5.7L.