GM Service Manual Online
For 1990-2009 cars only
Makes
🢒
Cadillac
🢒
2004
🢒
CTS
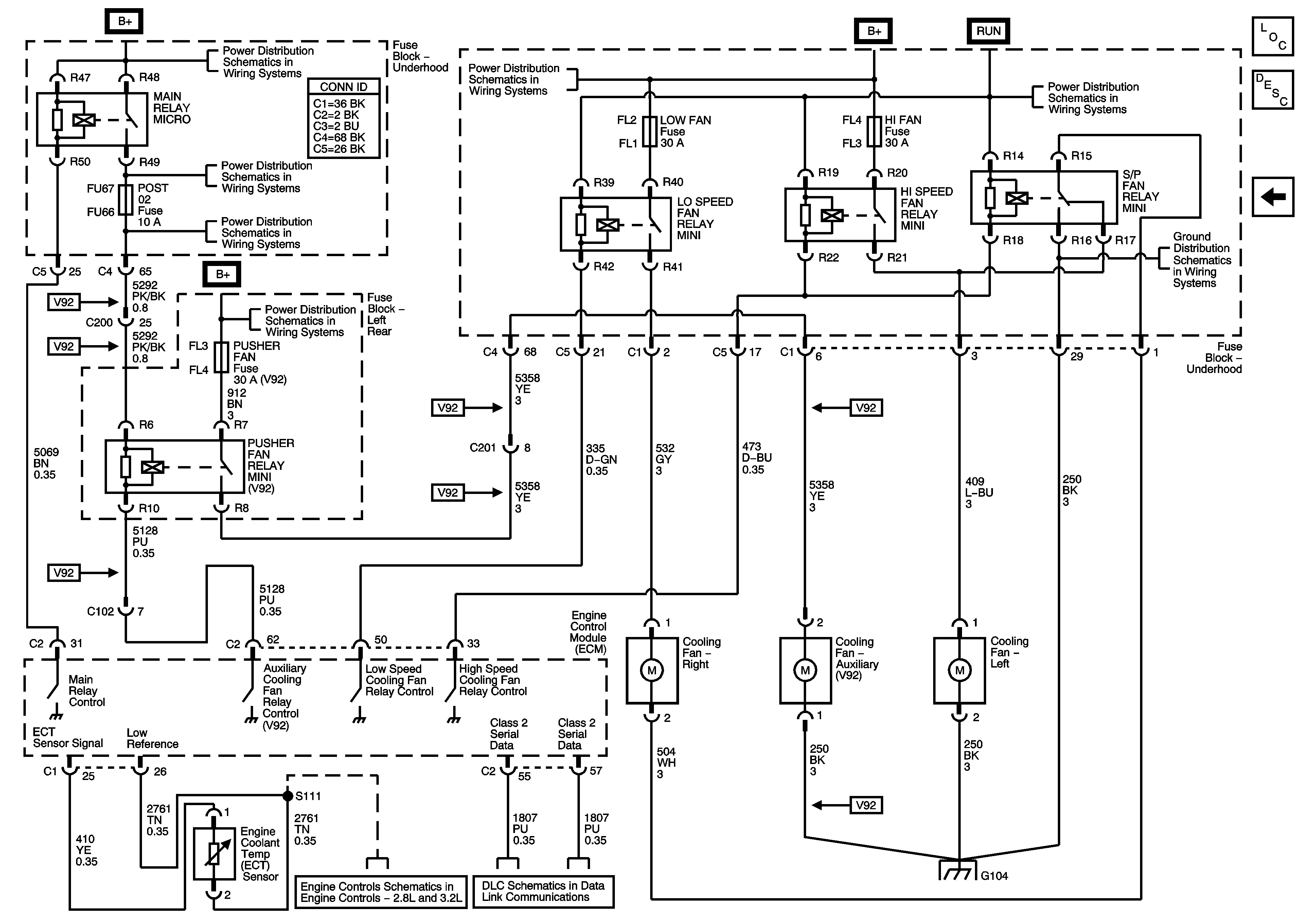
🢒 Cooling Fans - International (V92)
Cooling Fans - International (V92)
Cooling Fans - International (V92)
Master Electrical Component List
Cooling System Description and Operation
Cooling Fans - 5.7L (LS6)
Underhood Fuse Block B+ Bus - 2 of 2
Underhood Fuse Block B+ Bus - 2 of 2
Underhood Fuse Block POST O2 Fuse
Left Rear Fuse Block B+ Bus
Underhood Fuse Block MAIN Relay, Cooling Fan Fuses/Relays, ECM and TOS Fuses
Underhood Fuse Block MAIN Relay, Cooling Fan Fuses/Relays, ECM and TOS Fuses
G104 - 1 of 2
Engine Data Sensors - 5 Volt and Low Reference Buses
Class 2 Serial Data Bus - LHD - 1 of 2
G104 - 1 of 2