GM Service Manual Online
For 1990-2009 cars only
Makes
🢒
Cadillac
🢒
2004
🢒
CTS
🢒 Horns
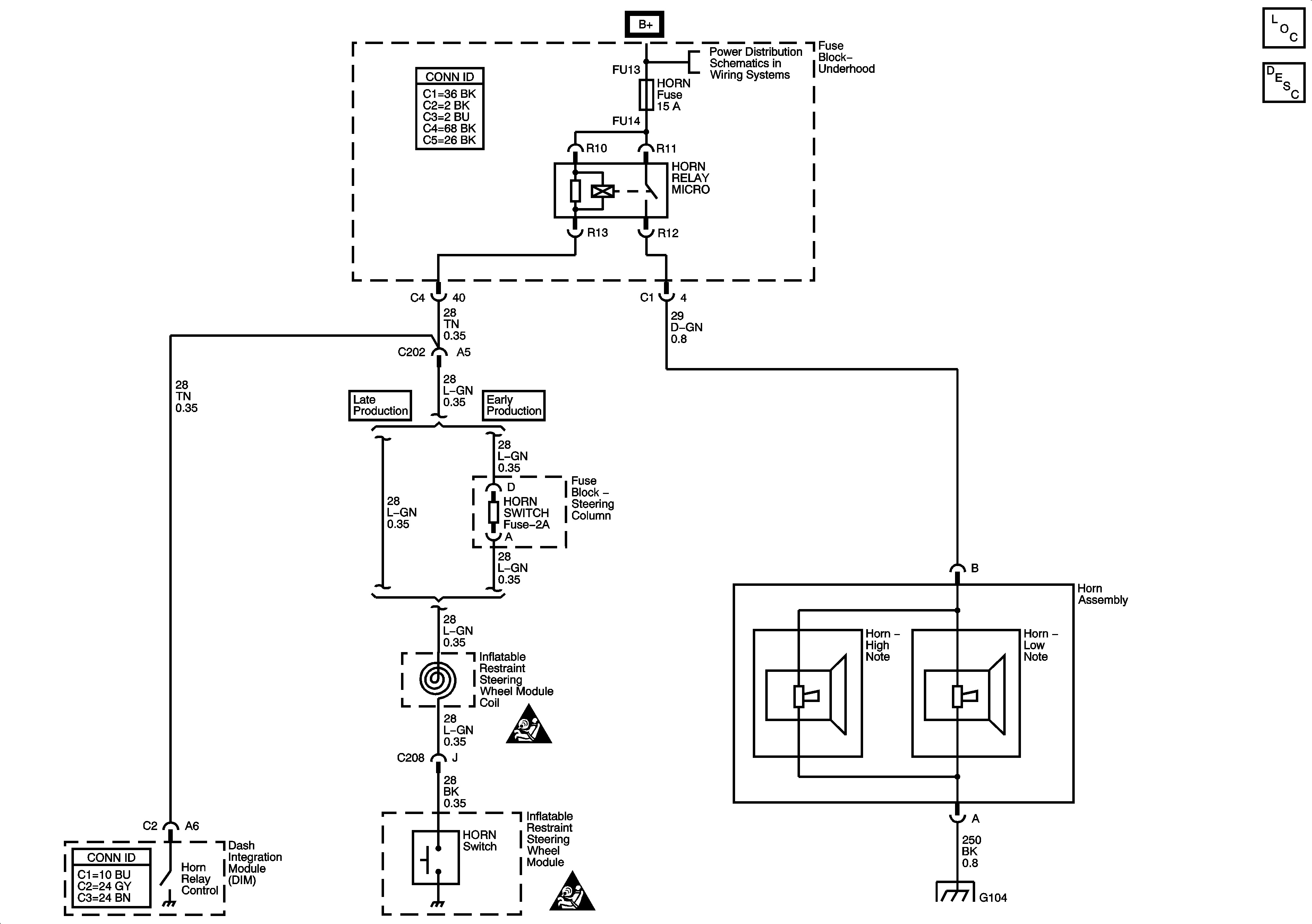
Horns
Master Electrical Component List
Horns System Description and Operation
Underhood Fuse Block B+ Bus - 1 of 2
SIR Caution for Zoning
G104 - 1 of 2