GM Service Manual Online
For 1990-2009 cars only
Makes
🢒
Cadillac
🢒
2004
🢒
CTS
🢒 Retained Access Power (RAP)
Retained Access Power (RAP)
Master Electrical Component List
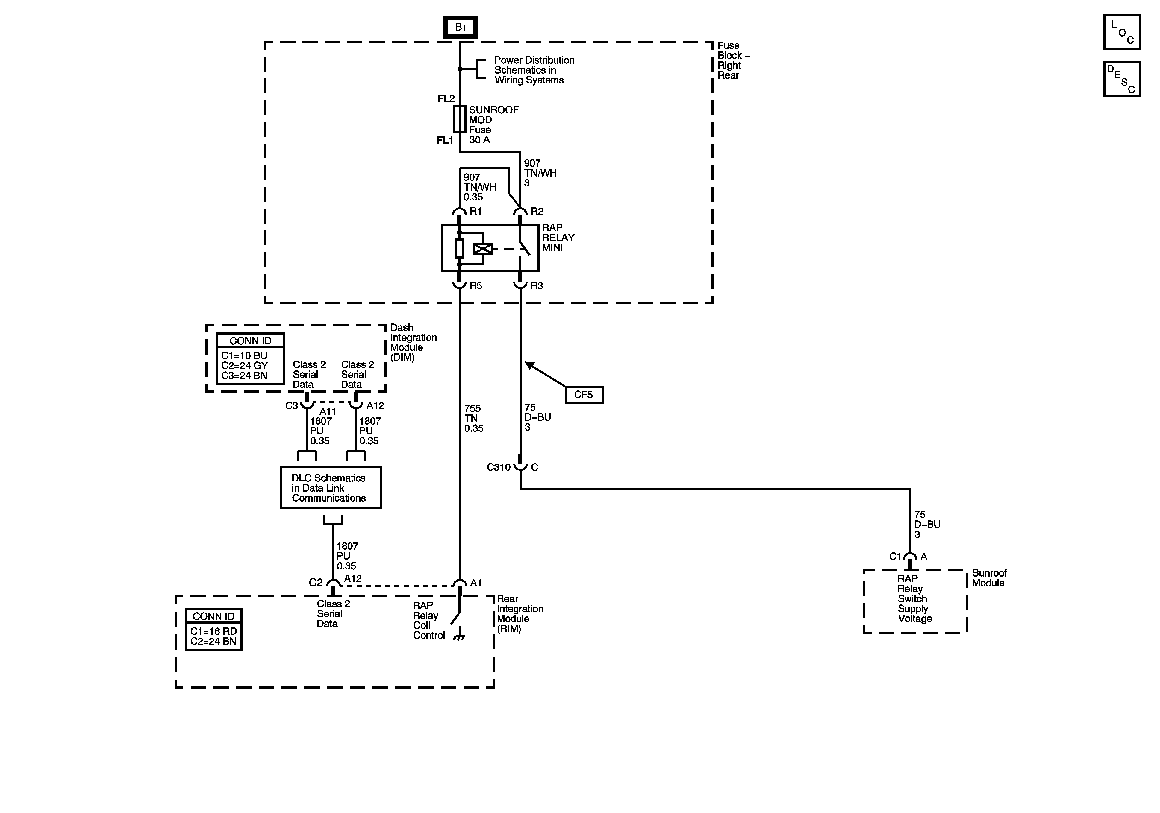
Retained Accessory Power (RAP) Description and Operation
Right Rear Fuse Block B+ Bus
Class 2 Serial Data Bus - LHD - 2 of 2