GM Service Manual Online
For 1990-2009 cars only
Makes
🢒
Cadillac
🢒
2004
🢒
CTS
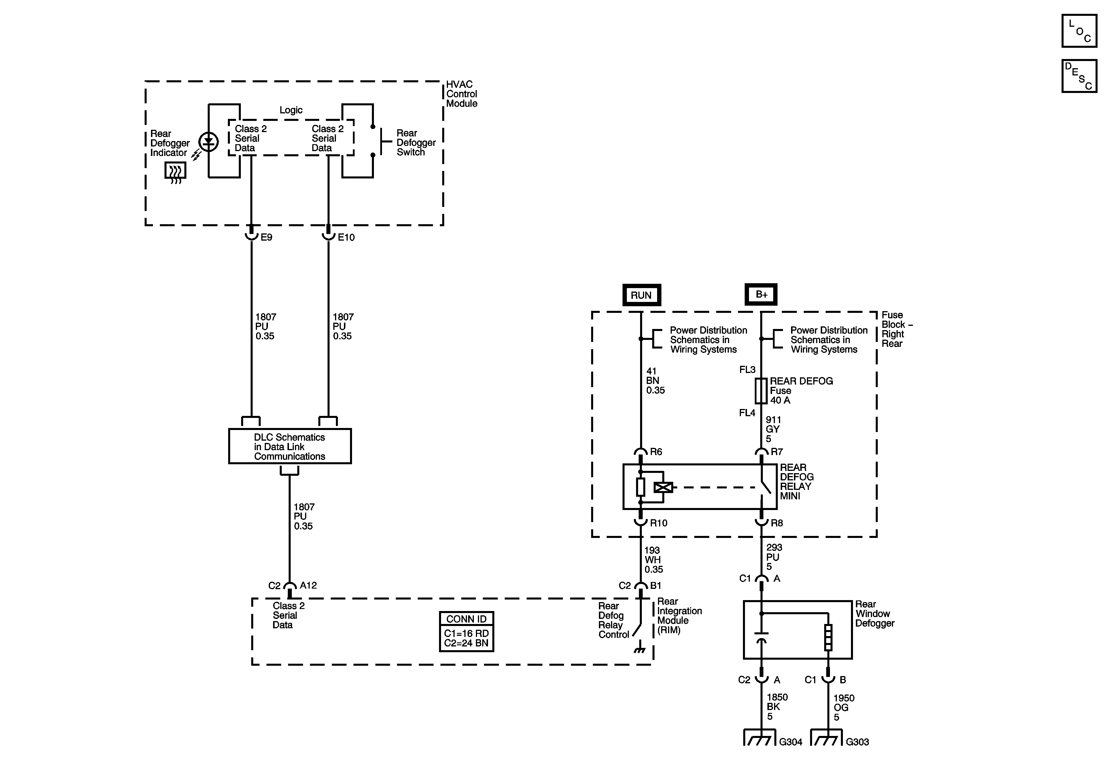
🢒 Rear Window Defogger
Rear Window Defogger
Master Electrical Component List
Rear Window Defogger Description and Operation
Left Rear Fuse Block IGN 3 Relay, L FRT HTD SEAT MOD, MEM/ADAPT SEAT, CCP, and HDLP LEVELING and IGN 3 Fuses
Right Rear Fuse Block B+ Bus
Class 2 Serial Data Bus - LHD - 2 of 2
G102, G105, G110, G303, G304 and G306
G102, G105, G110, G303, G304 and G306