GM Service Manual Online
For 1990-2009 cars only
Makes
🢒
Cadillac
🢒
2004
🢒
CTS
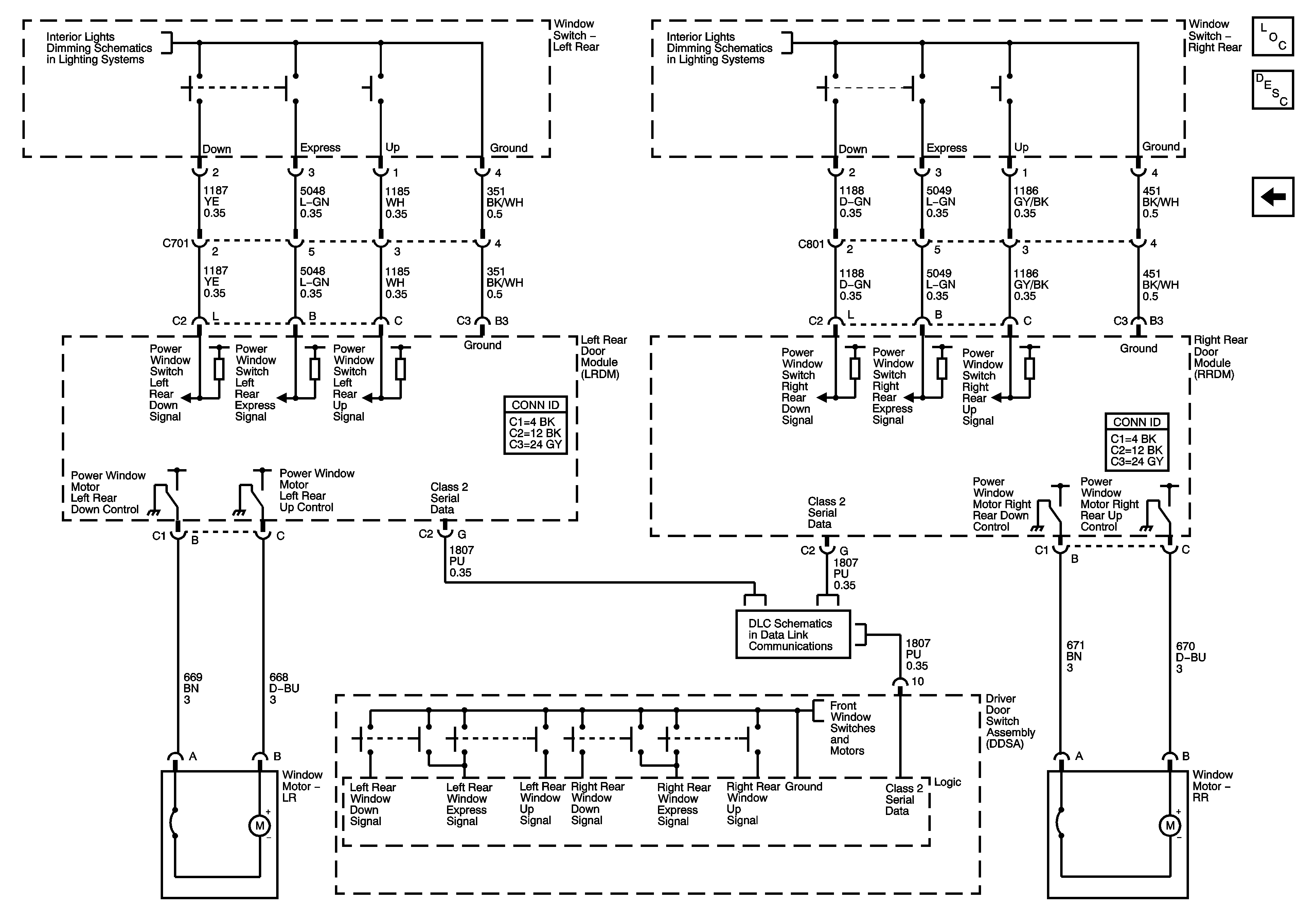
🢒 Rear Power Window Switches and Motors
Rear Power Window Switches and Motors
Rear Power Window Switches and Motors
Master Electrical Component List
Power Windows Description and Operation
Front Power Window Switches and Motors
Power, Ground, and Serial Data - 2 of 2
Power, Ground, and Serial Data - 2 of 2
Class 2 Serial Data Bus - LHD - 1 of 2
Front Power Window Switches and Motors