GM Service Manual Online
For 1990-2009 cars only
Makes
🢒
Cadillac
🢒
2004
🢒
CTS
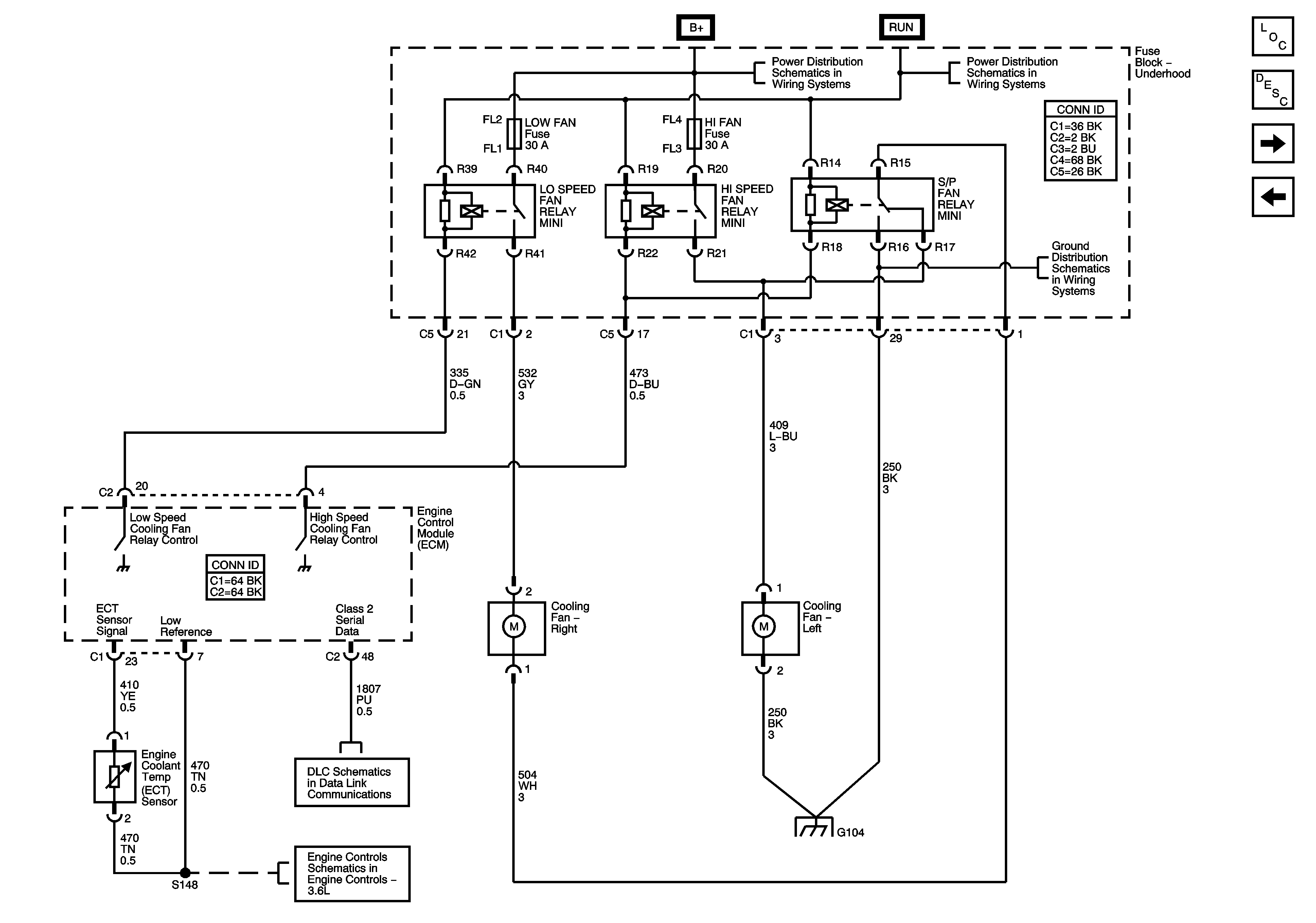
🢒 Cooling Fans - 3.6L (LY7)
Cooling Fans - 3.6L (LY7)
Cooling Fans - 3.6L (LY7)
Master Electrical Component List
Cooling System Description and Operation
Cooling Fans - 5.7L (LS6)
Cooling Fans - Domestic and Japan - 2.6L/3.2L (LY9/LA3)
Underhood Fuse Block MAIN Relay, Cooling Fan Fuses/Relays, ECM and TOS Fuses
Underhood Fuse Block MAIN Relay, Cooling Fan Fuses/Relays, ECM and TOS Fuses
G104 - 1 of 2
Class 2 Serial Data Bus - LHD - 1 of 2
Engine Data Sensors - Low Reference
G104 - 1 of 2