GM Service Manual Online
For 1990-2009 cars only
Makes
🢒
Cadillac
🢒
2004
🢒
CTS
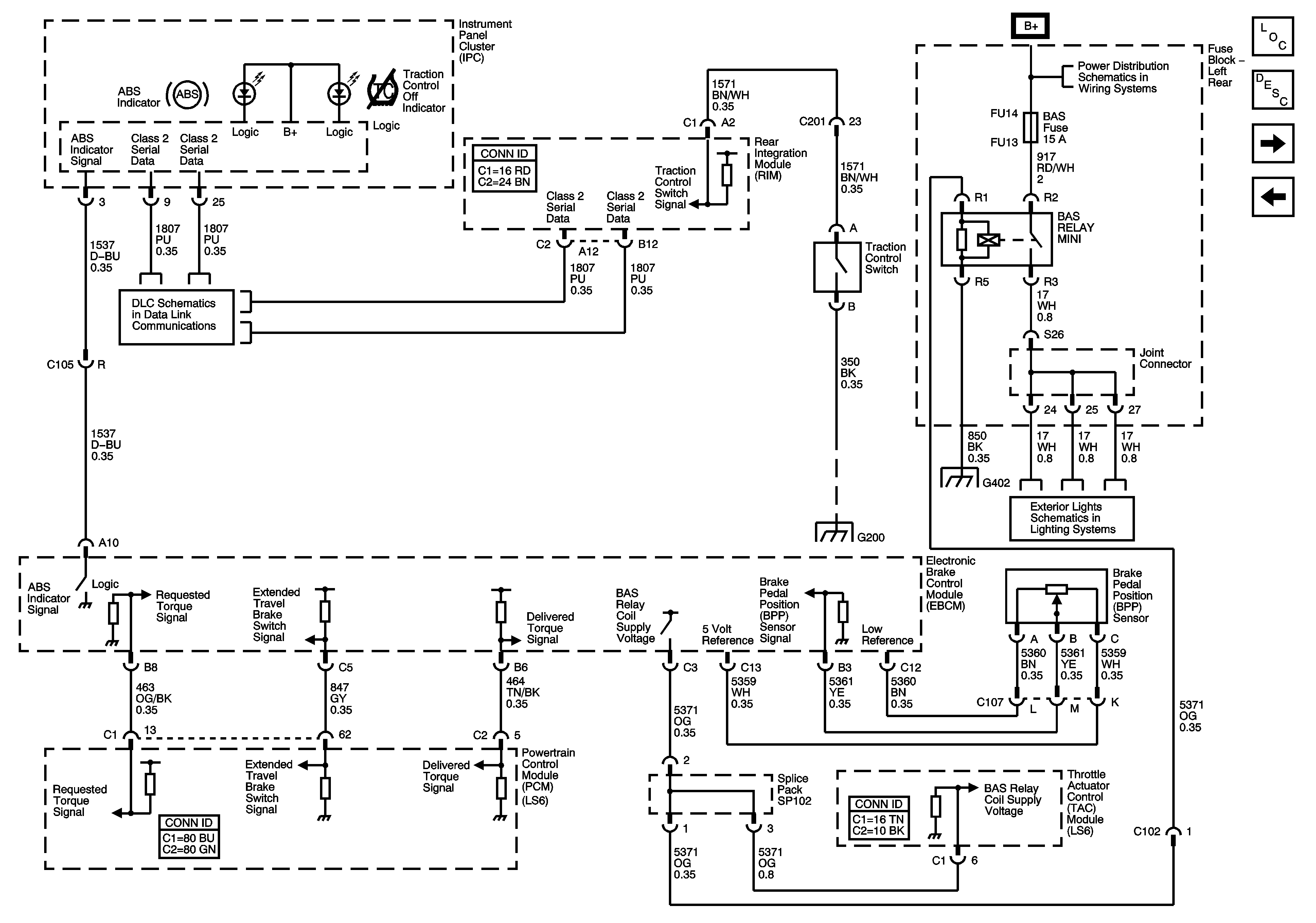
🢒 BPP Sensor, Switches and Indicators - 5.7L (LS6)
BPP Sensor, Switches and Indicators - 5.7L (LS6)
BPP Sensor, Switches and Indicators - 5.7L (LS6)
Master Electrical Component List
ABS Description and Operation
Wheel Speed Sensors and Variable Effort Steering Actuator
BPP Sensor, Switches and Indicators - 2.6L/3.2L/3.6L (LY9/LA3/LY7)
Class 2 Serial Data Bus - LHD - 1 of 2
Left Rear Fuse Block B+ Bus
Stop Lamps, BPP Sensor and BAS Fuse/Relay (Domestic and Export)
G200
G402 - 2 of 2