GM Service Manual Online
For 1990-2009 cars only
Figure 1:

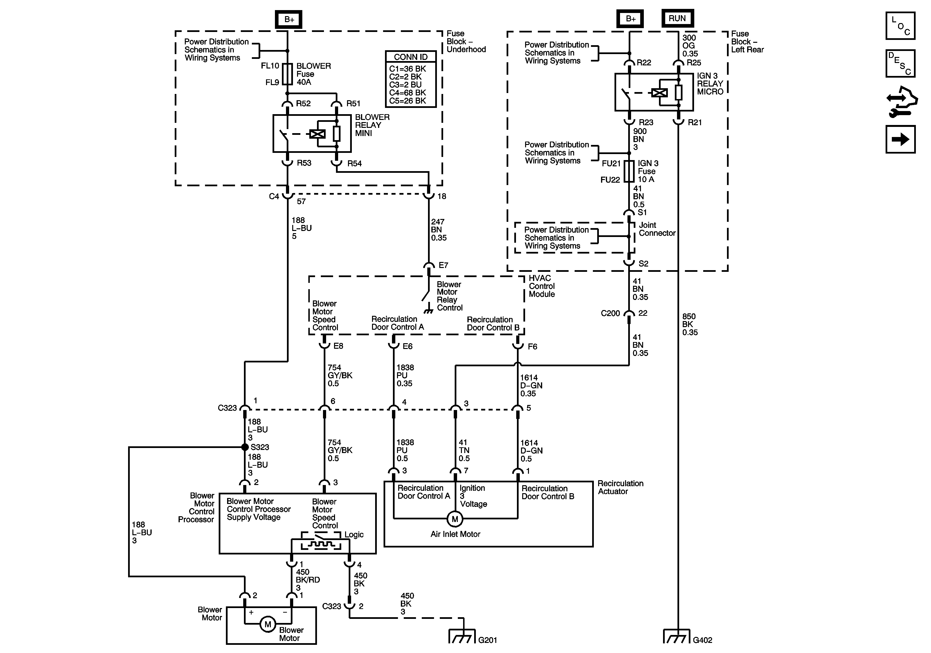
Blower Motor Controls


Object Number: 1470552  Size: FS
Master Electrical Component List
Air Delivery Description and Operation
Control Module References
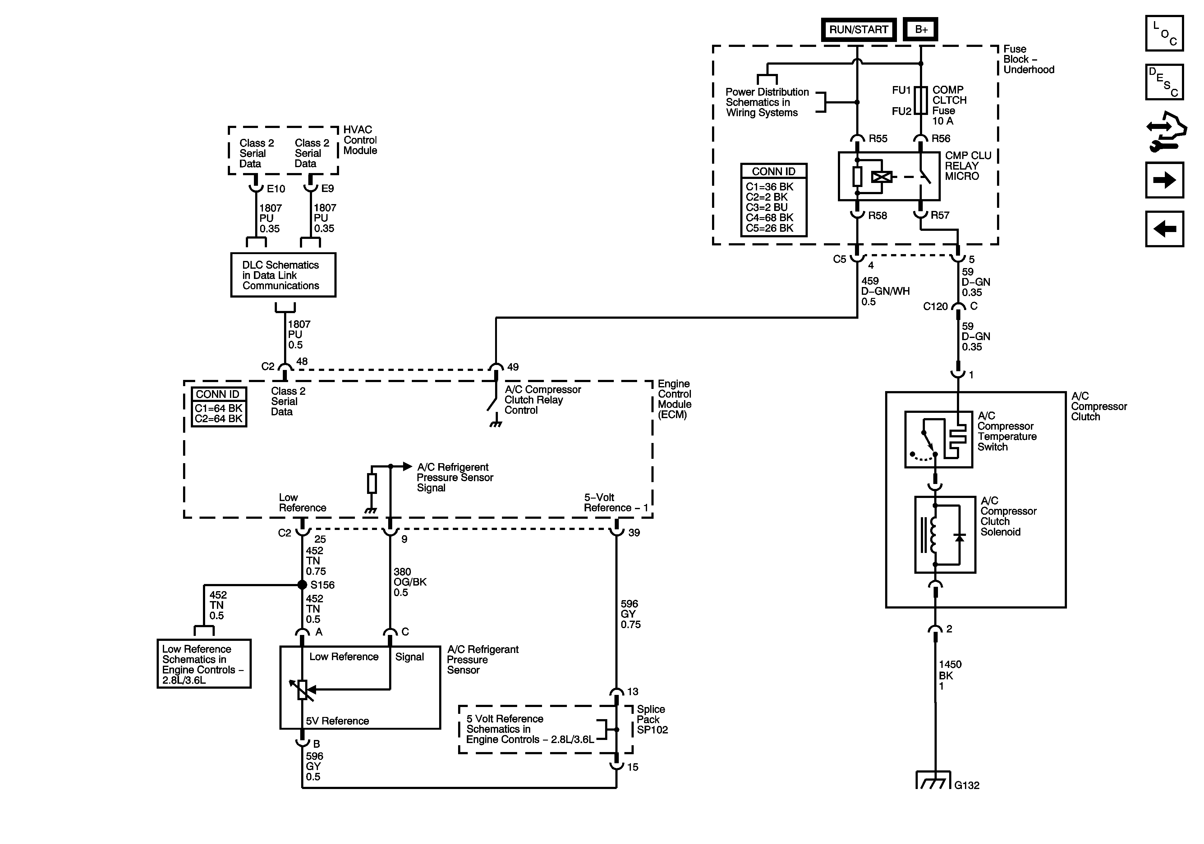
A/C Compressor Controls 2.8L/3.6L (LP1/LY7)
Underhood Fuse Block B+ Bus - 1 of 2
Left Rear Fuse Block, IGN3 Relay, L FRT HTD SEAT MOD, MEM/ADAPT SEAT, CCP, HDLP LEVELING and IGN3 Fuses
Left Rear Fuse Block, IGN3 Relay, L FRT HTD SEAT MOD, MEM/ADAPT SEAT, CCP, HDLP LEVELING and IGN3 Fuses
Left Rear Fuse Block, IGN3 Relay, L FRT HTD SEAT MOD, MEM/ADAPT SEAT, CCP, HDLP LEVELING and IGN3 Fuses
G201
G402 - 2 of 2
Figure 2:

A/C Compressor Controls - 2.8L/3.6L( LP1/LY7)


Object Number: 1470557  Size: FS
Master Electrical Component List
Air Delivery Description and Operation
Control Module References
A/C Compressor Controls 5.7L
Blower Motor Controls
Underhood Fuse Block B+ Bus - 1 of 2
Class 2 Serial Data Bus - LHD - 2 of 2
Engine Data Sensors - Low Reference
Engine Data Sensors - 5-volt Reference
G130, G131, G132 and G133 (LY7)
Figure 3:

A/C Compressor Controls - 5.7L (LS6)


Object Number: 1470563  Size: FS
Master Electrical Component List
Air Delivery Description and Operation
Control Module References
Air Delivery/Temperature Control Actuators - LHD
A/C Compressor Controls 2.8L/3.6L (LP1/LY7)
Underhood Fuse Block B+ Bus - 1 of 2
Class 2 Serial Data Bus - LHD - 2 of 2
G140, G141 and G142 (L56)
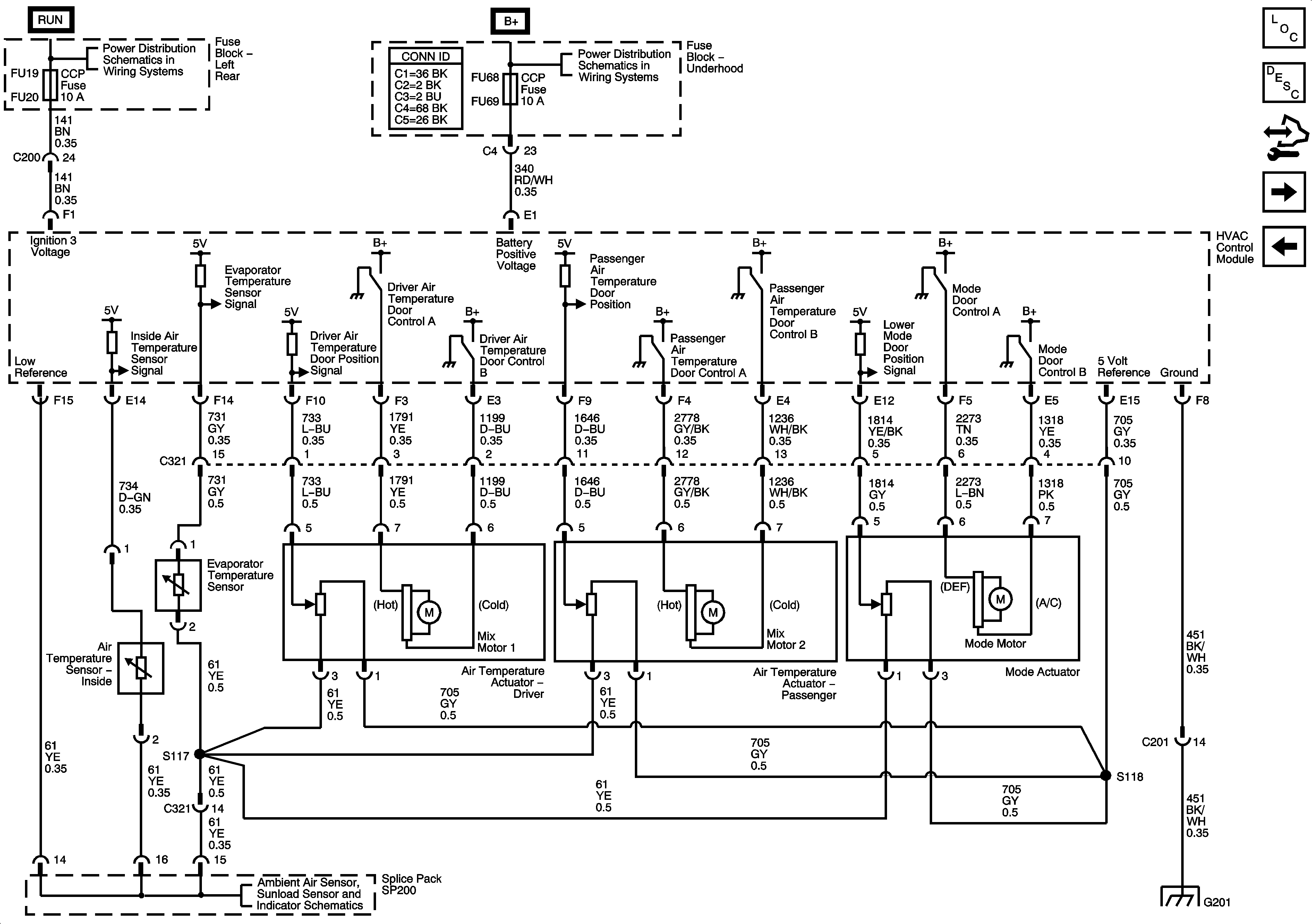
Figure 4:

Air Delivery and Temperature Control Actuators - LHD


Object Number: 1470625  Size: FS
Master Electrical Component List
Air Delivery Description and Operation
Control Module References
Air Delivery/Temperature Control Actuators - RHD
A/C Compressor Controls 5.7L
Left Rear Fuse Block, IGN3 Relay, L FRT HTD SEAT MOD, MEM/ADAPT SEAT, CCP, HDLP LEVELING and IGN3 Fuses
Underhood Fuse Block DIM/ALDL, VOLT CHECK, FLASHER, CCP, EGM/TCM and ABS Fuses
Ambient Air Temperature Sensor, Sunload Sensor, Coolant Level Switch and DIC
G201
Figure 5:

Air Delivery and Temperature Control Actuators - RHD


Object Number: 1470633  Size: FS
Master Electrical Component List
Air Delivery Description and Operation
Control Module References
Ambient Air Temperature Sensor, Sunload Sensor, Coolant Level Switch and DIC
Air Delivery/Temperature Control Actuators - LHD
Left Rear Fuse Block, IGN3 Relay, L FRT HTD SEAT MOD, MEM/ADAPT SEAT, CCP, HDLP LEVELING and IGN3 Fuses
Underhood Fuse Block DIM/ALDL, VOLT CHECK, FLASHER, CCP, EGM/TCM and ABS Fuses
Air Delivery/Temperature Control Actuators - LHD
G201
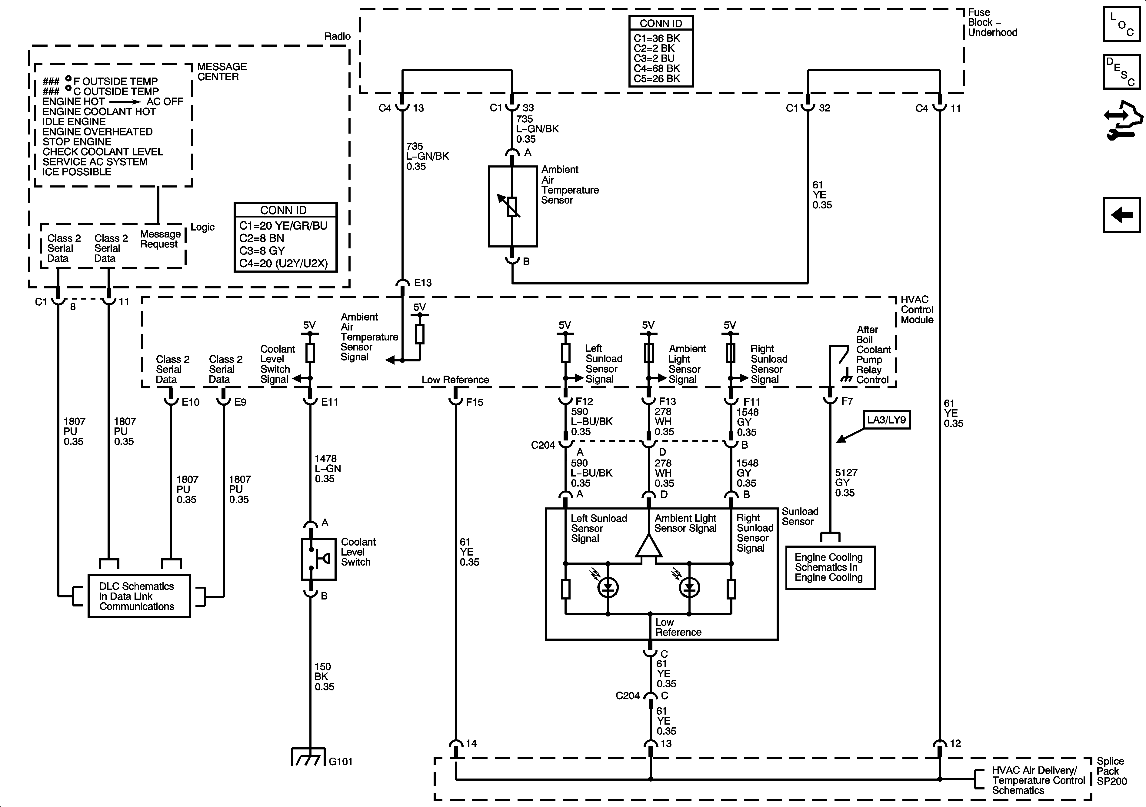
Figure 6:

Ambient Air Temperature Sensor, Sunload Sensor, Coolant Level Switch and DIC


Object Number: 1470637  Size: FS
Master Electrical Component List
Air Temperature Description and Operation
Control Module References
Air Delivery/Temperature Control Actuators - RHD
Class 2 Serial Data Bus - LHD - 2 of 2
G101
Coolant Level Switch, Indicator, Gage and DIC
Air Delivery/Temperature Control Actuators - LHD