GM Service Manual Online
For 1990-2009 cars only
Makes
🢒
Cadillac
🢒
2005
🢒
CTS
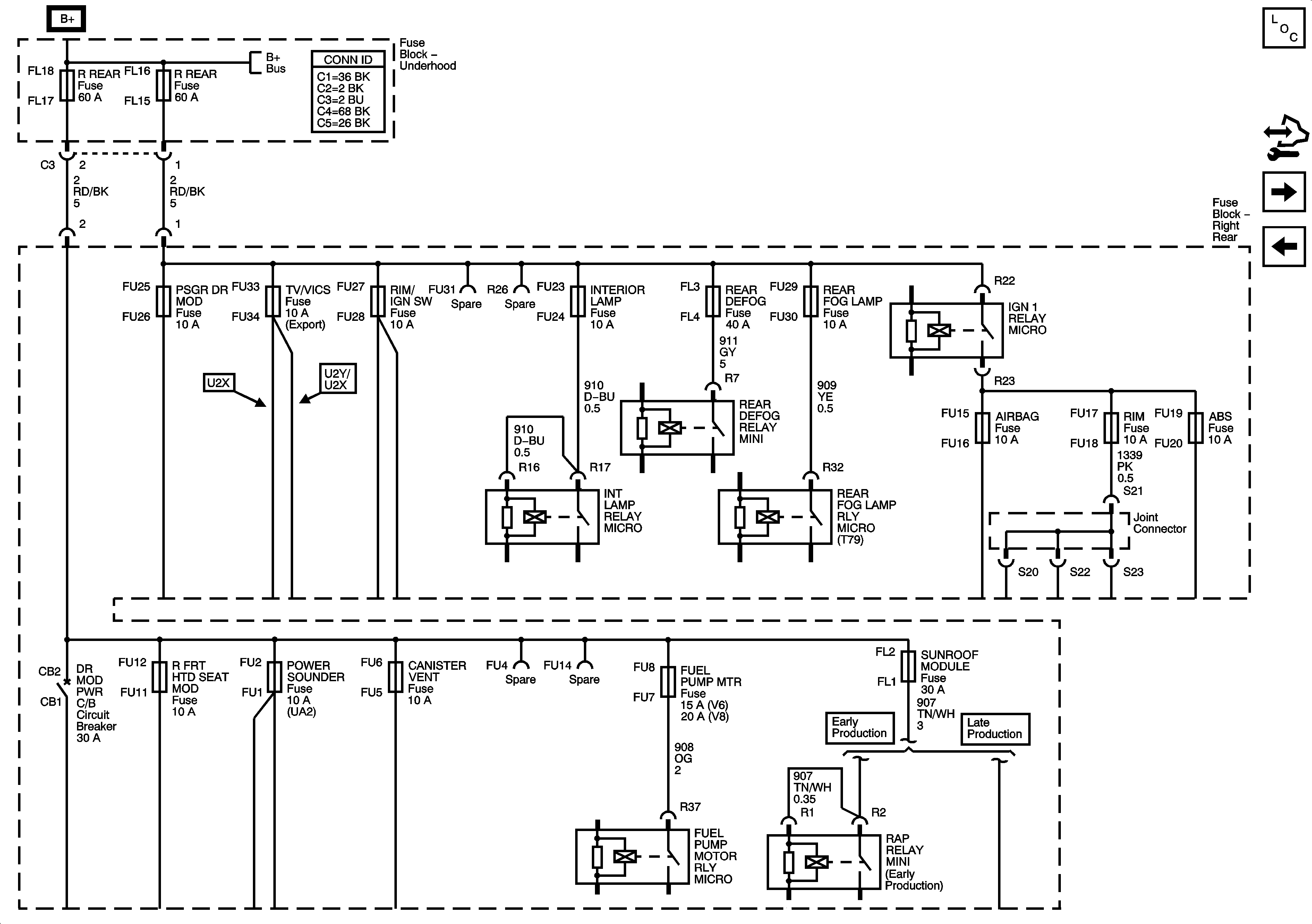
🢒 Right Rear Fuse Block B+ Bus
Right Rear Fuse Block B+ Bus
Right Rear Fuse Block B+ Bus
Master Electrical Component List
Control Module References
Ignition Switch - 1 of 2
Left Rear Fuse Block B+ Bus
Underhood Fuse Block B+ Bus - 2 of 2