GM Service Manual Online
For 1990-2009 cars only
Makes
🢒
Cadillac
🢒
2005
🢒
CTS
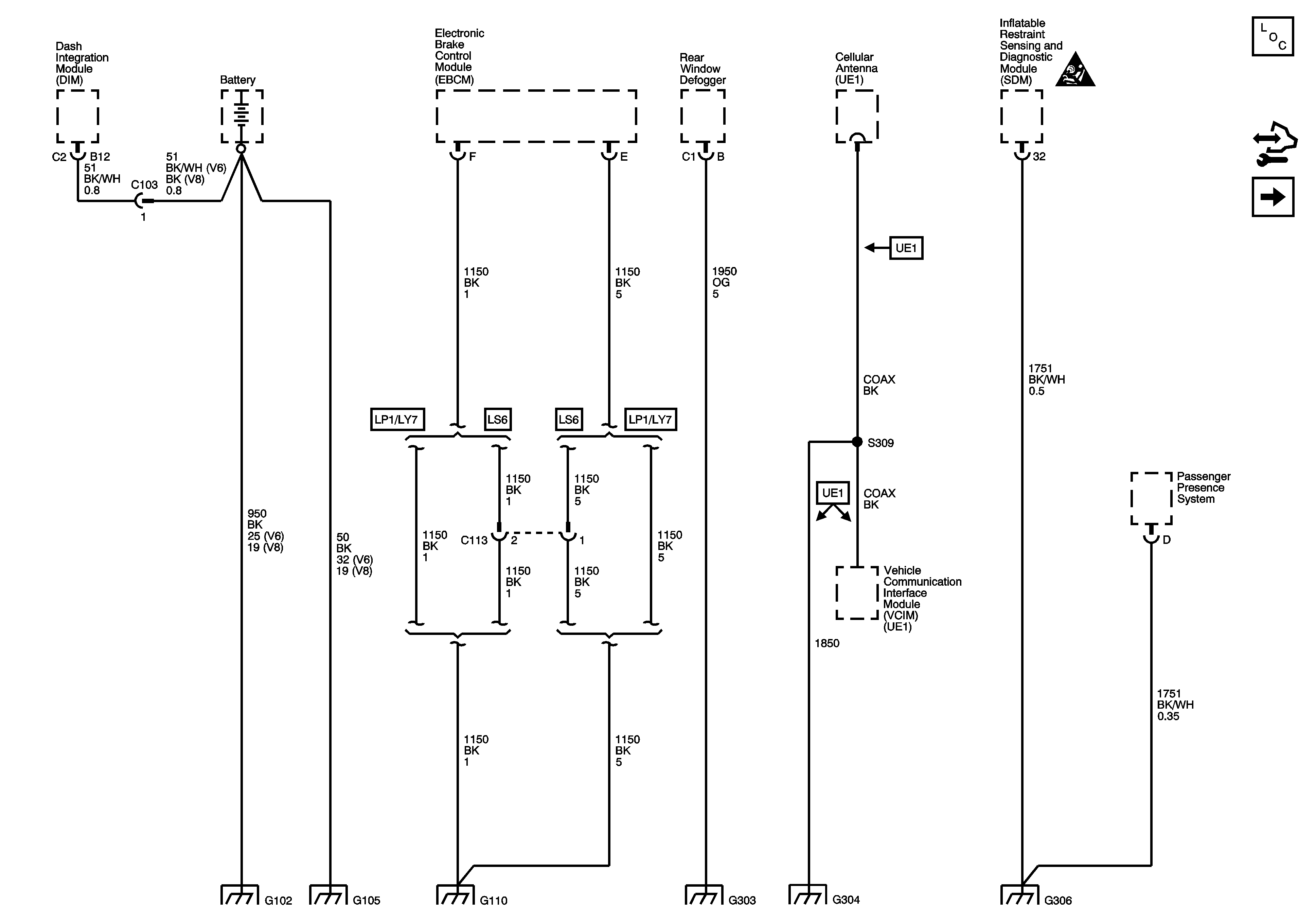
🢒 G102, G105, G110, G303, G304 and G306
G102, G105, G110, G303, G304 and G306
G100, G102, G105 G110, G303, G304 and G306
Master Electrical Component List
Control Module References
G101
SIR Caution for Zoning