GM Service Manual Online
For 1990-2009 cars only
Makes
🢒
Cadillac
🢒
2005
🢒
CTS
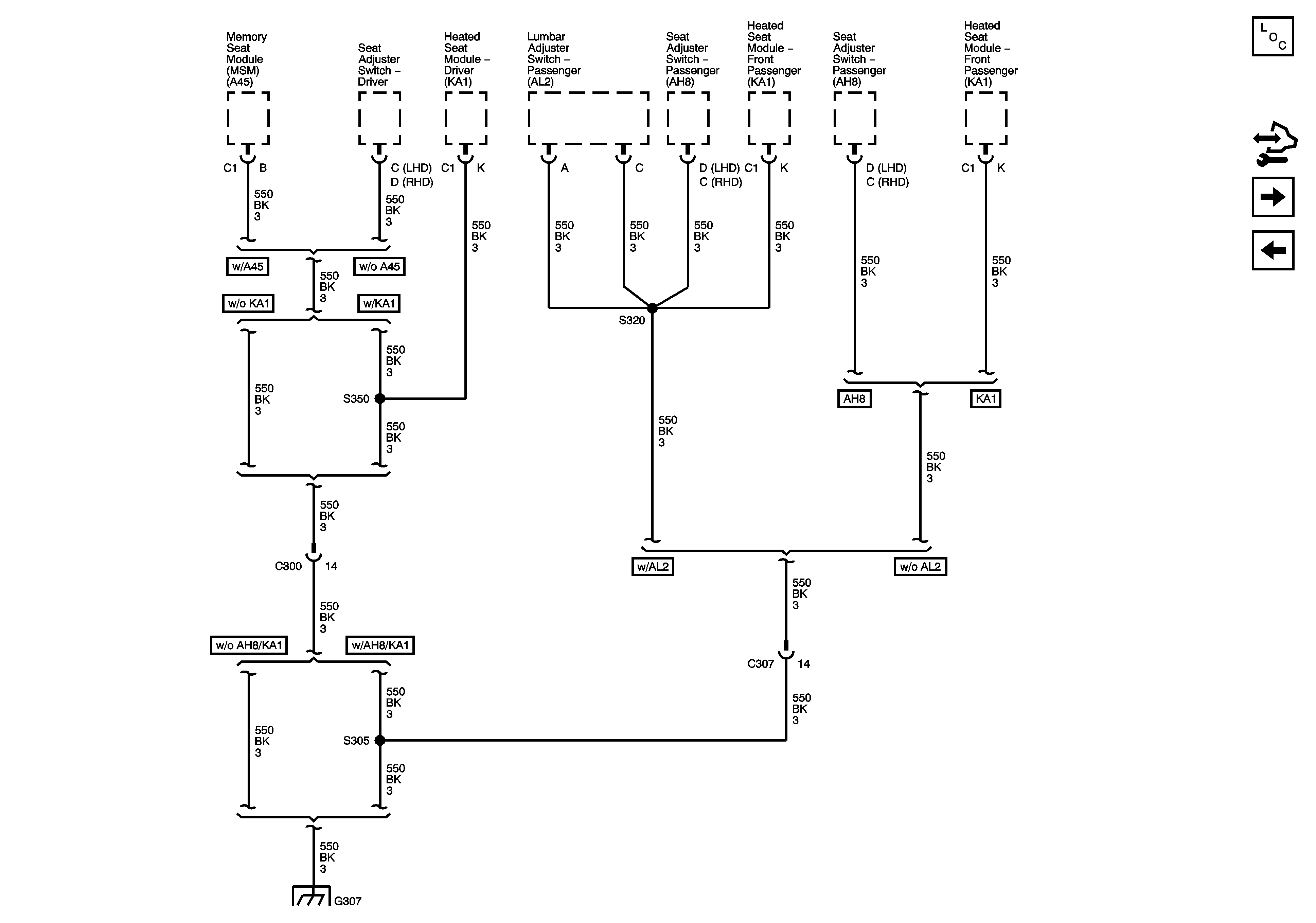
🢒 G307
G307
G307
Master Electrical Component List
Control Module References
G401
G201