GM Service Manual Online
For 1990-2009 cars only
Makes
🢒
Cadillac
🢒
2005
🢒
CTS
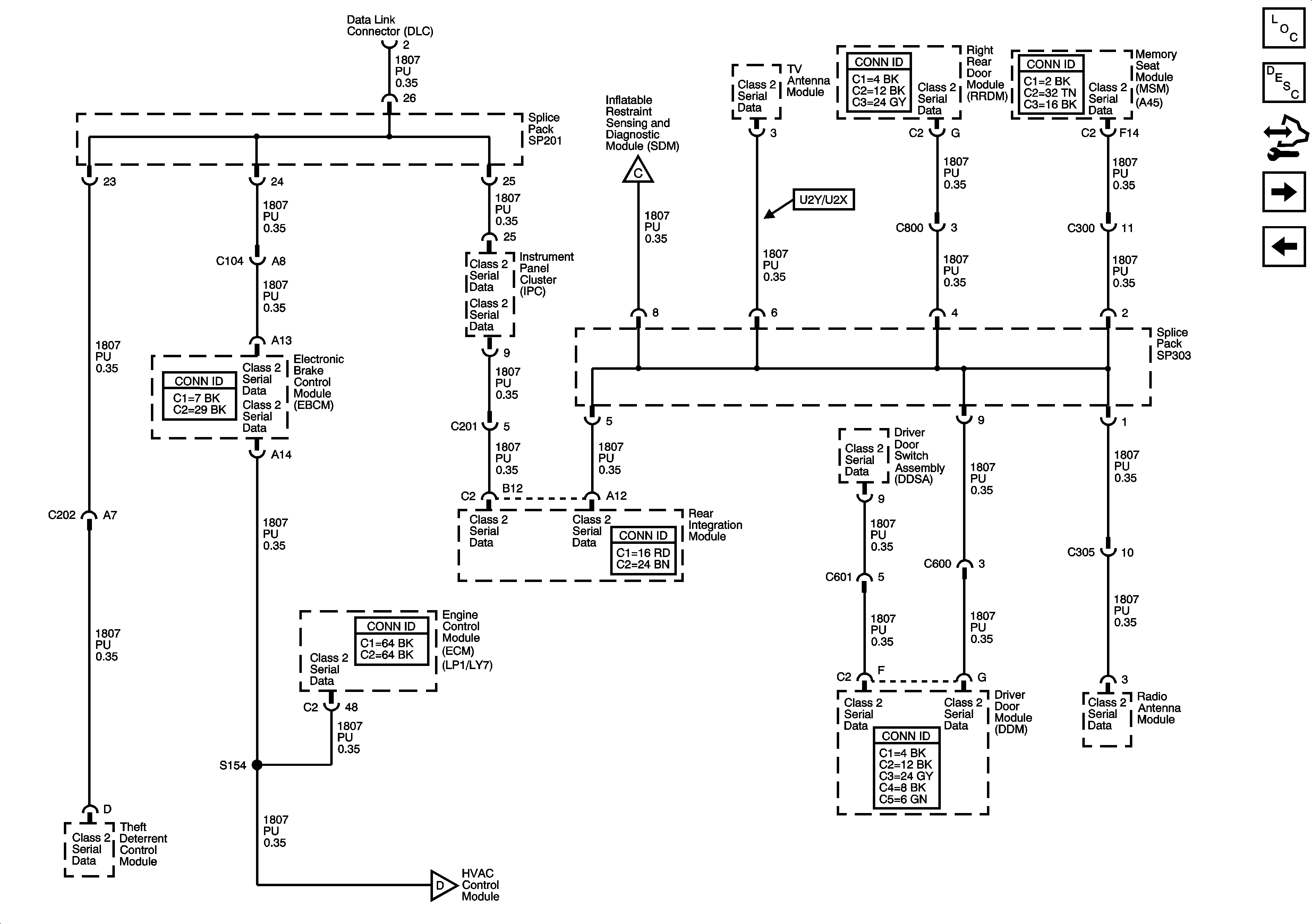
🢒 Class 2 Serial Data Bus - RHD - 1 of 2
Class 2 Serial Data Bus - RHD - 1 of 2
Class 2 Serial Data Bus - RHD - 1 of 2
Master Electrical Component List
Data Link Communications Description and Operation
Control Module References
Class 2 Serial Data Bus - RHD - 2 of 2
Class 2 Serial Data Bus - LHD - 2 of 2
Class 2 Serial Data Bus - RHD - 2 of 2
Class 2 Serial Data Bus - RHD - 2 of 2