GM Service Manual Online
For 1990-2009 cars only
Makes
🢒
Cadillac
🢒
2005
🢒
CTS
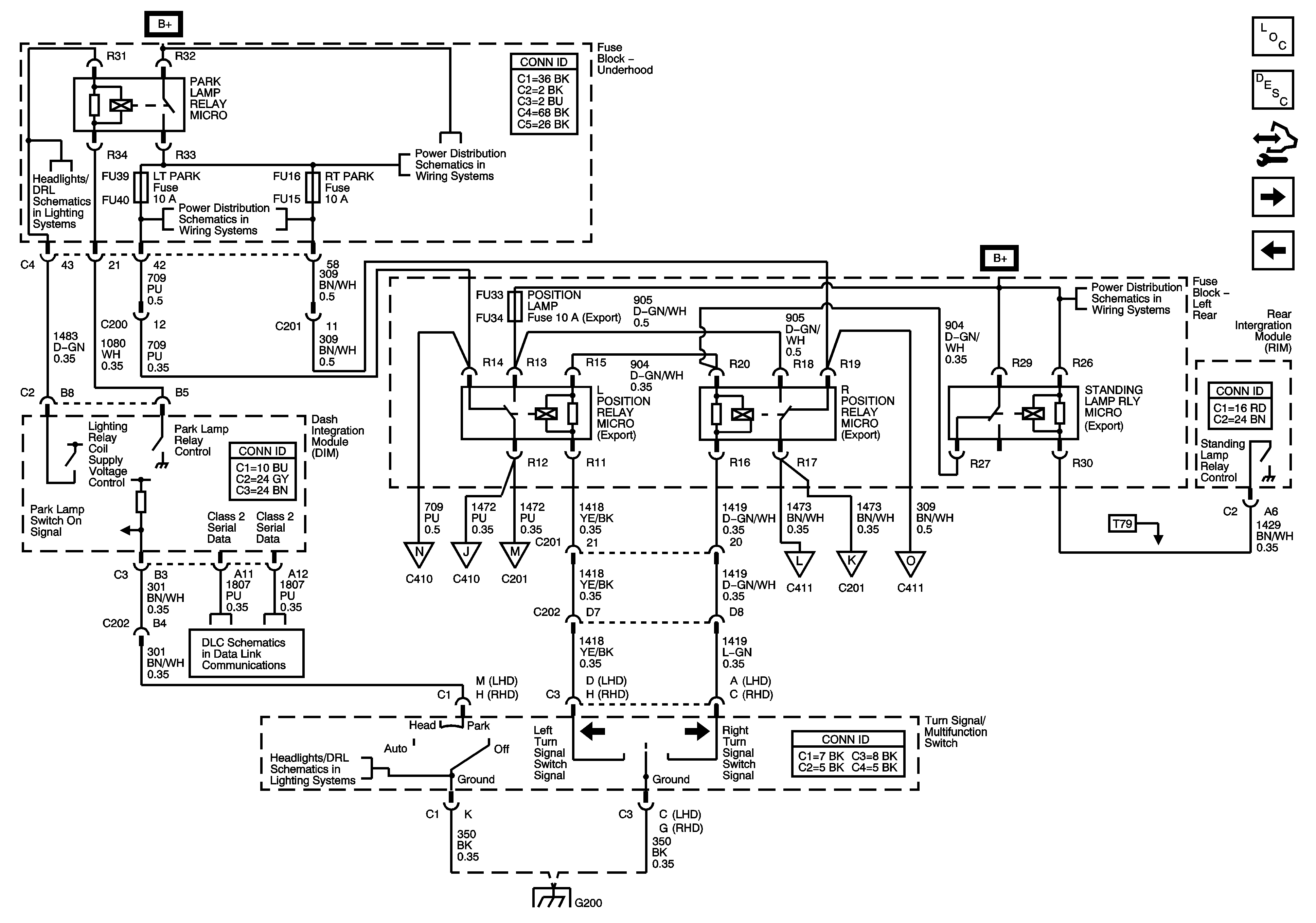
🢒 Position Lamp Controls - Export (T79)
Position Lamp Controls - Export (T79)
Position Lamp Controls (Export w/T79)
Master Electrical Component List
Exterior Lighting Systems Description and Operation
Control Module References
Position, Park and Tail Lamps - Export
License Lamps, Rear Marker Lamps and Tail Lamps
Headlamp Controls
Underhood Fuse Block PARK LAMP Relay/Fuses and DIMMING Fuse
Underhood Fuse Block PARK LAMP Relay/Fuses and DIMMING Fuse
Left Rear Fuse Block B+ Bus
Position, Park and Tail Lamps - Export
Position, Park and Tail Lamps - Export
Position, Park and Tail Lamps - Export
Position, Park and Tail Lamps - Export
Position, Park and Tail Lamps - Export
Position, Park and Tail Lamps - Export
Class 2 Serial Data Bus - LHD - 2 of 2
Headlamp Controls
G200