GM Service Manual Online
For 1990-2009 cars only
Figure 1:

G102, G105, G110, G303, G304, and G306


Object Number: 1582817  Size: FS
Master Electrical Component List
Control Module References
G101
Power and Grounding Schematic Icons
Figure 2:

G101


Object Number: 1470812  Size: FS
Master Electrical Component List
Control Module References
G104 - 1 of 2
G102, G105, G110, G202, G204, and G306
Figure 3:

G104 1 of 2


Object Number: 1470813  Size: FS
Master Electrical Component List
Control Module References
G104 - 2 of 2
G101
Figure 4:

G104 2 of 2


Object Number: 1470814  Size: FS
Master Electrical Component List
Control Module References
G130, G131, G132, and G133 (LP1/LY7)
G104 - 1 of 2
Figure 5:

G130, G131, G132, and G133 (LP1/LY7)


Object Number: 1470815  Size: FS
Master Electrical Component List
Control Module References
G140, G141, and G142 (LS2)
G104 - 2 of 2
Figure 6:

G140, G141, and G142 (LS2)


Object Number: 1582641  Size: FS
Master Electrical Component List
Control Module References
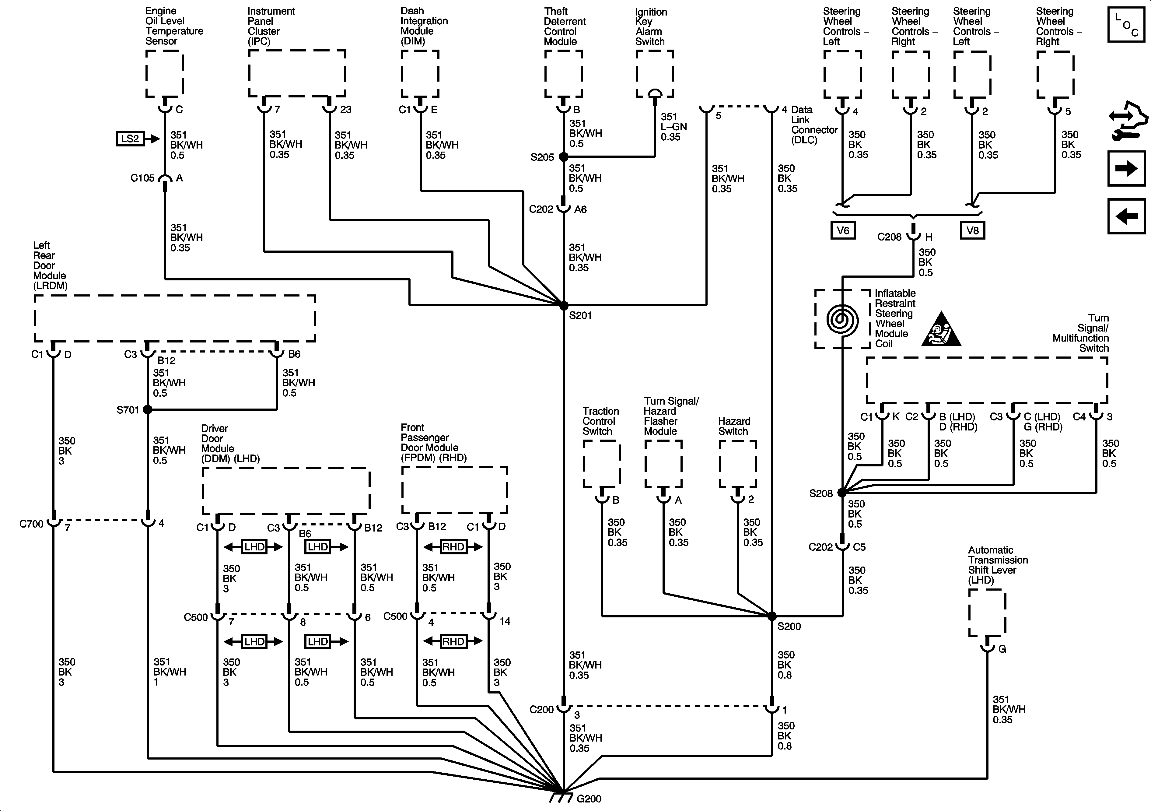
G200
G130, G131, G132, and G133 (LP1/LY7)
Figure 7:

G200


Object Number: 1593752  Size: FS
Master Electrical Component List
Control Module References
G201
G140, G141, and G142 (LS2)
Power and Grounding Schematic Icons
Figure 8:

G201


Object Number: 1589441  Size: FS
Master Electrical Component List
Control Module References
G307
G200
Figure 9:

G307


Object Number: 1470824  Size: FS
Master Electrical Component List
Control Module References
G401
G201
Figure 10:

G401


Object Number: 1470827  Size: FS
Master Electrical Component List
Control Module References
G402 - 1 of 2
G307
Figure 11:

G402 1 of 2


Object Number: 1470832  Size: FS
Master Electrical Component List
Control Module References
G402 - 2 of 2
G401
Figure 12:

G402 2 of 2


Object Number: 1470834  Size: FS
Master Electrical Component List
Control Module References
G402 - 1 of 2