GM Service Manual Online
For 1990-2009 cars only
Makes
🢒
Cadillac
🢒
2006
🢒
CTS
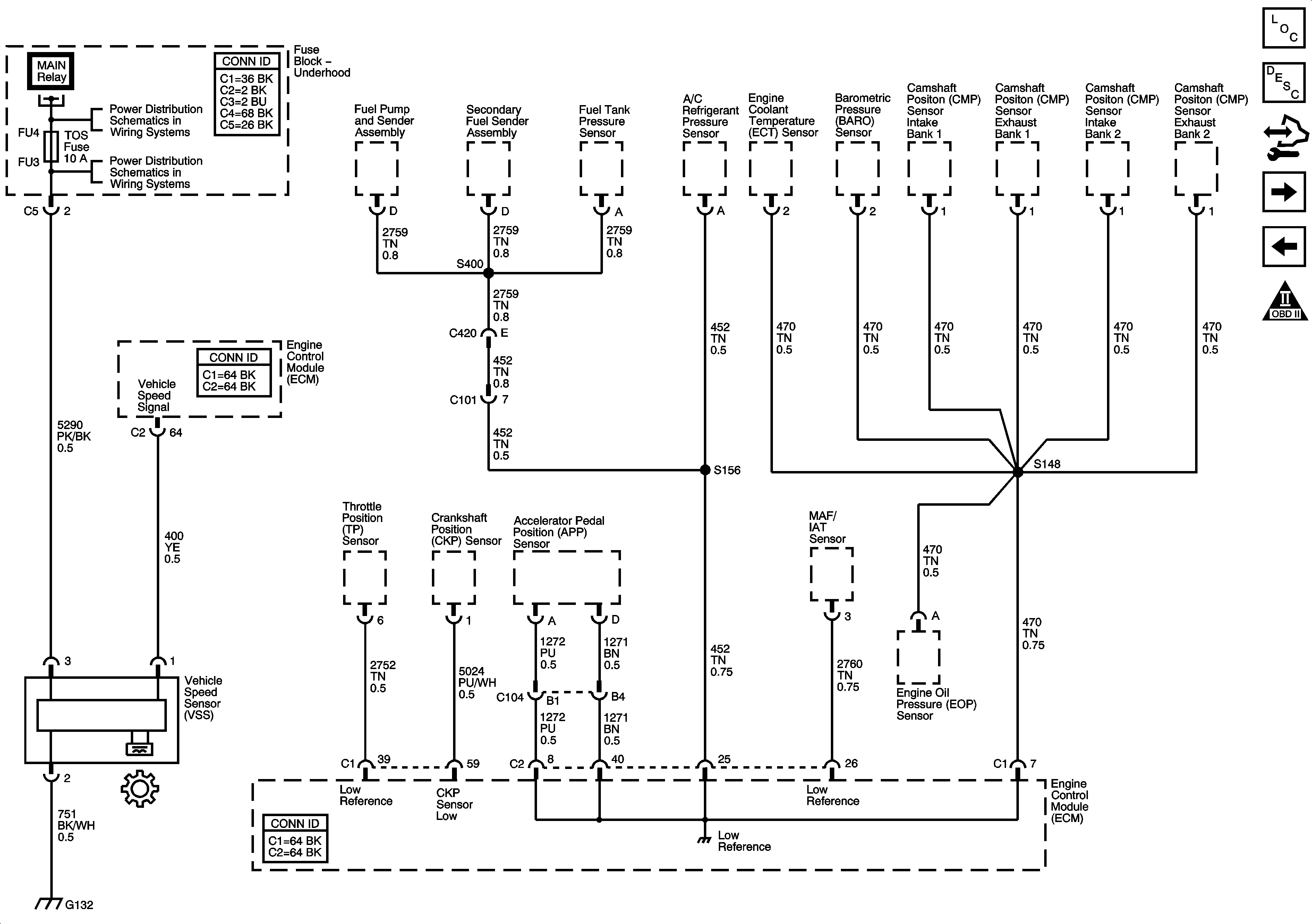
🢒 Engine Data Sensors - Low Reference Bus
Engine Data Sensors - Low Reference Bus
Engine Data Sensors - Low Reference Bus
Master Electrical Component List
Engine Control Module Description
Control Module References
Engine Data Sensors - BARO, ECT, MAF, and IAT Sensors
Engine Data Sensors - 5-Volt Reference Bus
Engine Controls Schematic Icons
Underhood Fuse Block B+ Bus - 2 of 2
Underhood Fuse Block - COOLING FAN Fuses/Relays, MAIN Relay, ECM and TOS Fuses
G130, G131, G132, and G133 (LP1/LY7)