GM Service Manual Online
For 1990-2009 cars only
Makes
🢒
Cadillac
🢒
2006
🢒
CTS
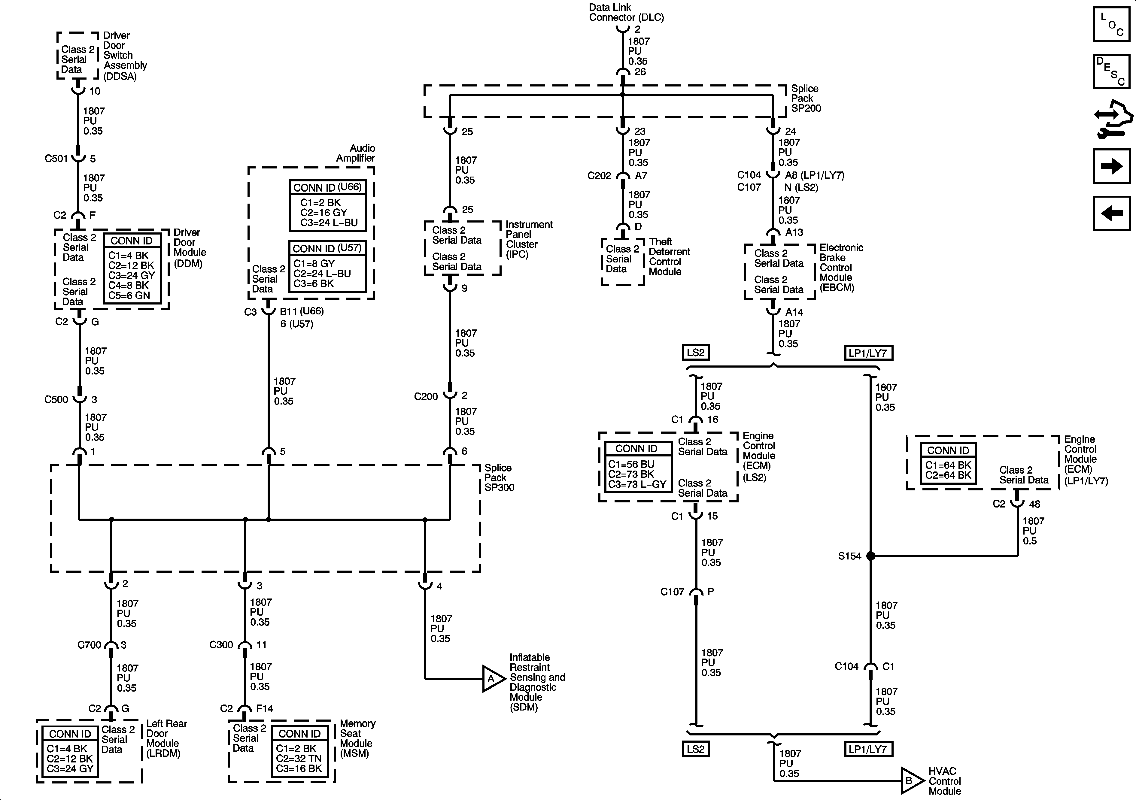
🢒 Class 2 Serial Data Bus (LHD) - 1 of 2
Class 2 Serial Data Bus (LHD) - 1 of 2
Class 2 Serial Data Bus - LHD - 1 of 2
Master Electrical Component List
Data Link Communications Description and Operation
Control Module References
Class 2 Serial Data Bus (LHD) - 2 of 2
Power, Ground, and GMLAN Bus
Class 2 Serial Data Bus (LHD) - 2 of 2
Class 2 Serial Data Bus (LHD) - 2 of 2