GM Service Manual Online
For 1990-2009 cars only
Makes
🢒
Cadillac
🢒
2006
🢒
CTS
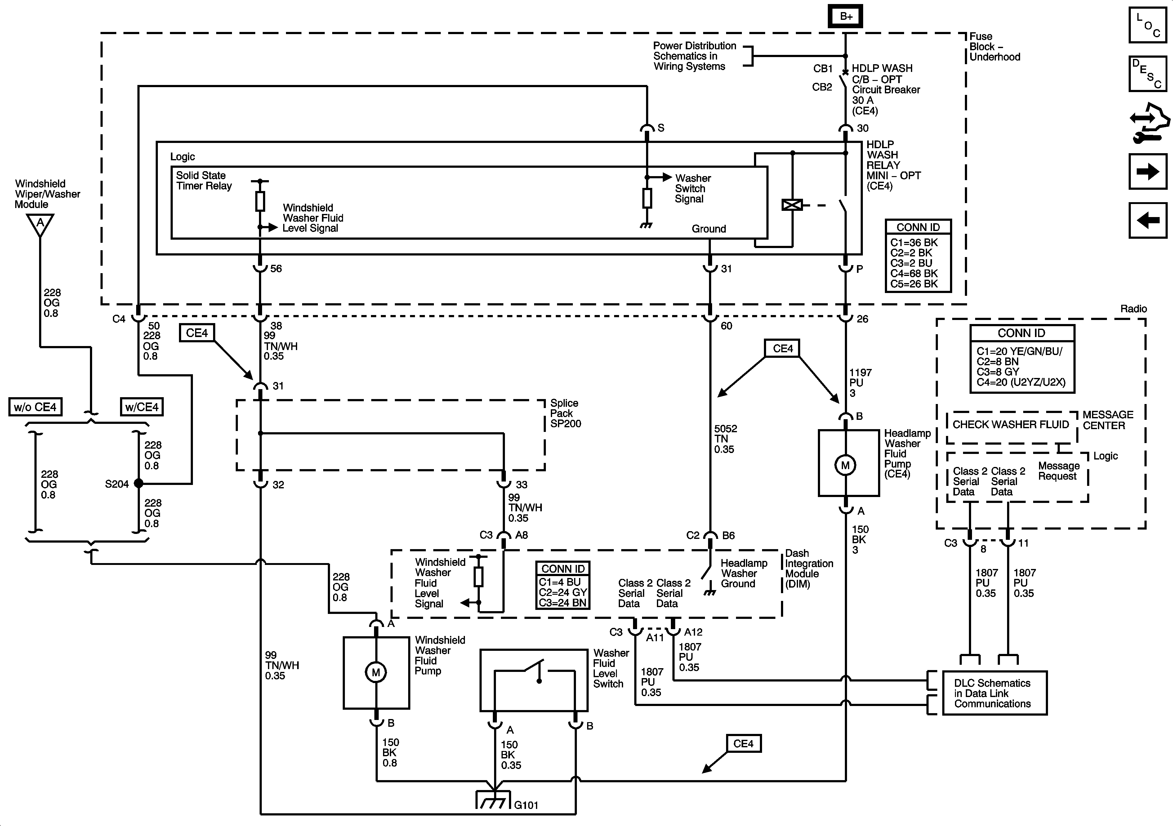
🢒 Windshield Washer Pump and Headlamp Washer and Washer Fluid Level Switch
Windshield Washer Pump and Headlamp Washer and Washer Fluid Level Switch
Windshild Washer Pump and Headlamp Washer and Washer Fluid Level Switch
Master Electrical Component List
Wiper/Washer System Description and Operation
Control Module References
Heated Washer Nozzles (XA7)
Power, Ground, Windshield Wiper/Washer Switch and Module
Power, Ground, Windshield Wiper/Washer Switch and Module
G101
Underhood Fuse Block B+ Bus - 1 of 2
Class 2 Serial Data Bus (LHD) - 2 of 2