GM Service Manual Online
For 1990-2009 cars only
Makes
🢒
Cadillac
🢒
2007
🢒
CTS
🢒
Diagnostic Navigation
🢒
Vehicle Diagnostic Information
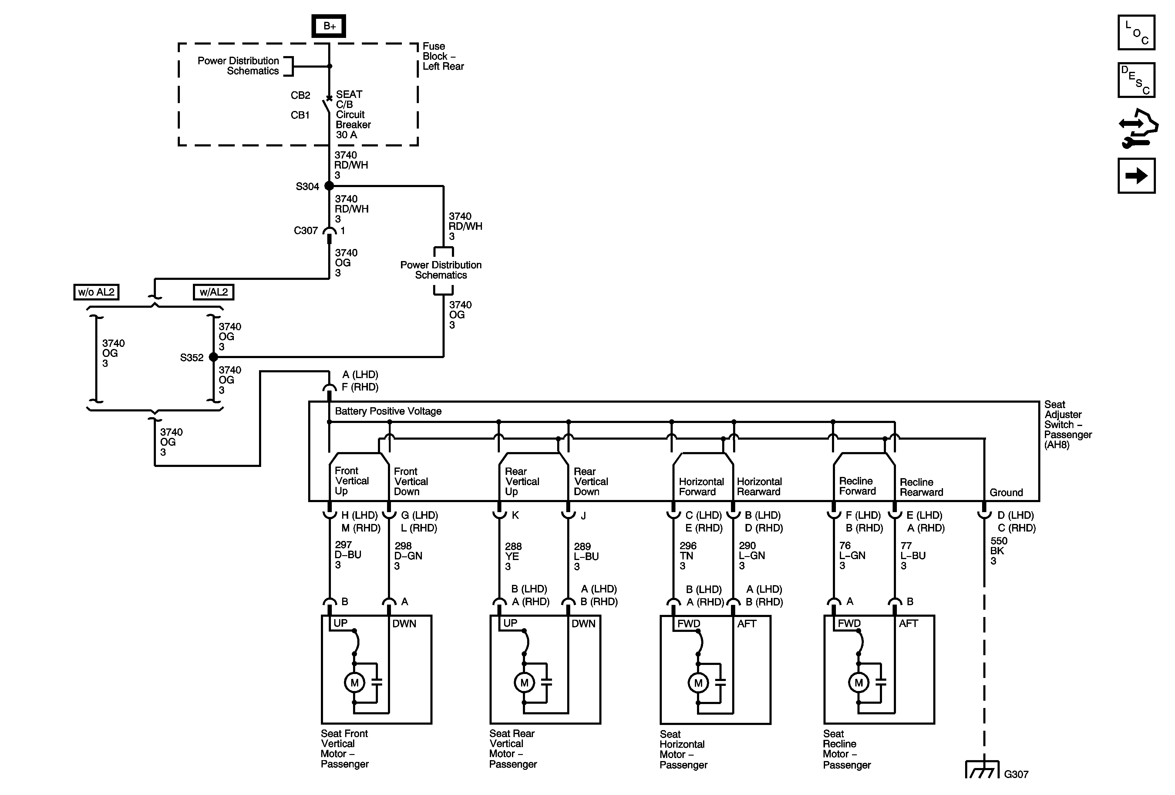
🢒 Passenger Seat Schematics
Figure
1:
Power Seat - Messenger (AH8)
Master Electrical Component List
Power Seats System Description and Operation
Control Module References
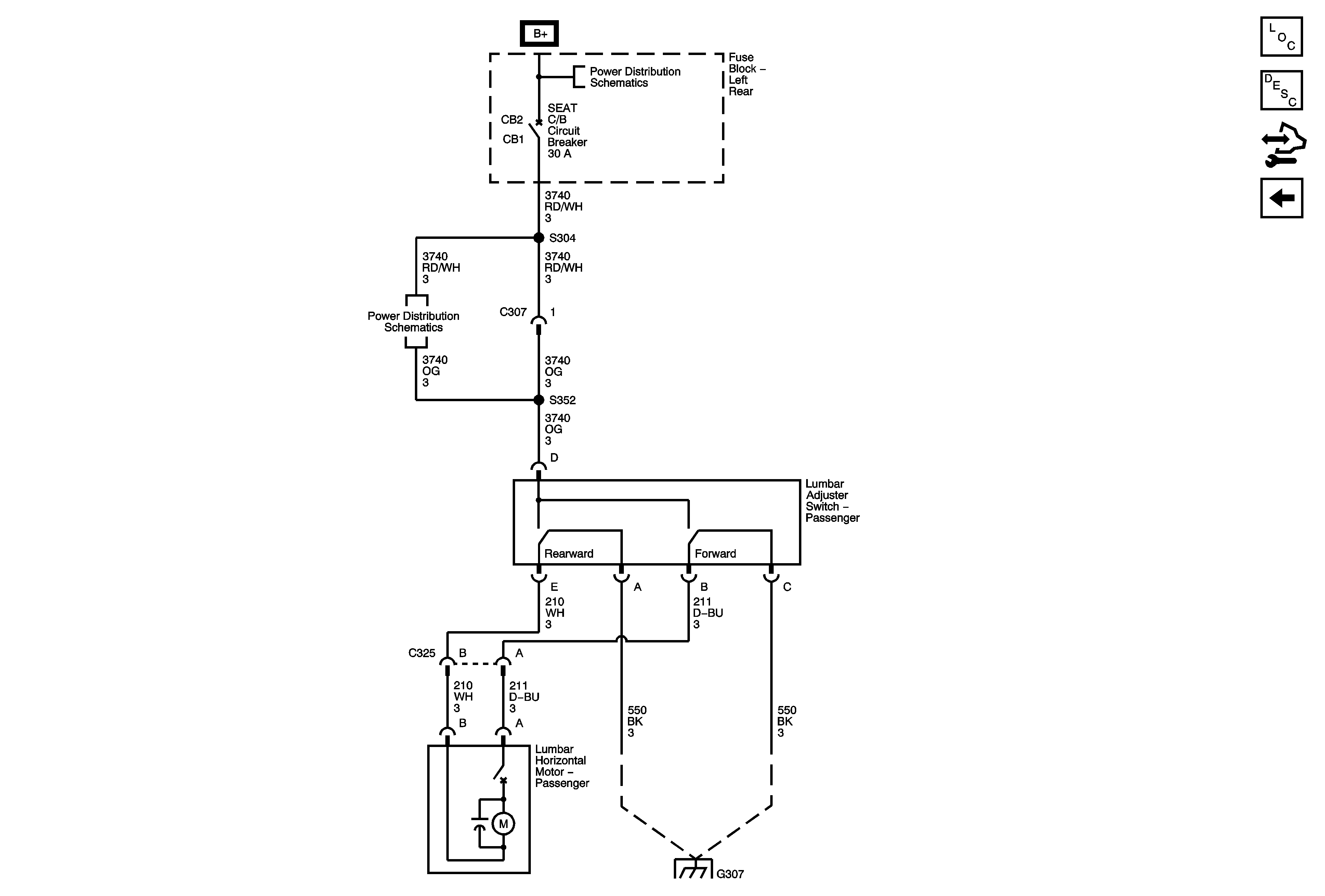
Power Lumbar - Passenger (AL2)
Underhood Fuse Block B+ BUS 2 of 2
Left Rear Fuse Block Seat Circuit Breaker, Trunk Relay/Fuse, Amp, Audio, Driver Dr MOD, and Rear DR MOD Fuse
G307
Figure
2:
Power Lumbar - Passenger (AL2)
Master Electrical Component List
Lumbar Support Description and Operation (w/o A45)
Control Module References
Power Seat - Passenger (AH8)
Underhood Fuse Block B+ BUS 2 of 2
Left Rear Fuse Block Seat Circuit Breaker, Trunk Relay/Fuse, Amp, Audio, Driver Dr MOD, and Rear DR MOD Fuse
G307