GM Service Manual Online
For 1990-2009 cars only
Makes
🢒
Cadillac
🢒
2007
🢒
CTS
🢒
Diagnostic Navigation
🢒
Vehicle Diagnostic Information
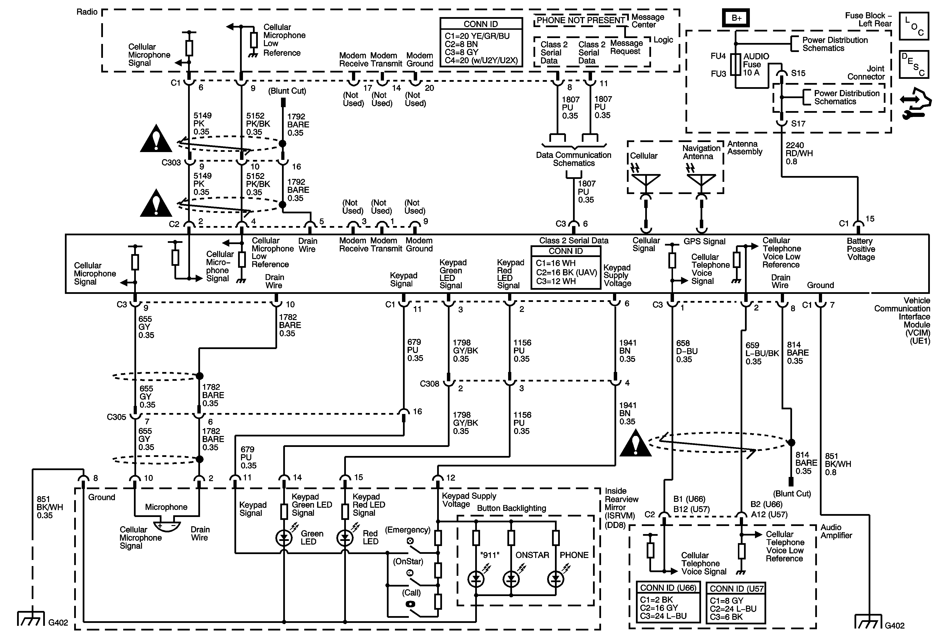
🢒 OnStar Schematics
OnStar (UE1)
Master Electrical Component List
OnStar Description and Operation
Control Module References
OnStar Schematics
OnStar Schematics
OnStar Schematics
OnStar Schematics
Class 2 Serial Data Bus - LHD (2 of 2)
Underhood Fuse Block B+ BUS 2 of 2
Left Rear Fuse Block Seat Circuit Breaker, Trunk Relay/Fuse, Amp, Audio, Driver Dr MOD, and Rear DR MOD Fuse
OnStar Schematics
G402 (1 of 2)
G402 (1 of 2)