GM Service Manual Online
For 1990-2009 cars only

Removal Procedure


    Object Number: 776828  Size: SH
  1. Open the hood.
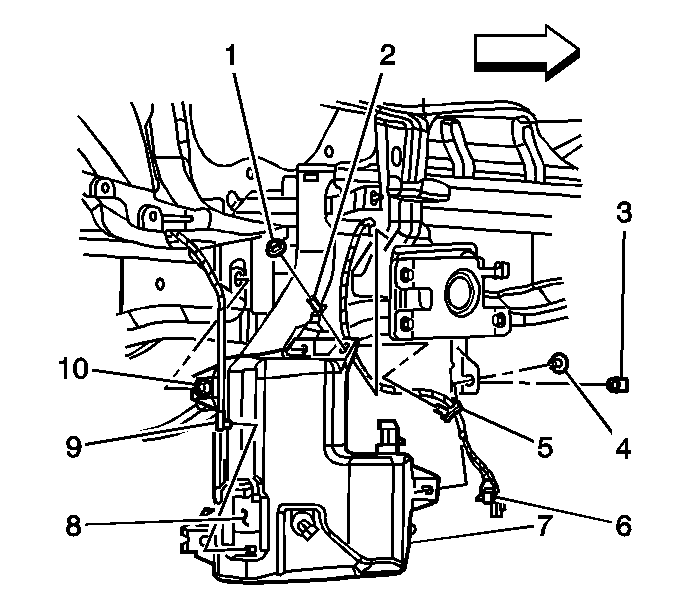
  2. Remove the bolt (3) securing the washer solvent container fill neck (2) to the upper tie bar (1).

  3. Object Number: 738140  Size: SH
  4. Remove the front air deflector. Refer to Front Air Deflector Replacement .
  5. Remove the front bumper fascia. Refer to Front Bumper Fascia Replacement .
  6. Remove the passenger side headlamp for LHD or the driver side headlamp for RHD. Refer to Headlamp Assembly or Headlamp Bulb and/or Cornering, Sidemarker, Park, Turn Signal Bulb Replacement .

  7. Object Number: 776825  Size: SH
  8. Drain the solvent from the washer solvent container.
  9. Disconnect the washer hose (9) from the washer pump (8).
  10. Disengage the electrical harness retainer clip (5) from the washer solvent container (7).
  11. Disconnect the electrical connector from the washer pump.
  12. Disconnect the electrical connector from the washer solvent level sensor.
  13. Remove the fasteners (1, 4, 10) from the washer solvent container.

  14. Object Number: 776826  Size: SH
  15. Loosen the clinch nut (3) from the horizontal bracket to the body rail.
  16. Disconnect the headlamp washer solvent hose from the washer pump.
  17. Carefully lift the washer solvent container from the key hole slot (1) in the body rail.
  18. Guide the fill neck down through the radiator support.
  19. Remove the washer solvent container from the vehicle.

  20. Object Number: 786875  Size: SH
  21. Remove and transfer the following components from the washer solvent container:
  22. • The windshield washer pump
    • The headlamp washer pump (4)
    • The washer level sensor switch
    • The horizontal bracket
    • The washer solvent container cap

Installation Procedure


    Object Number: 786875  Size: SH
  1. Install the following components to the washer solvent container:
  2. • The windshield washer pump
    • The headlamp washer pump (4)
    • The washer level sensor switch
    • The washer solvent container cap
    • The horizontal bracket

    Object Number: 776826  Size: SH
  3. Position the washer solvent container filler neck up through the radiator support.
  4. Engage the electrical harness retainer clip to the washer solvent container.
  5. Engage the clinch nut stud (3) to the key hole slot (1) in the engine cradle.
  6. Connect the headlamp washer pump hose to the washer pump.

  7. Object Number: 776825  Size: SH
  8. Ensure the washer solvent container is positioned over the stud (2) on the tie bar outer reinforcement panel.
  9. Notice: Refer to Fastener Notice in the Preface section.

  10. Install the fasteners (1, 4, 10) to the washer solvent container.
  11. Tighten
    Tighten the fasteners (1,4,10) to 6 N·m (53 lb in).

  12. Secure the clinch nut.
  13. Tighten
    Tighten the clinch nut to 6 N·m (53 lb in).

  14. Secure the horizontal bracket nut.
  15. Tighten
    Tighten the horizontal bracket nut to 6 N·m (53 lb in).

  16. Connect the washer hose (9) to the washer pump (8).
  17. Connect the electrical connector to the washer pump.
  18. Connect the electrical connector to the washer solvent level sensor.
  19. Install the headlamp. Refer to Headlamp Assembly or Headlamp Bulb and/or Cornering, Sidemarker, Park, Turn Signal Bulb Replacement .
  20. Install the front bumper fascia. Refer to Front Bumper Fascia Replacement .

  21. Object Number: 738140  Size: SH
  22. Install the front air deflector. Refer to Front Air Deflector Replacement .

  23. Object Number: 776828  Size: SH
  24. Install the bolt (3) in order to secure the washer solvent container filler neck (2) to the upper tie bar (1).
  25. Tighten
    Tighten the bolt to 6 N·m (53 lb in).

  26. Fill the washer solvent container.
  27. Close the hood.