GM Service Manual Online
For 1990-2009 cars only

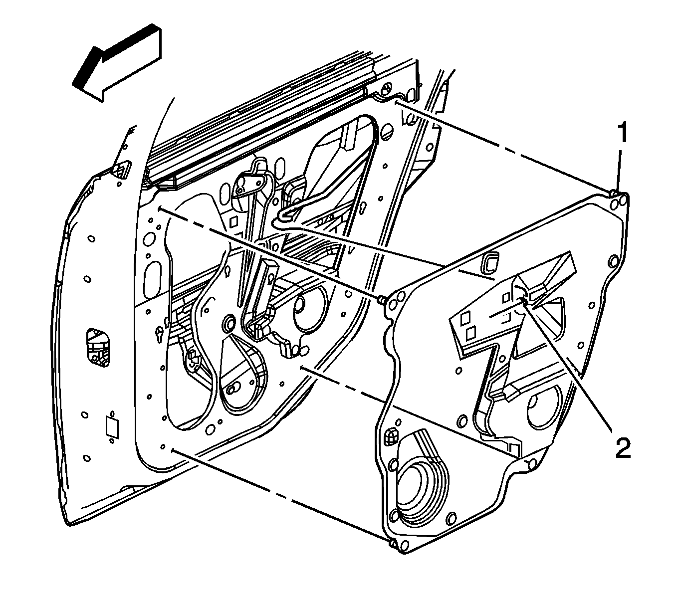
Removal Procedure


    Object Number: 758754  Size: SH
  1. Remove the door trim panel. Refer to Rear Side Door Trim Panel Replacement .
  2. Remove the door module. Refer to Door Control Module Replacement .
  3. Remove the inside door handle. Refer to Rear Side Door Inside Handle Replacement .
  4. Remove the push-in fasteners (2) at the corners of the water deflector.
  5. Pull the water deflector (1) away from the door, being careful not to damage the sealer.

Installation Procedure


    Object Number: 758754  Size: SH
  1. Clean the water deflector to the inner door panel mating surface with denatured alcohol or the equivalent.
  2. Route the inside handle rod through the opening in the water deflector.
  3. Align the water deflector to the door assembly.
  4. Install the push-in fasteners (2) at the corners of the water deflector.
  5. Seat the water deflector (1) to the door using a rolling tool.
  6. Install the inside door handle. Refer to Rear Side Door Inside Handle Replacement .
  7. Install the door module. Refer to Door Control Module Replacement .
  8. Install the door trim panel. Refer to Rear Side Door Trim Panel Replacement .