GM Service Manual Online
For 1990-2009 cars only
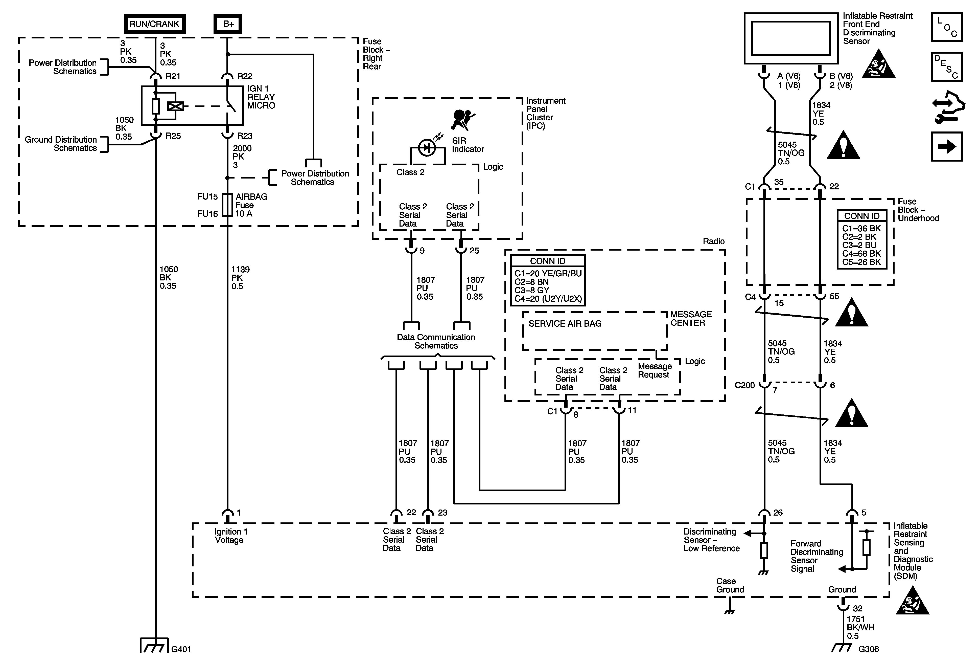
Figure 1:

Power, Ground, Indicator DIC, and Front End Discriminating Sensor


Object Number: 1787502  Size: FS
Master Electrical Component List
SIR System Description and Operation
Control Module References
Driver SIR Modules and Sensor
Ignition Switch 2 of 2
G401
Right Rear Fuse Block B+ Bus
Class 2 Serial Data Bus - LHD (2 of 2)
G401
SIR Schematic Icons
SIR Schematic Icons
SIR Schematic Icons
G102, G105, G110, G303, G304, and G306
SIR Schematic Icons
SIR Schematic Icons
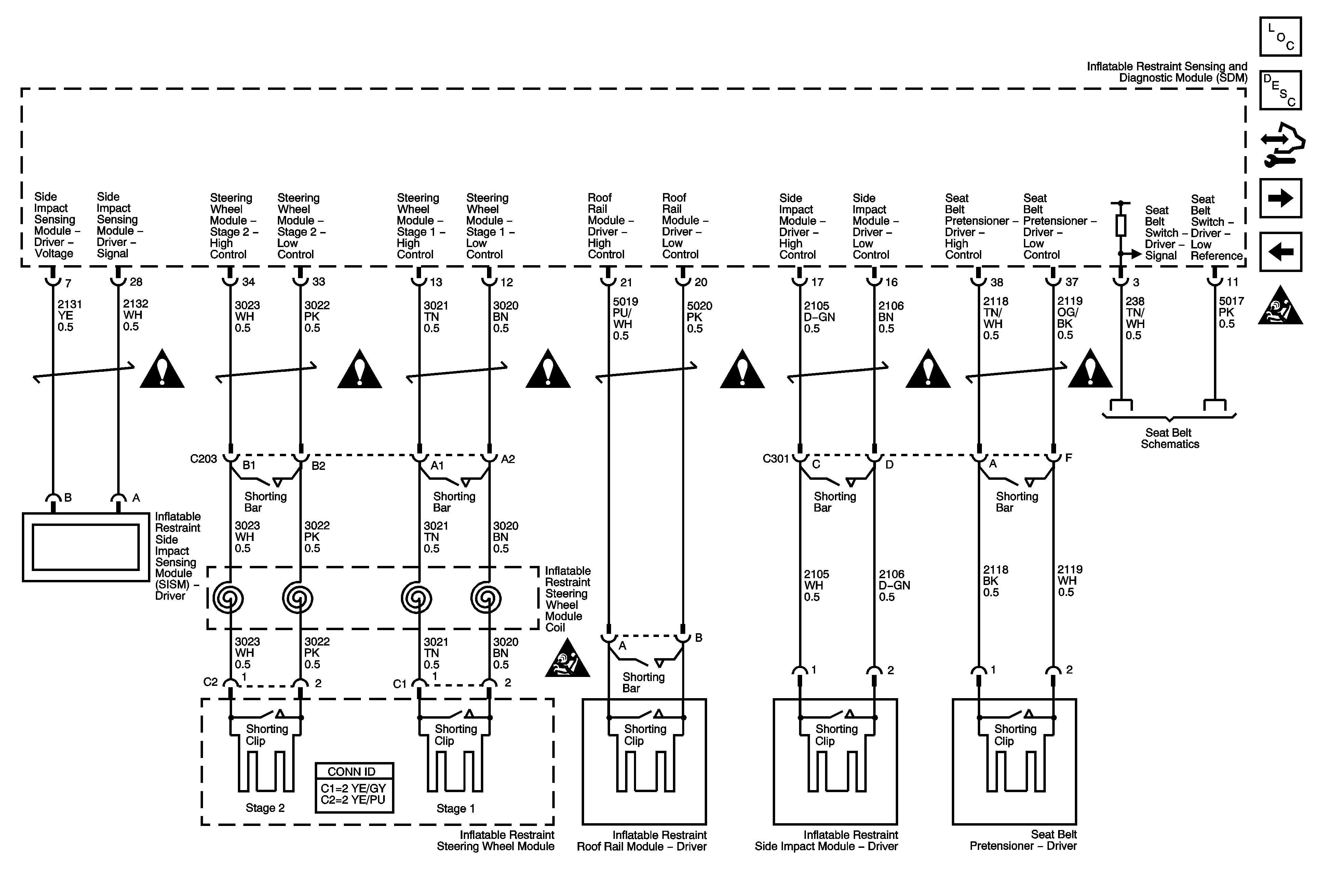
Figure 2:

Driver SIR Modules and Sensor


Object Number: 1787511  Size: FS
Master Electrical Component List
SIR System Description and Operation
Control Module References
Passenger SIR Modules and Sensor
Power, Ground, Indicator DIC, and Front End Discriminating Sensor
SIR Schematic Icons
SIR Schematic Icons
SIR Schematic Icons
SIR Schematic Icons
SIR Schematic Icons
SIR Schematic Icons
SIR Schematic Icons
SIR Schematic Icons
Seat Belt Schematics
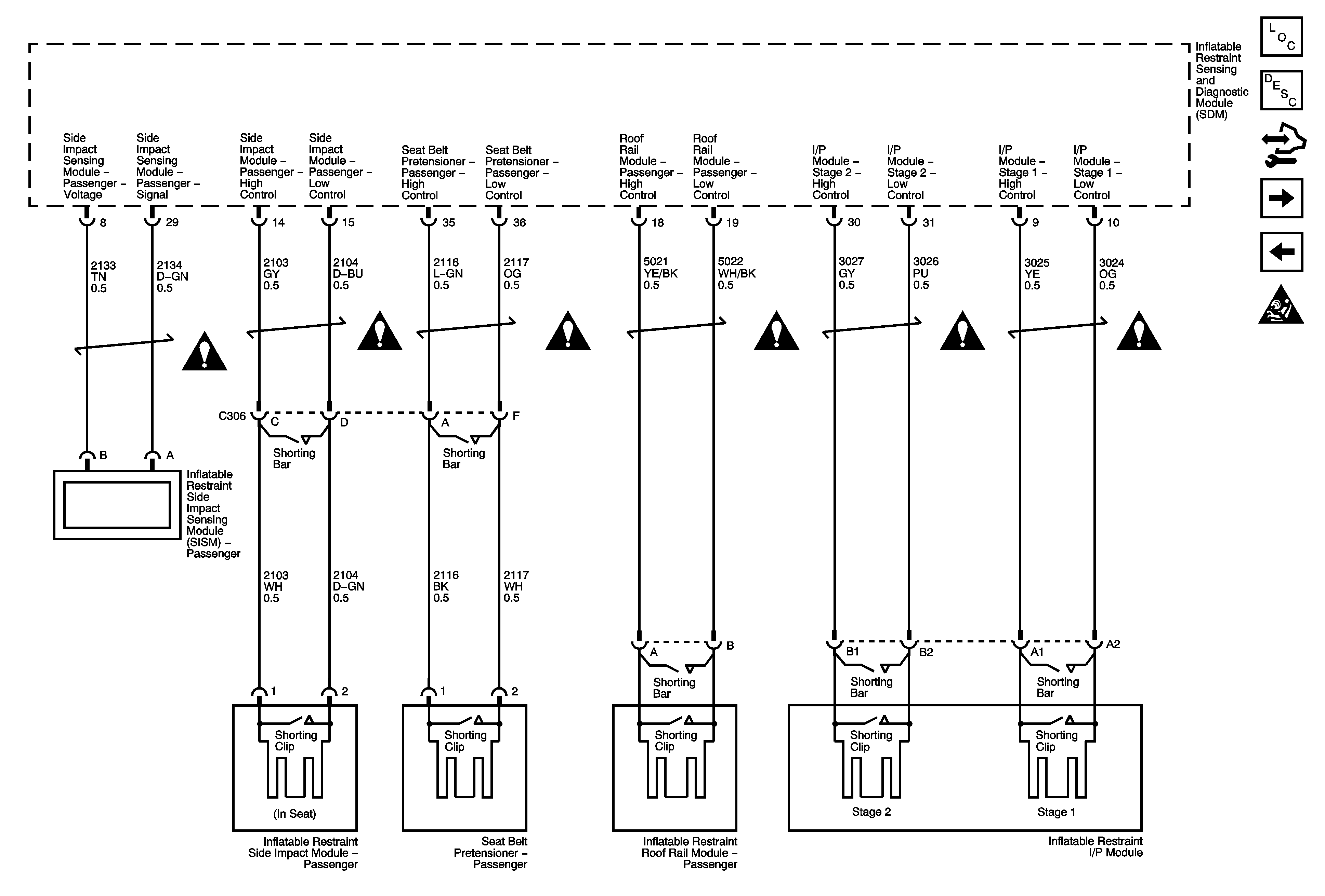
Figure 3:

Passenger SIR Modules and Sensor


Object Number: 1787541  Size: FS
Master Electrical Component List
SIR System Description and Operation
Control Module References
Inflatable Restraint Front Passenger Presence System (PPS)
Driver SIR Modules and Sensor
SIR Schematic Icons
SIR Schematic Icons
SIR Schematic Icons
SIR Schematic Icons
SIR Schematic Icons
SIR Schematic Icons
SIR Schematic Icons
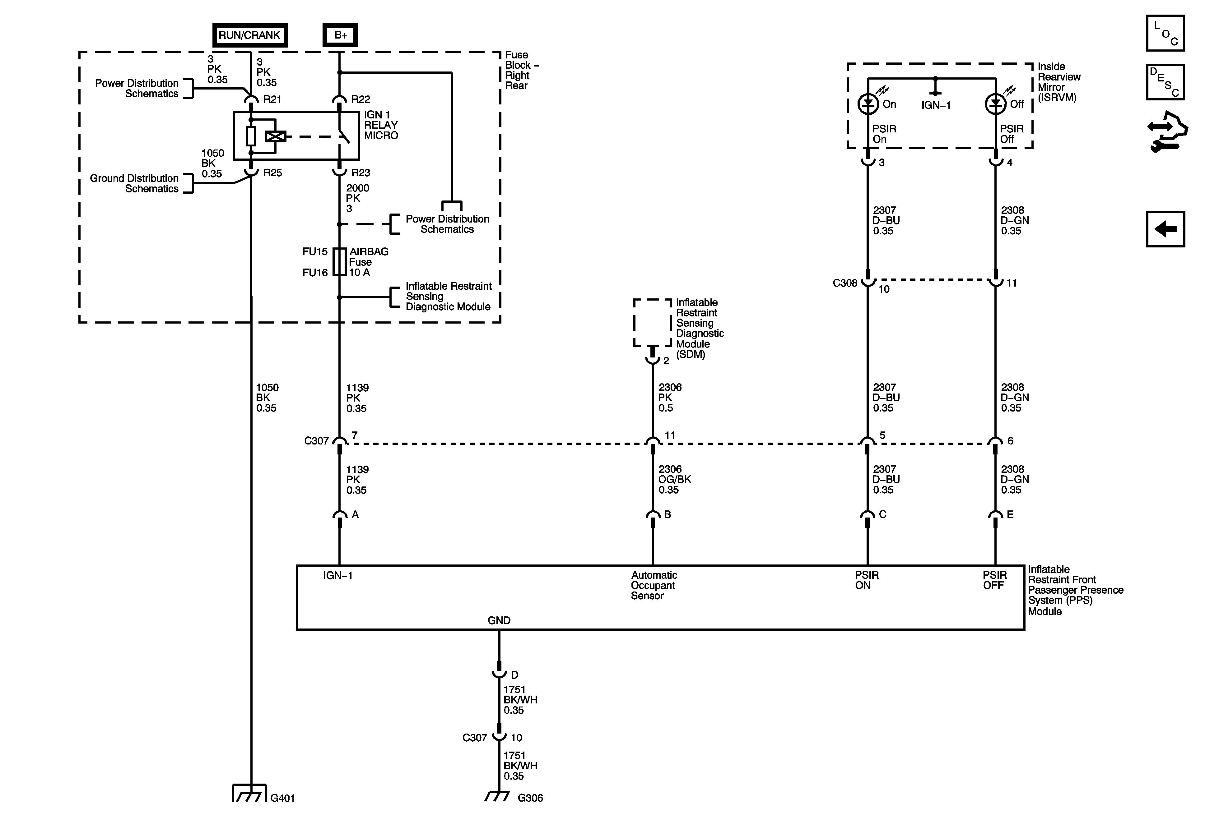
Figure 4:

Inflatable Restraint Front Passenger Pressence System (PPS)


Object Number: 1787545  Size: FS
Master Electrical Component List
SIR System Description and Operation
Control Module References
Passenger SIR Modules and Sensor
Ignition Switch 2 of 2
G401
Right Rear Fuse Block B+ Bus
Power, Ground, Indicator DIC, and Front End Discriminating Sensor
G401
G102, G105, G110, G303, G304, and G306