GM Service Manual Online
For 1990-2009 cars only
Makes
🢒
Cadillac
🢒
2007
🢒
CTS
🢒 BPP Sensor, Switches, and Indicators - 6.0L (LS2)
BPP Sensor, Switches, and Indicators - 6.0L (LS2)
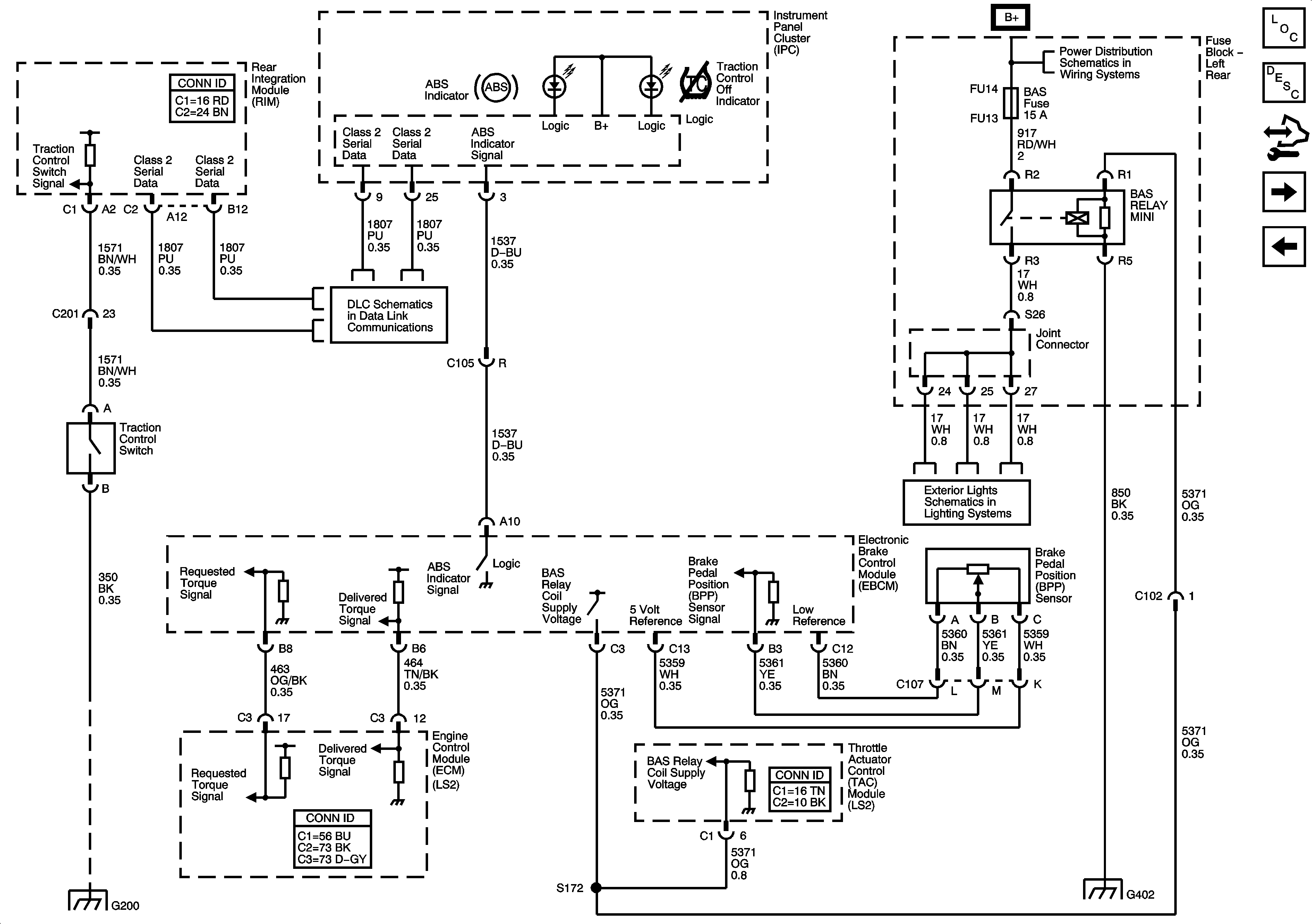
Brake Pedal Position (BPP) Sensor, Switches, and Indicators - 6.0L (LS2)
Master Electrical Component List
ABS Description and Operation
Control Module References
Wheel Speed Sensors and Variable Effort Steering Actuator
BPP Sensor, Switches, and Indicators - 2.8L/3.6L (LP1/LY7)
Class 2 Serial Data Bus (LHD) - 1 of 2
Stop Lamps, BPP Sensor, and BAS Fuse/Relay - Domestic and Export
G200
G402 - 2 of 2