GM Service Manual Online
For 1990-2009 cars only
Makes
🢒
Cadillac
🢒
2007
🢒
CTS
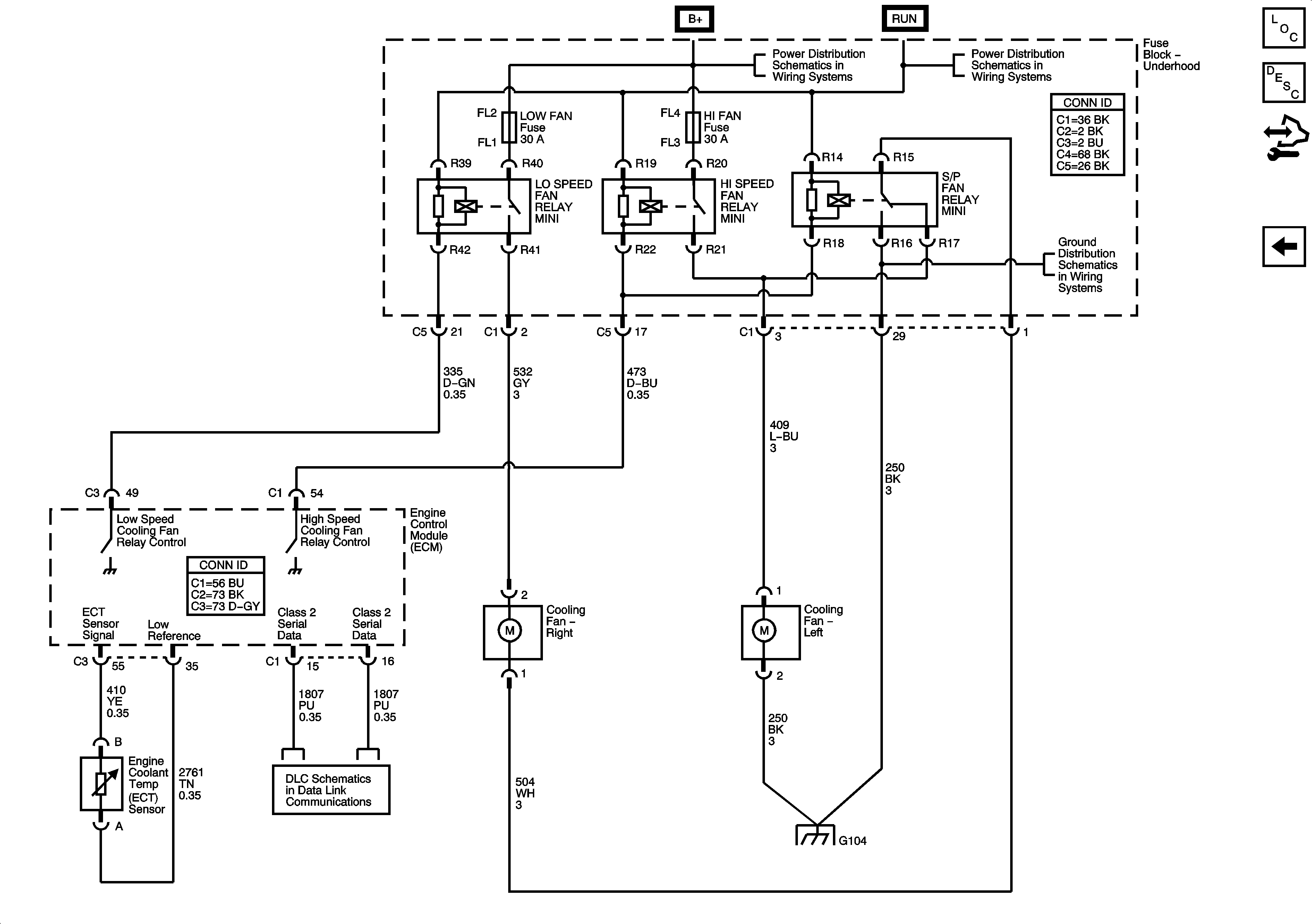
🢒 Cooling Fans 6.0L (LS2)
Cooling Fans 6.0L (LS2)
Cooling Fans - 6.0L (LS2)
Master Electrical Component List
Cooling System Description and Operation
Control Module References
Cooling Fans 2.8L/3.6L (LP1/LY7)
Class 2 Serial Data Bus (LHD) - 1 of 2
Underhood Fuse Block - COOLING FAN Fuses/Relays, MAIN Relay, ECM and TOS Fuses
Underhood Fuse Block - COOLING FAN Fuses/Relays, MAIN Relay, ECM and TOS Fuses
G104 - 1 of 2
G104 - 1 of 2