GM Service Manual Online
For 1990-2009 cars only
Makes
🢒
Cadillac
🢒
2007
🢒
CTS
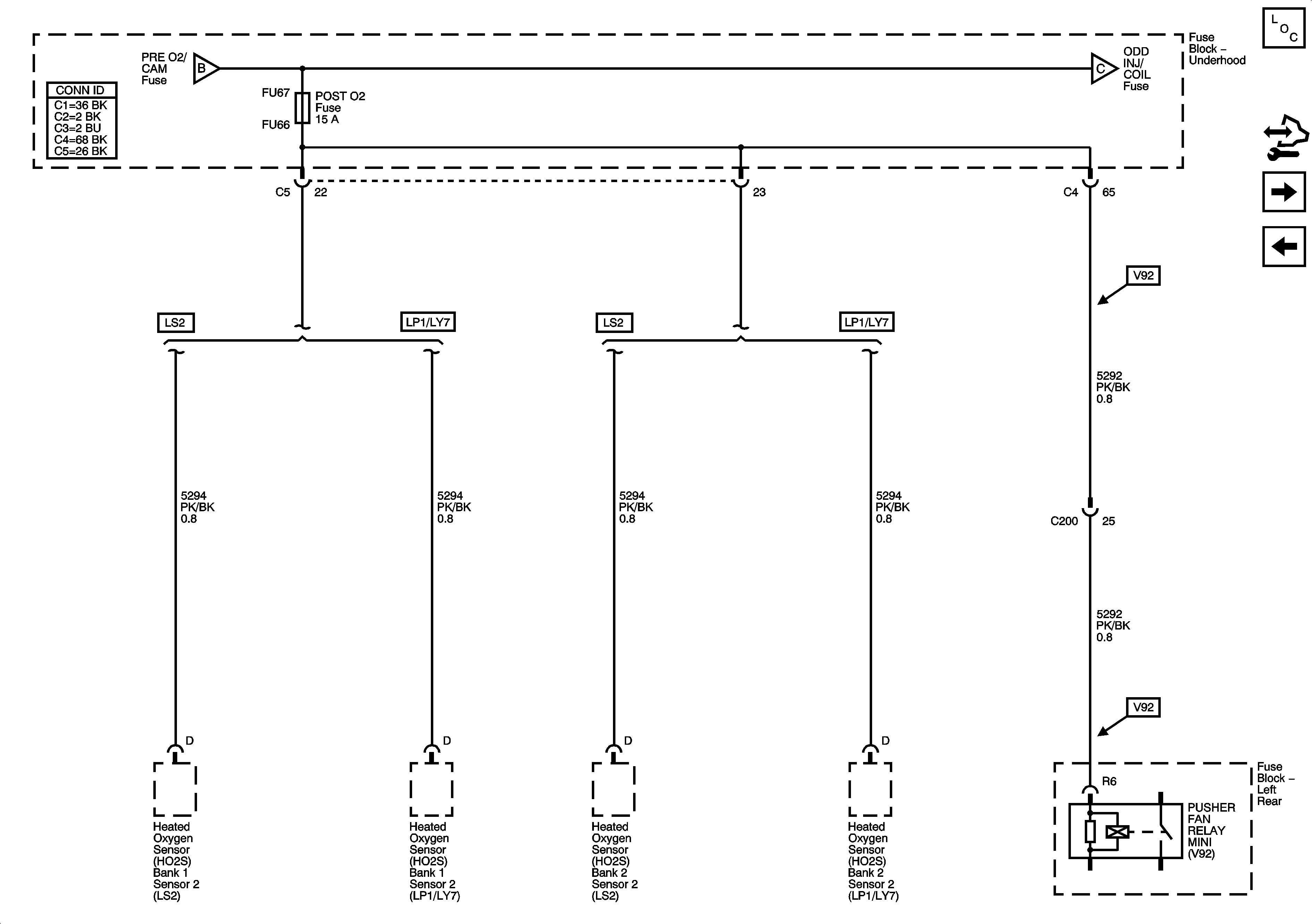
🢒 Underhood Fuse Block - POST O2 Fuse
Underhood Fuse Block - POST O2 Fuse
Underhood Fuse Block - POST 02 Fuse
Master Electrical Component List
Control Module References
Underhood Fuse Block - ODD INJ/COIL Fuse
Underhood Fuse Block - PRE O2/CAM Fuse
Underhood Fuse Block - PRE O2/CAM Fuse
Underhood Fuse Block - ODD INJ/COIL Fuse