GM Service Manual Online
For 1990-2009 cars only
Makes
🢒
Cadillac
🢒
2007
🢒
CTS
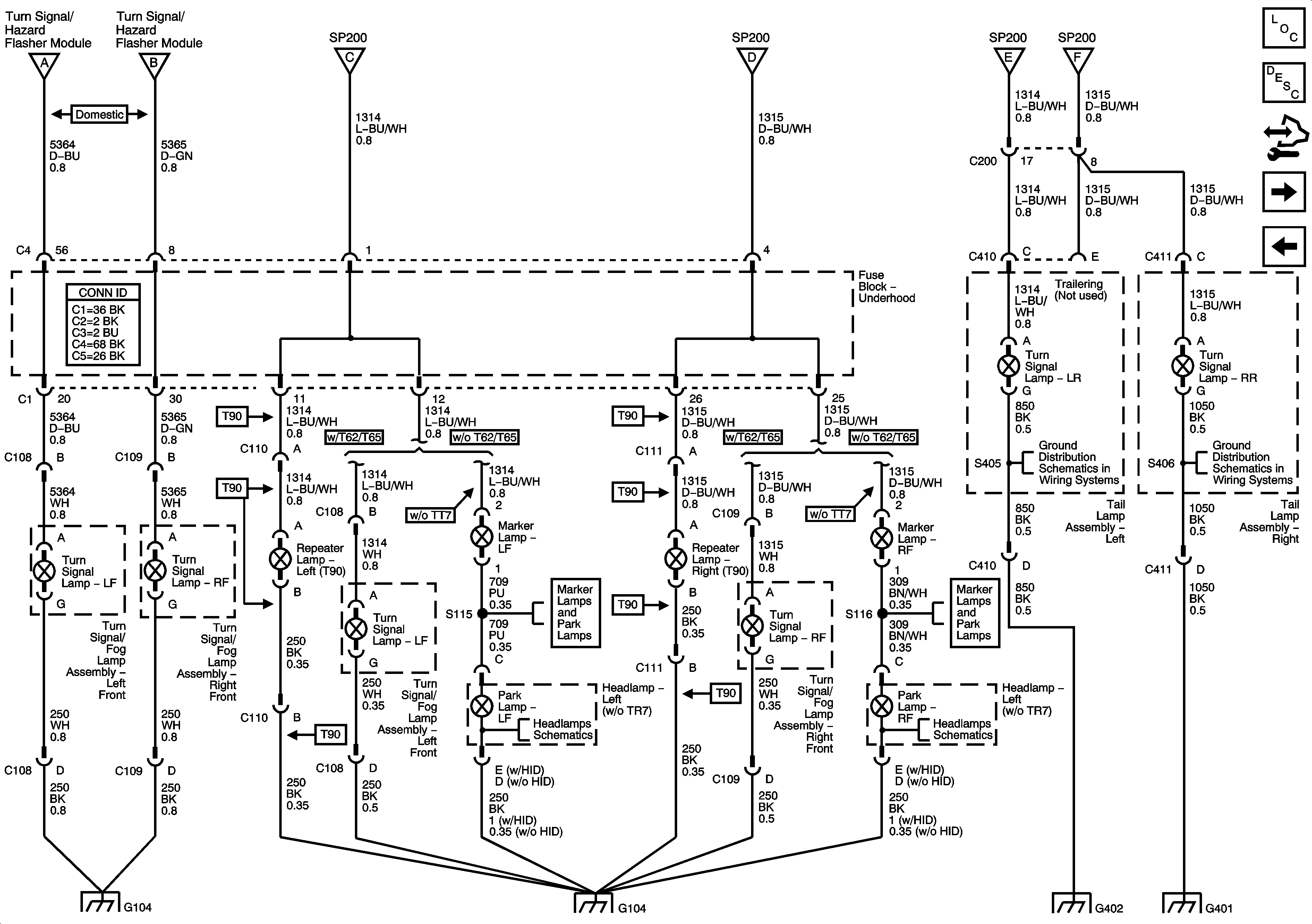
🢒 Turn Signal Lamps - Domestic and Export, and Repeator Lamps - Export w/T90
Turn Signal Lamps - Domestic and Export, and Repeator Lamps - Export w/T90
Turn Signal Lamps - Domestic and Export, Repeataer Lamps - Export w/T9D
Master Electrical Component List
Exterior Lighting Systems Description and Operation
Control Module References
Front Marker Lamps (TT7) and Front Park Lamps (w/o TT7)
Turn Signal/Hazard Flasher Module
Turn Signal/Hazard Flasher Module
Turn Signal/Hazard Flasher Module
G104 - 1 of 2
Turn Signal/Hazard Flasher Module
Front Marker Lamps (TT7) and Front Park Lamps (w/o TT7)
Headlamps
G104 - 1 of 2
Turn Signal/Hazard Flasher Module
Front Marker Lamps (TT7) and Front Park Lamps (w/o TT7)
Headlamps
Turn Signal/Hazard Flasher Module
Turn Signal/Hazard Flasher Module
G402 - 2 of 2
G401
G402 - 2 of 2
G401