GM Service Manual Online
For 1990-2009 cars only
Makes
🢒
Cadillac
🢒
2007
🢒
CTS
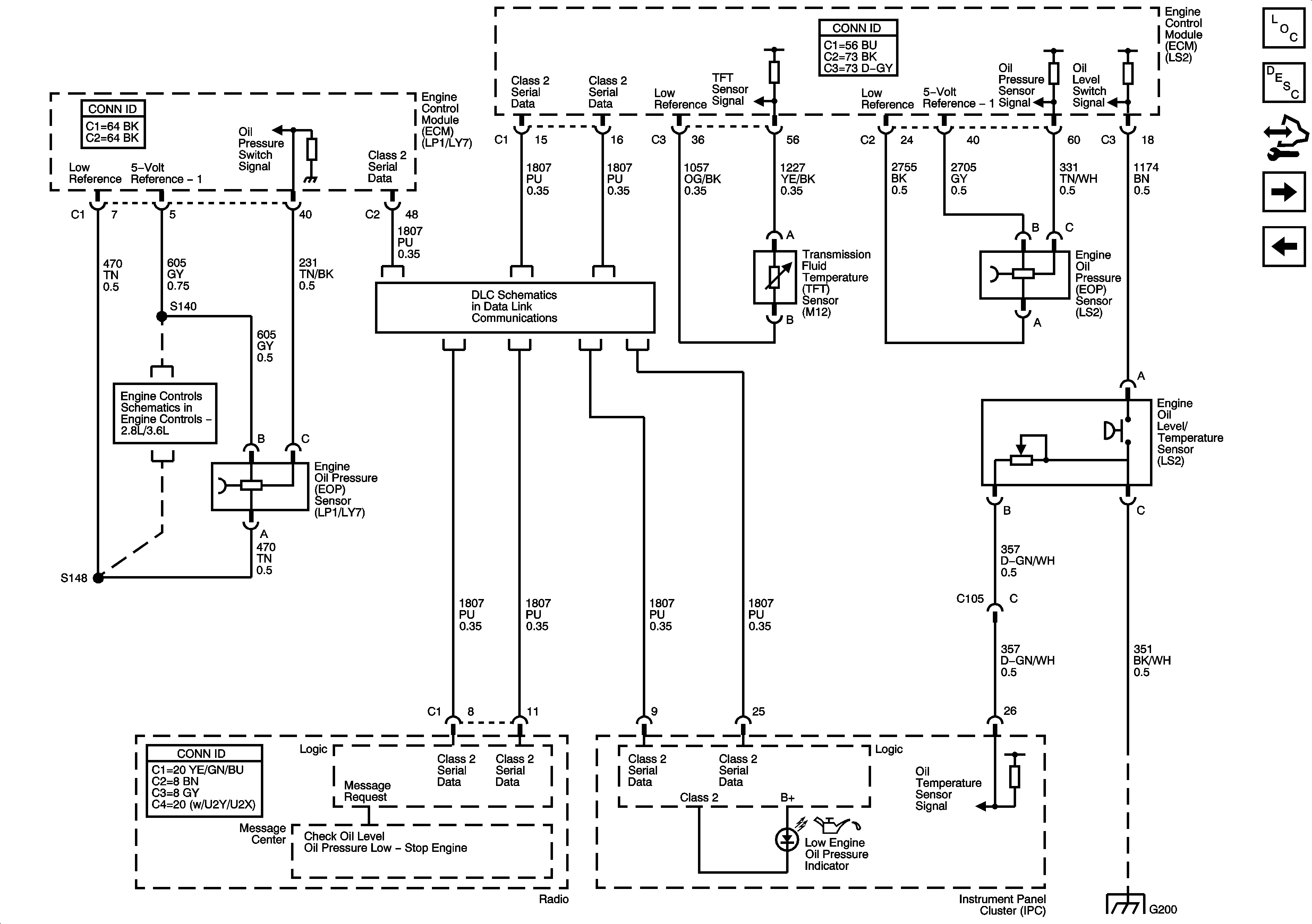
🢒 Engine Oil Pressure (EOP) sensor, Engine Oil Level/Temperature Sensor, TFT Indicator
Engine Oil Pressure (EOP) sensor, Engine Oil Level/Temperature Sensor, TFT Indicator
Engine Oil Pressure (EOP) Sensor, Engine Oil Level/Temperature Sensor, TFT, and Indicators
Master Electrical Component List
Instrument Cluster Description and Operation
Control Module References
Gages - 2.8L/3.6L (LP1/LY7)
Electronic PRNDL (M82)
Power, Ground, Serial Data, DIC, and Indicators
Class 2 Serial Data Bus (LHD) - 2 of 2
G140, G141, and G142 (LS2)