GM Service Manual Online
For 1990-2009 cars only
Makes
🢒
Cadillac
🢒
2007
🢒
CTS
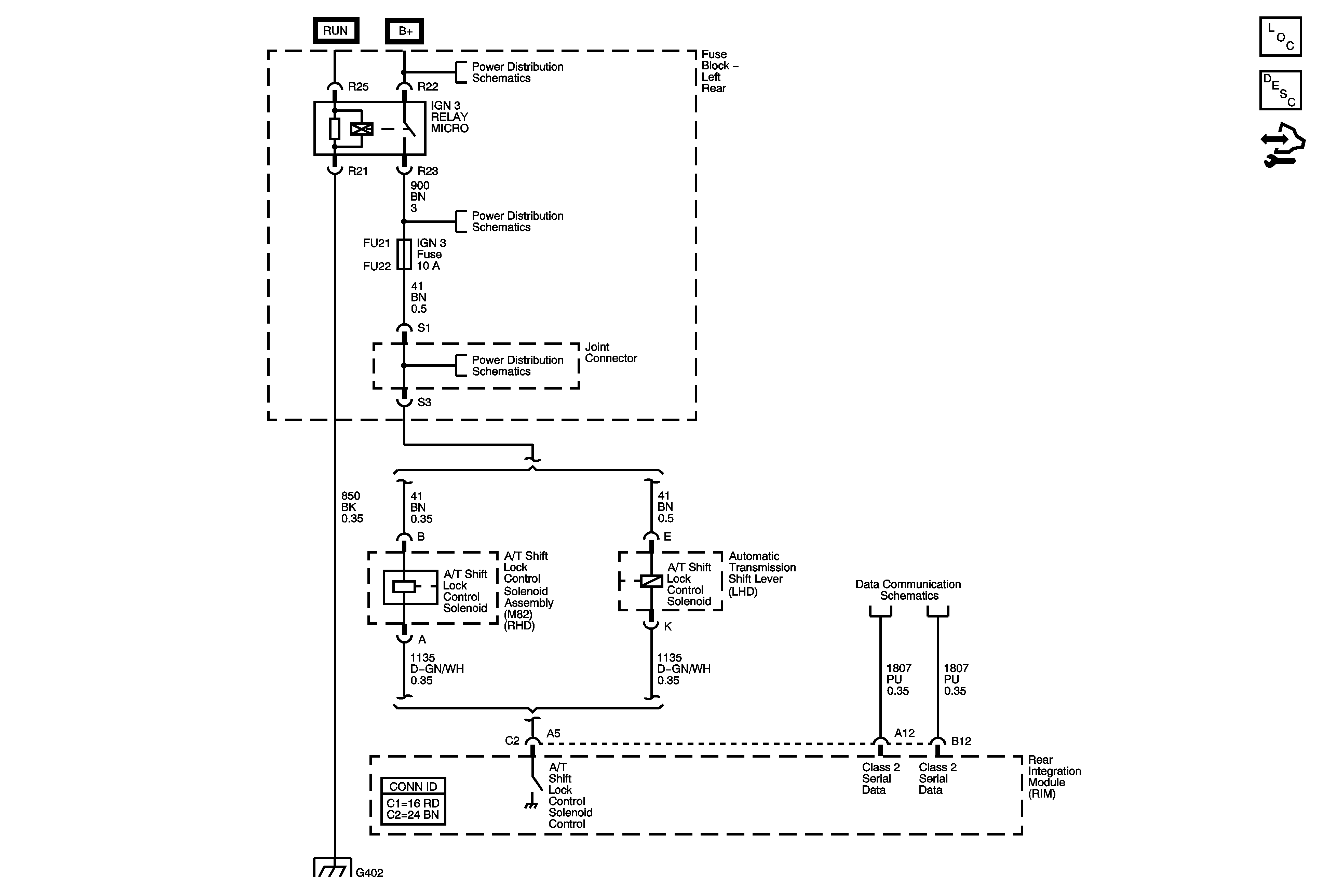
🢒 Shift Lock Control (M82) Schematics
Shift Lock Control (M82) Schematics
Master Electrical Component List
Automatic Transmission Shift Lock Control Description and Operation
Control Module References
Left Rear Fuse Block Ign 3 Relay, LFRT HTD Seat MOD, MEM/ADAPT Seat, CCP, HDLP Leveling and IGN 3 Fuses
Left Rear Fuse Block Ign 3 Relay, LFRT HTD Seat MOD, MEM/ADAPT Seat, CCP, HDLP Leveling and IGN 3 Fuses
Left Rear Fuse Block Ign 3 Relay, LFRT HTD Seat MOD, MEM/ADAPT Seat, CCP, HDLP Leveling and IGN 3 Fuses
G402 (2 of 2)
Class 2 Serial Data Bus - LHD (2 of 2)