GM Service Manual Online
For 1990-2009 cars only
Makes
🢒
Cadillac
🢒
2007
🢒
CTS
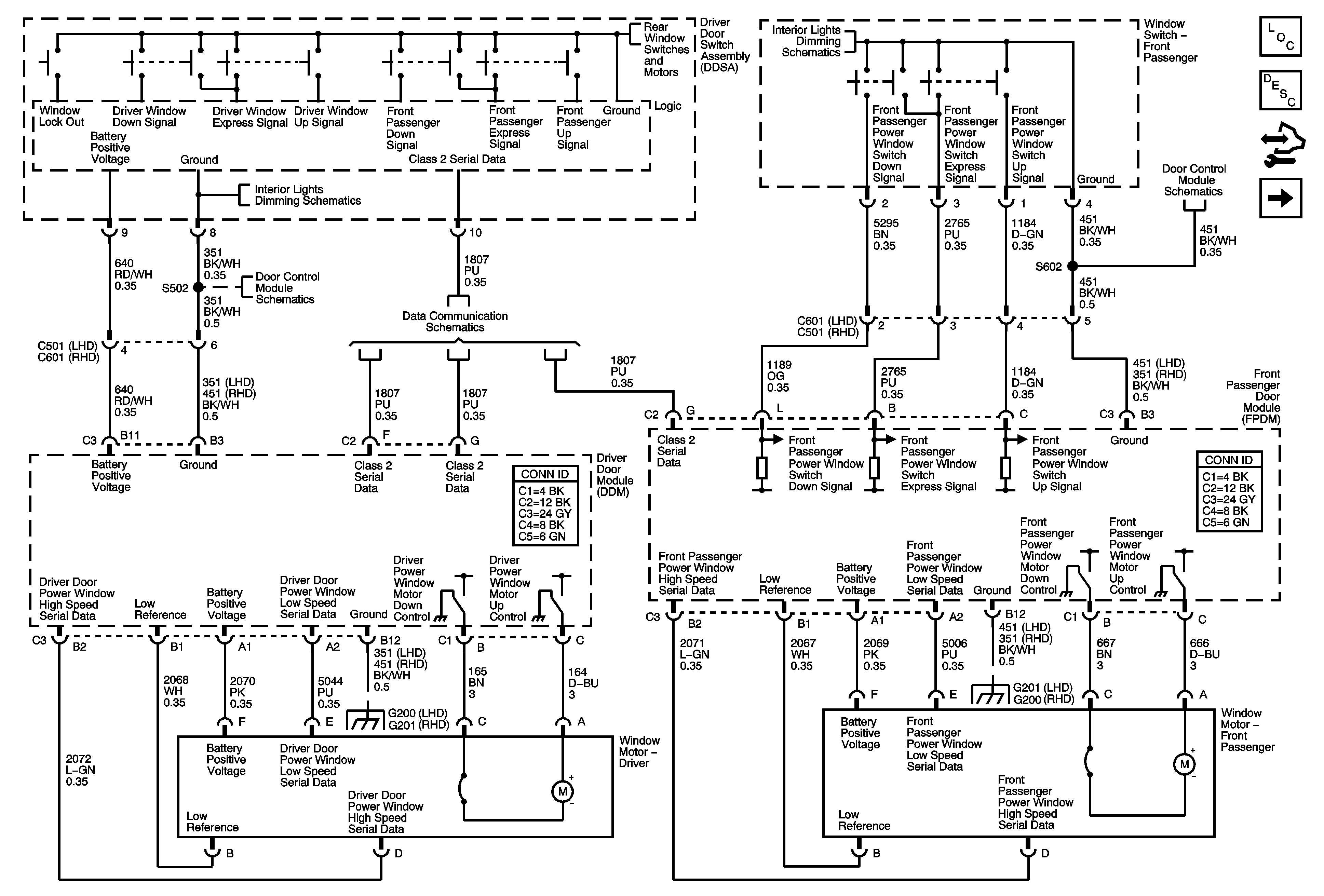
🢒 Front Power Window Switches and Motor
Front Power Window Switches and Motor
Front Power Window Switches and Motor
Master Electrical Component List
Power Windows Description and Operation
Control Module References
Rear Power Window Switches and Motors
Driver Door Module (DDM) Power, Ground and Serial Data
Power, Ground and Serial Data 2 of 2
Class 2 Serial Data Bus - LHD (1 of 2)
Rear Power Window Switches and Motors
Power, Ground and Serial Data 2 of 2
Front Passenger Door Module (FPDM) Power, Ground and Serial Data
G200
G201