GM Service Manual Online
For 1990-2009 cars only
Makes
🢒
Cadillac
🢒
2007
🢒
CTS
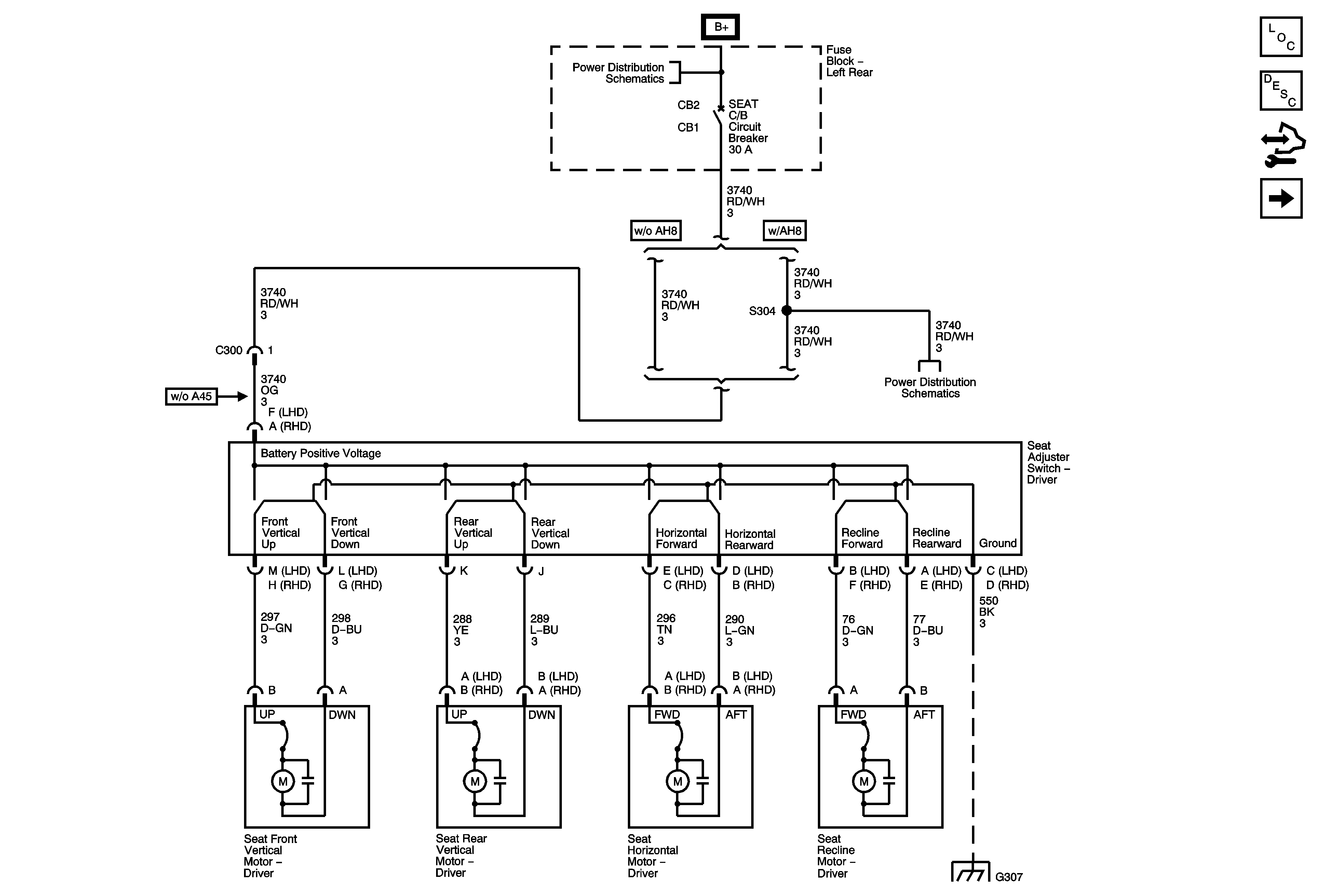
🢒 Power Seat - Driver
Power Seat - Driver
Power Seat - Driver
Master Electrical Component List
Power Seats System Description and Operation
Control Module References
Memory Seat Module (MSM) Power, Ground Driver Seat Adjuster Swtich (A450
Left Rear Fuse Block Seat Circuit Breaker, Trunk Relay/Fuse, Amp, Audio, Driver Dr MOD, and Rear DR MOD Fuse
Left Rear Fuse Block Seat Circuit Breaker, Trunk Relay/Fuse, Amp, Audio, Driver Dr MOD, and Rear DR MOD Fuse
G307