GM Service Manual Online
For 1990-2009 cars only
Makes
🢒
Cadillac
🢒
2007
🢒
CTS
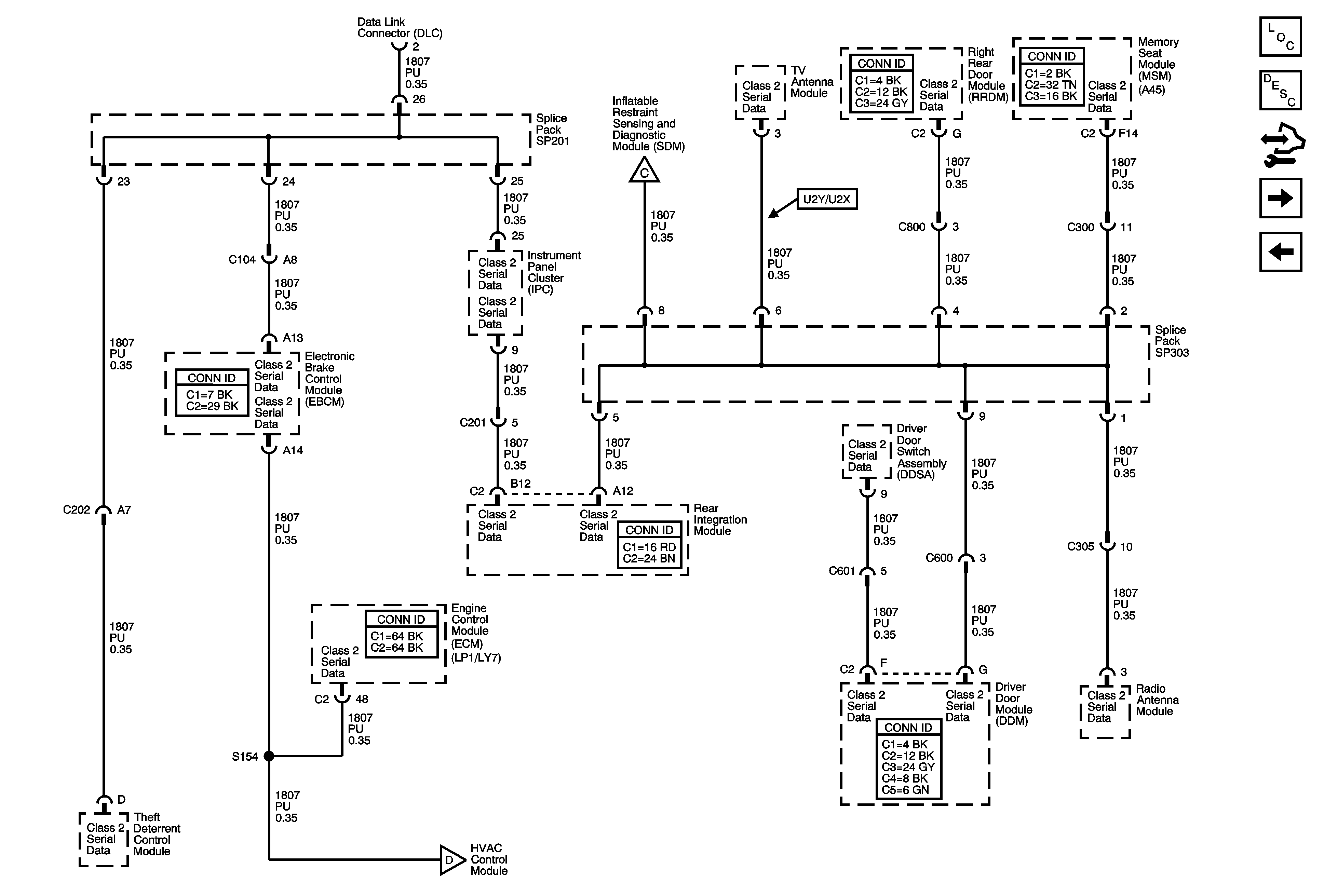
🢒 Class 2 (1 of 2) Serial Data Bus - RHD
Class 2 (1 of 2) Serial Data Bus - RHD
Class 2 Serial Data Bus - RHD - 1 of 2
Master Electrical Component List
Data Link Communications Description and Operation
Control Module References
Class 2 (2 of 2 - RHD)
Class 2 Serial Data Bus - LHD (2 of 2)
Class 2 (2 of 2 - RHD)
Class 2 (2 of 2 - RHD)