GM Service Manual Online
For 1990-2009 cars only
Makes
🢒
Cadillac
🢒
2007
🢒
CTS
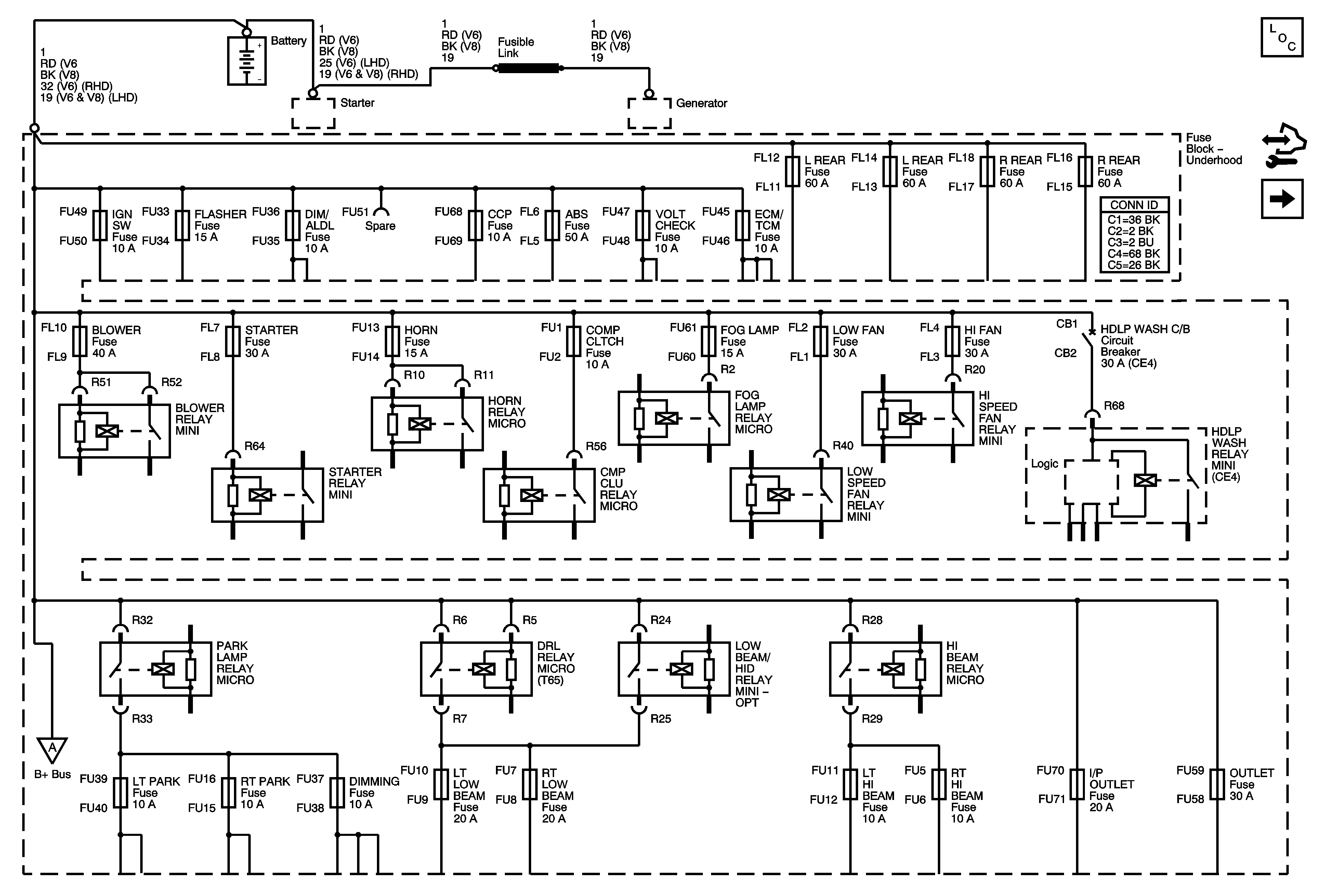
🢒 Underhood Fuse Block B+ 1 of 2
Underhood Fuse Block B+ 1 of 2
Underhood Fuse Block B+ Bus 1 of 2
Master Electrical Component List
Control Module References
Underhood Fuse Block B+ BUS 2 of 2
Underhood Fuse Block B+ BUS 2 of 2