GM Service Manual Online
For 1990-2009 cars only
Makes
🢒
Cadillac
🢒
2007
🢒
CTS
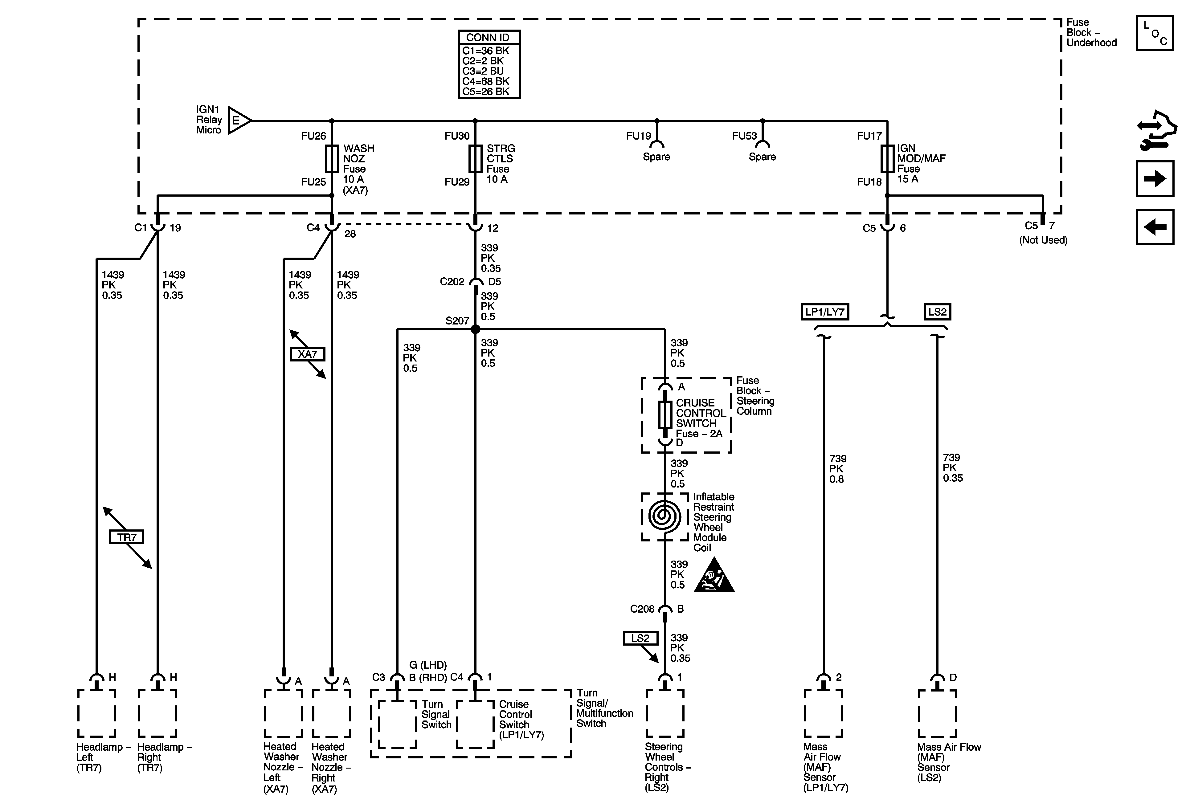
🢒 Underhood Fuse Block Wash noz, Strg (TL) and IGN MOD/MAF Fuses
Underhood Fuse Block Wash noz, Strg (TL) and IGN MOD/MAF Fuses
Underhood Fuse Block - WASH NOZ, STRG CTLS, and IGN MOD/MAF Fuses
Master Electrical Component List
Control Module References
Left Rear Fuse Block Ign 3 Relay, LFRT HTD Seat MOD, MEM/ADAPT Seat, CCP, HDLP Leveling and IGN 3 Fuses
Underhood Fuse Block Starter Relay, IGN 1 Relay, HTR VLV/Clutch and TCM/IPC Fuses
Underhood Fuse Block Starter Relay, IGN 1 Relay, HTR VLV/Clutch and TCM/IPC Fuses
Power and Grounding Schematic Icons