GM Service Manual Online
For 1990-2009 cars only
Makes
🢒
Cadillac
🢒
2007
🢒
CTS
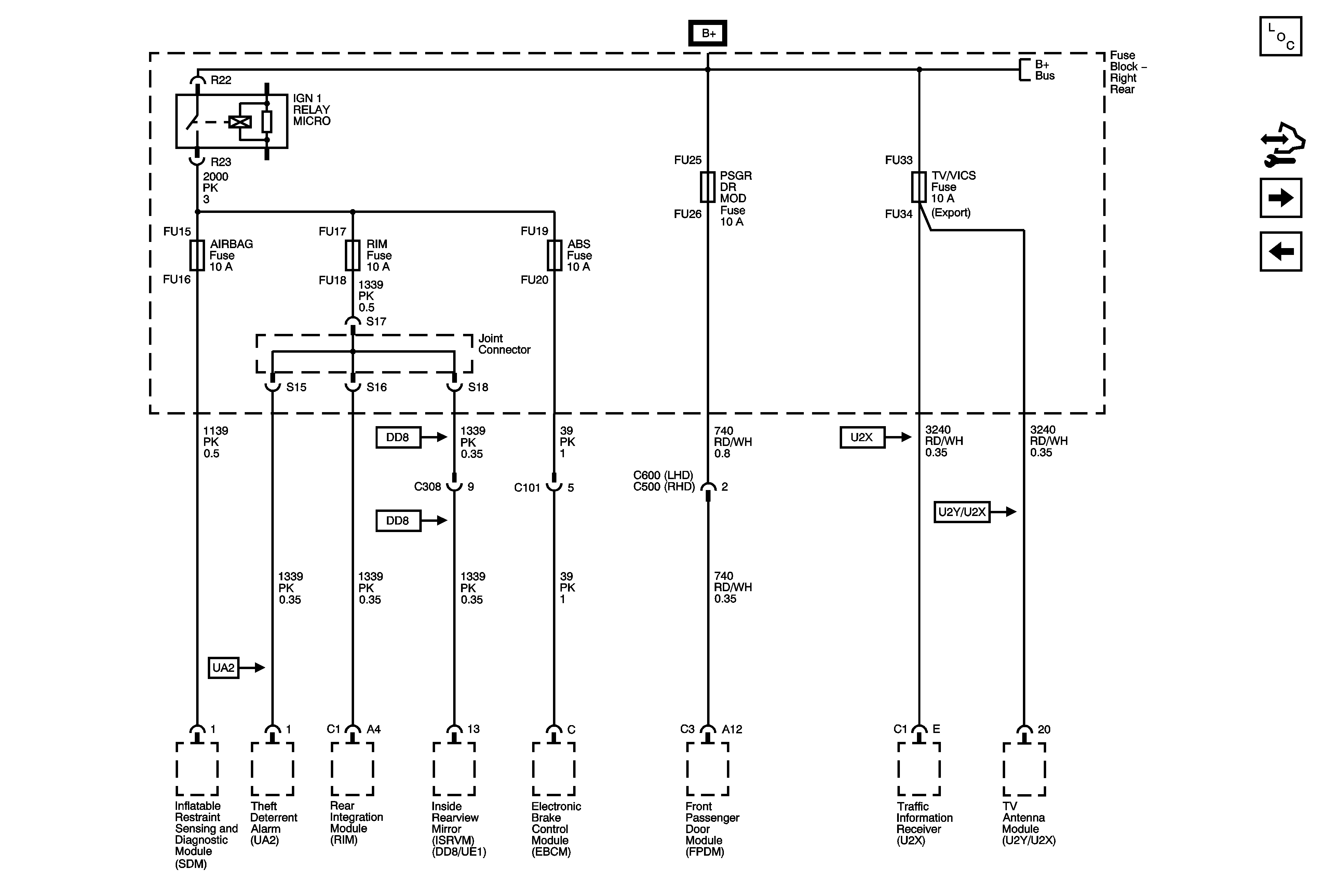
🢒 Right Rear Fuse Block IGN 1 Relay, Airbag, RIM, ABS, PSGR DR MOD, and TV/VICS Fuses
Right Rear Fuse Block IGN 1 Relay, Airbag, RIM, ABS, PSGR DR MOD, and TV/VICS Fuses
Right Rear Fuse Block - IGN 1 Relay, AIR BAG, RIM, ABS, PSGR DR MOD, and TV/VICS Fuses
Master Electrical Component List
Control Module References
Right Rear Fuse Block, DR MOD PWR Circuit Breaker Canister Vent, RIM/IGN SW., FRT HTD Seat MOD, and PWR Sander Fuses
Left Rear Fuse Block Seat Circuit Breaker, Trunk Relay/Fuse, Amp, Audio, Driver Dr MOD, and Rear DR MOD Fuse
Underhood Fuse Block B+ BUS 2 of 2