GM Service Manual Online
For 1990-2009 cars only
Figure 1:

Module Power, Ground, Serial Data and MIL


Object Number: 1937134  Size: FS
Master Electrical Component List
Engine Control Module Description
Control Module References
5-Volt and Low Reference - 1 of 2
Figure 2:

5-Volt and Low Reference (1 of 2)


Object Number: 1937139  Size: FS
Master Electrical Component List
Engine Control Module Description
Control Module References
5-Volt and Low Reference - 2 of 2
Module Power, Ground, Serial Data and MIL
Figure 3:

5-Volt and Low Reference (2 of 2)


Object Number: 1937148  Size: FS
Master Electrical Component List
Engine Control Module Description
Control Module References
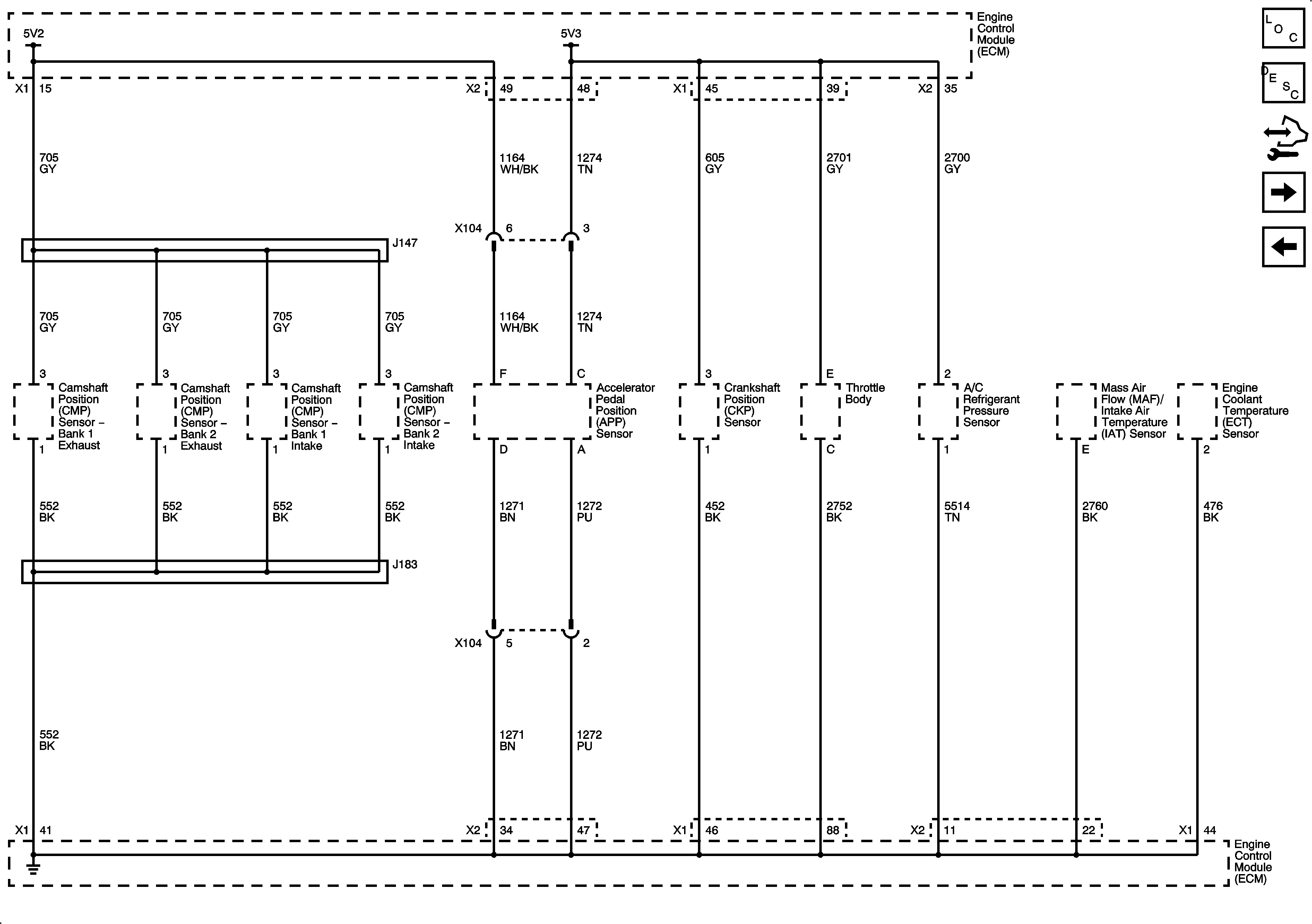
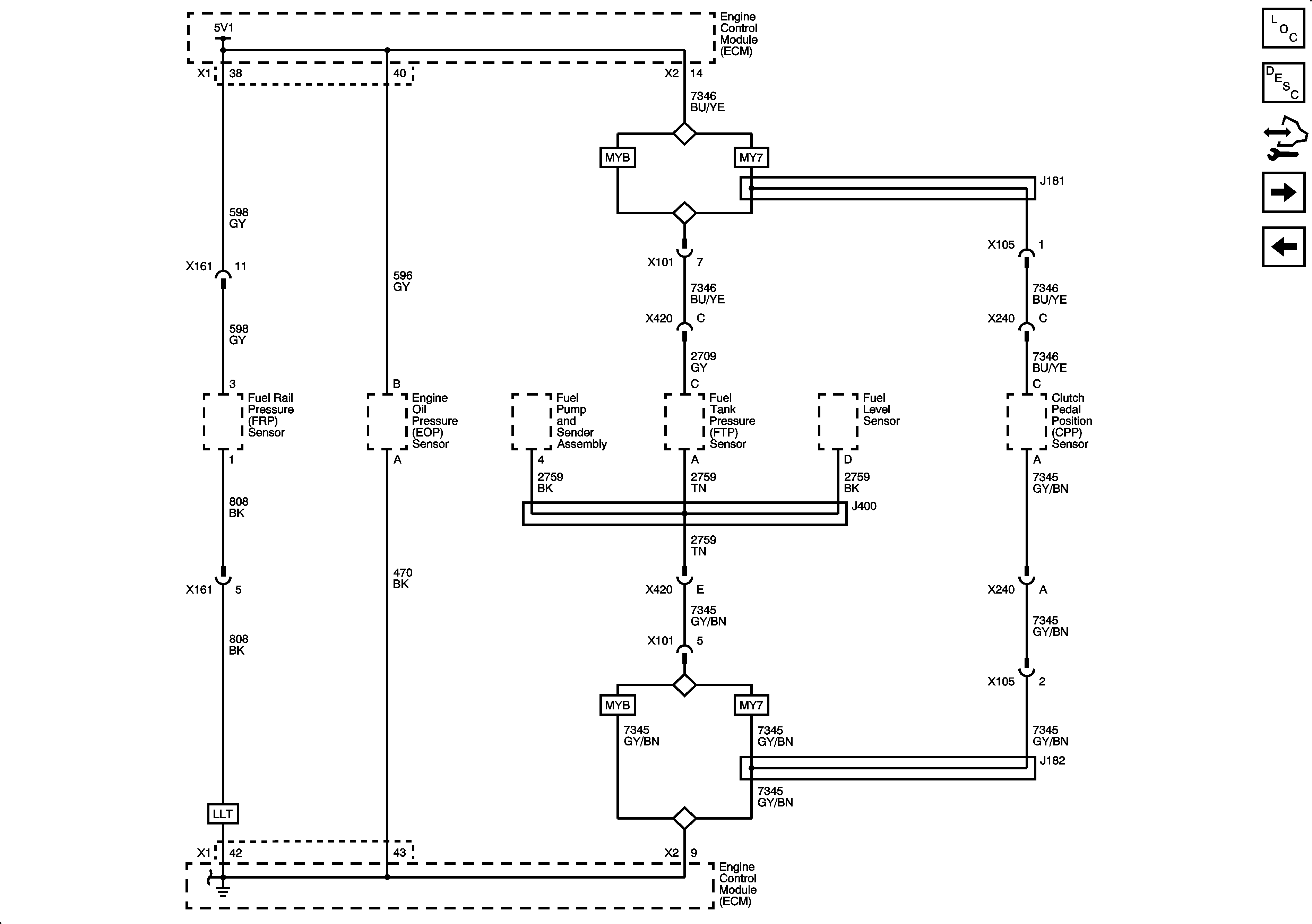
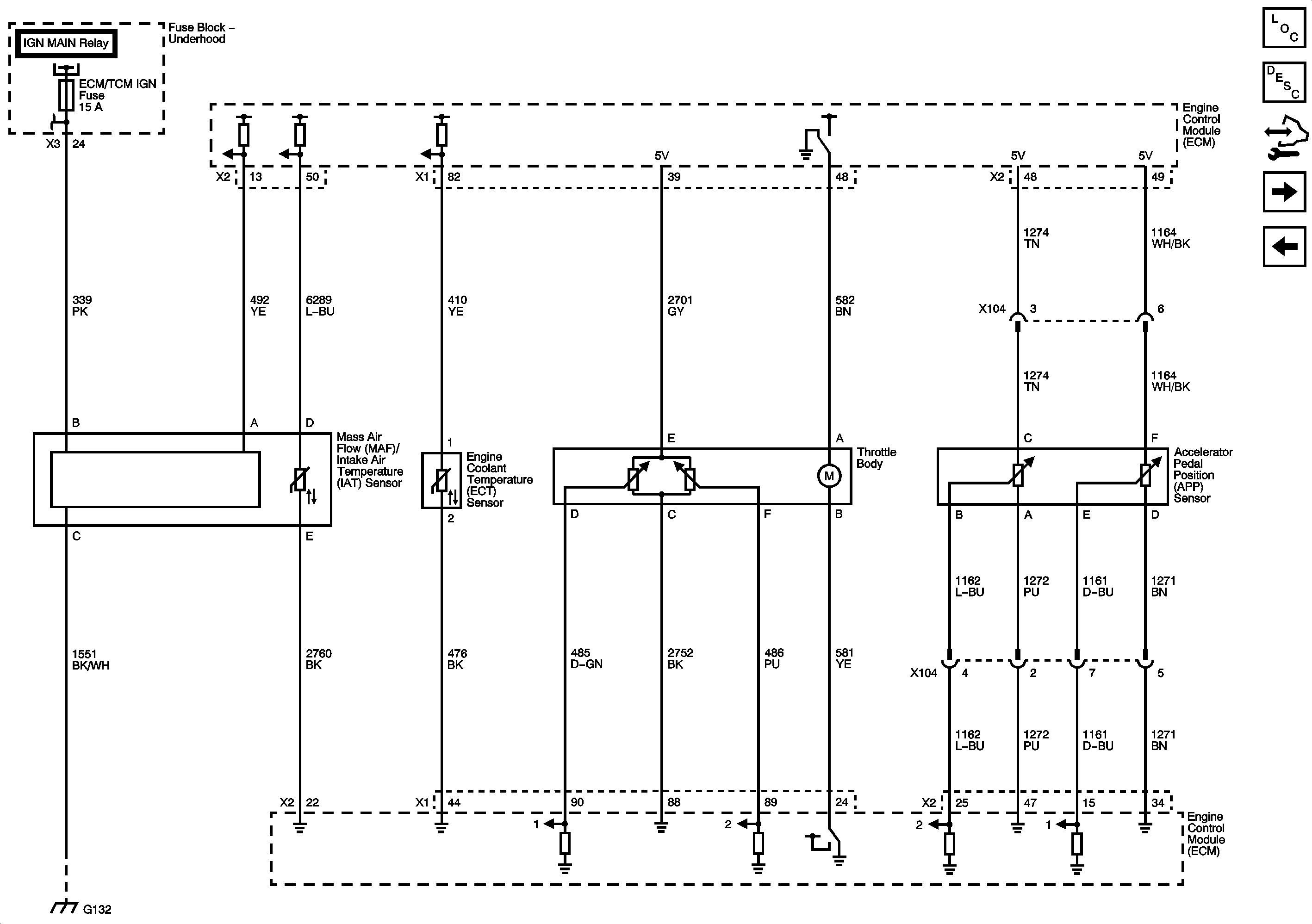
Engine Data Sensors - Pressure, Temperature, and Throttle Controls
5-Volt and Low Reference - 1 of 2
Figure 4:

Engine Data Sensors - Pressure, Temperature, and Throttle Controls


Object Number: 1937155  Size: FS
Master Electrical Component List
Engine Control Module Description
Control Module References
Engine Data Sensors - HO2S
5-Volt and Low Reference - 2 of 2
Figure 5:

Engine Data Sensors - HO2S


Object Number: 1937164  Size: FS
Master Electrical Component List
Engine Control Module Description
Control Module References
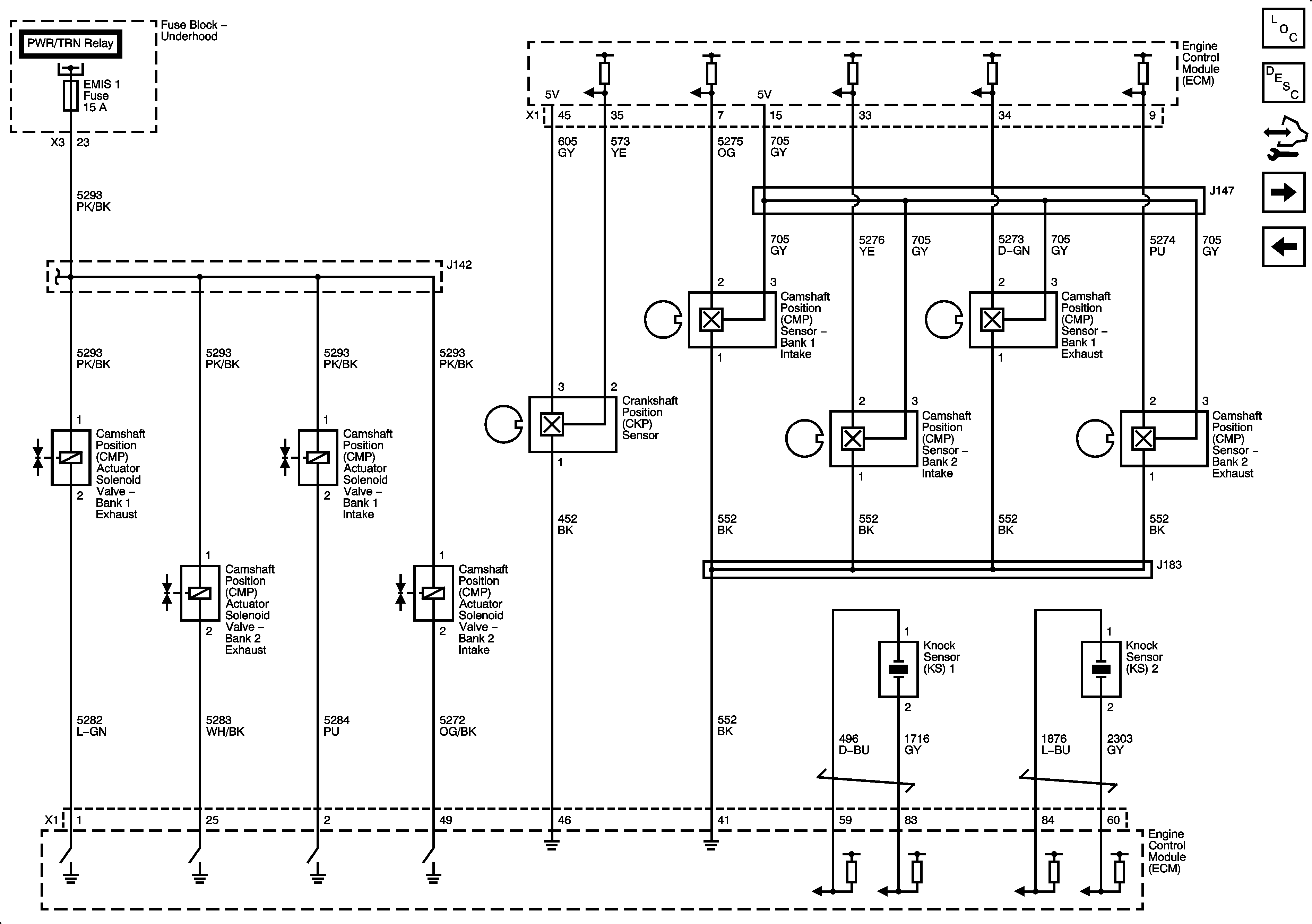
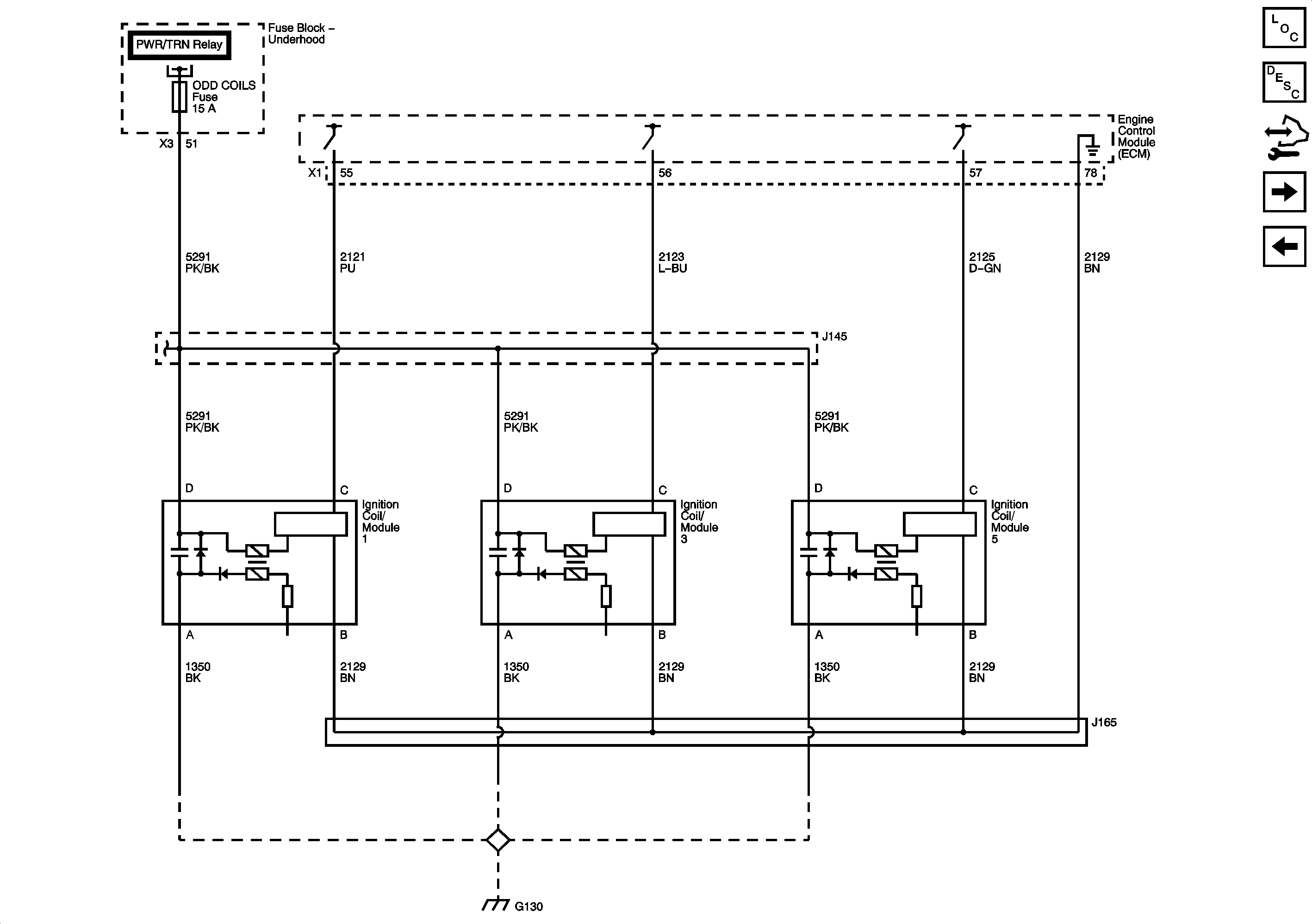
Ignition Controls - Ignition System Coils 1, 3, and 5 - LLT
Engine Data Sensors - Pressure, Temperature, and Throttle Controls
Figure 6:

Ignition Controls - Ignition System Coils 1, 3, and 5 (LLT)


Object Number: 1937168  Size: FS
Master Electrical Component List
Engine Control Module Description
Control Module References
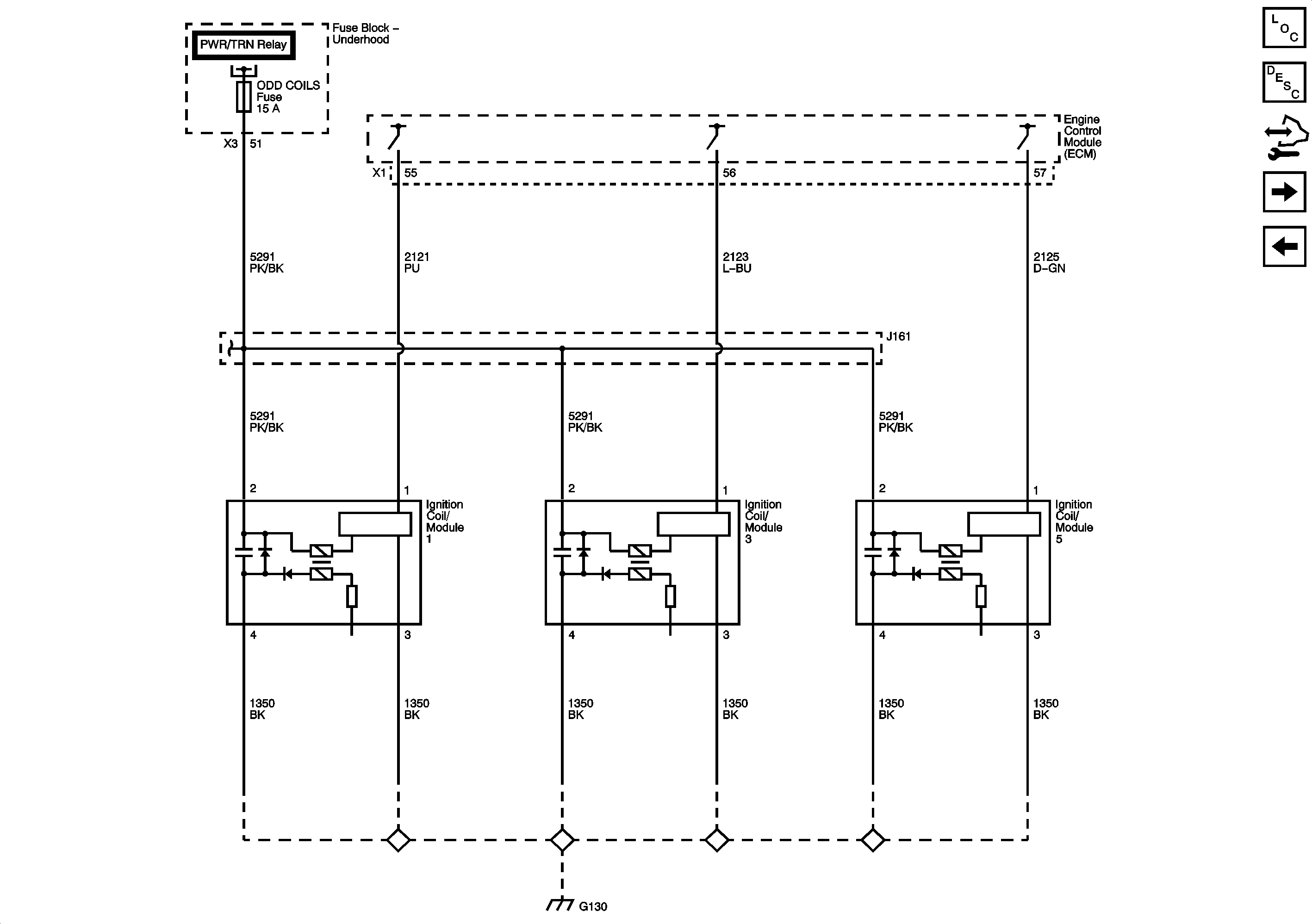
Ignition Controls - Ignition System Coils 1, 3, and 5 - LP1/LY7
Engine Data Sensors - HO2S
Figure 7:

Ignition Controls - Ignition System Coils 1, 3, and 5 (LP1/LY7)


Object Number: 1937174  Size: FS
Master Electrical Component List
Engine Control Module Description
Control Module References
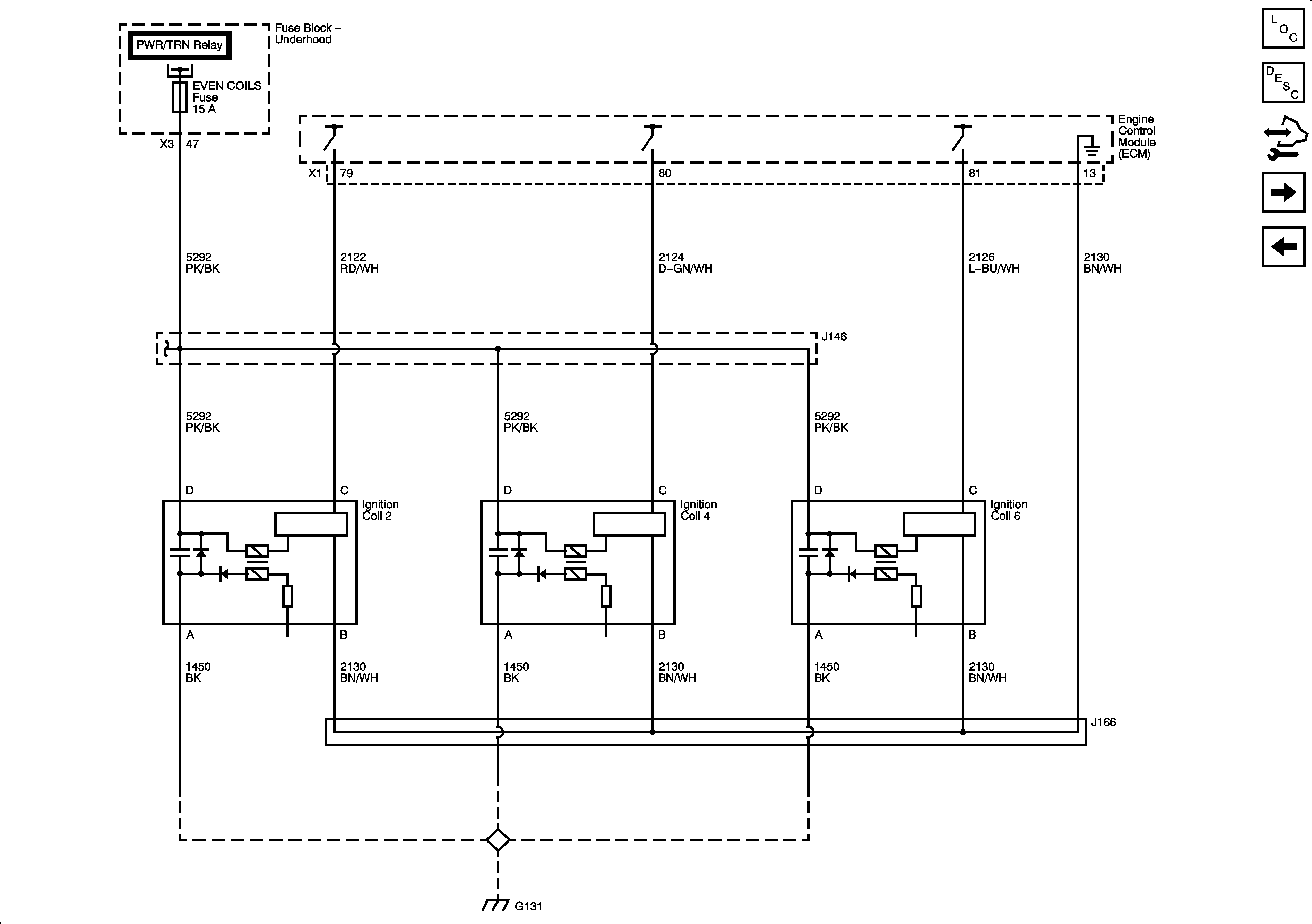
Ignition Controls - Ignition System Coils 2, 4, and 6 - LLT
Ignition Controls - Ignition System Coils 1, 3, and 5 - LLT
Figure 8:

Ignition Controls - Ignition System Coils 2, 4, and 6 (LLT)


Object Number: 1937180  Size: FS
Master Electrical Component List
Engine Control Module Description
Control Module References
Ignition Controls - Ignition System Coils 2, 4, and 6 - LP1/LY7
Ignition Controls - Ignition System Coils 1, 3, and 5 - LP1/LY7
Figure 9:

Ignition Controls - Ignition System Coils 2, 4, and 6 (LP1/LY7)


Object Number: 1937185  Size: FS
Master Electrical Component List
Engine Control Module Description
Control Module References
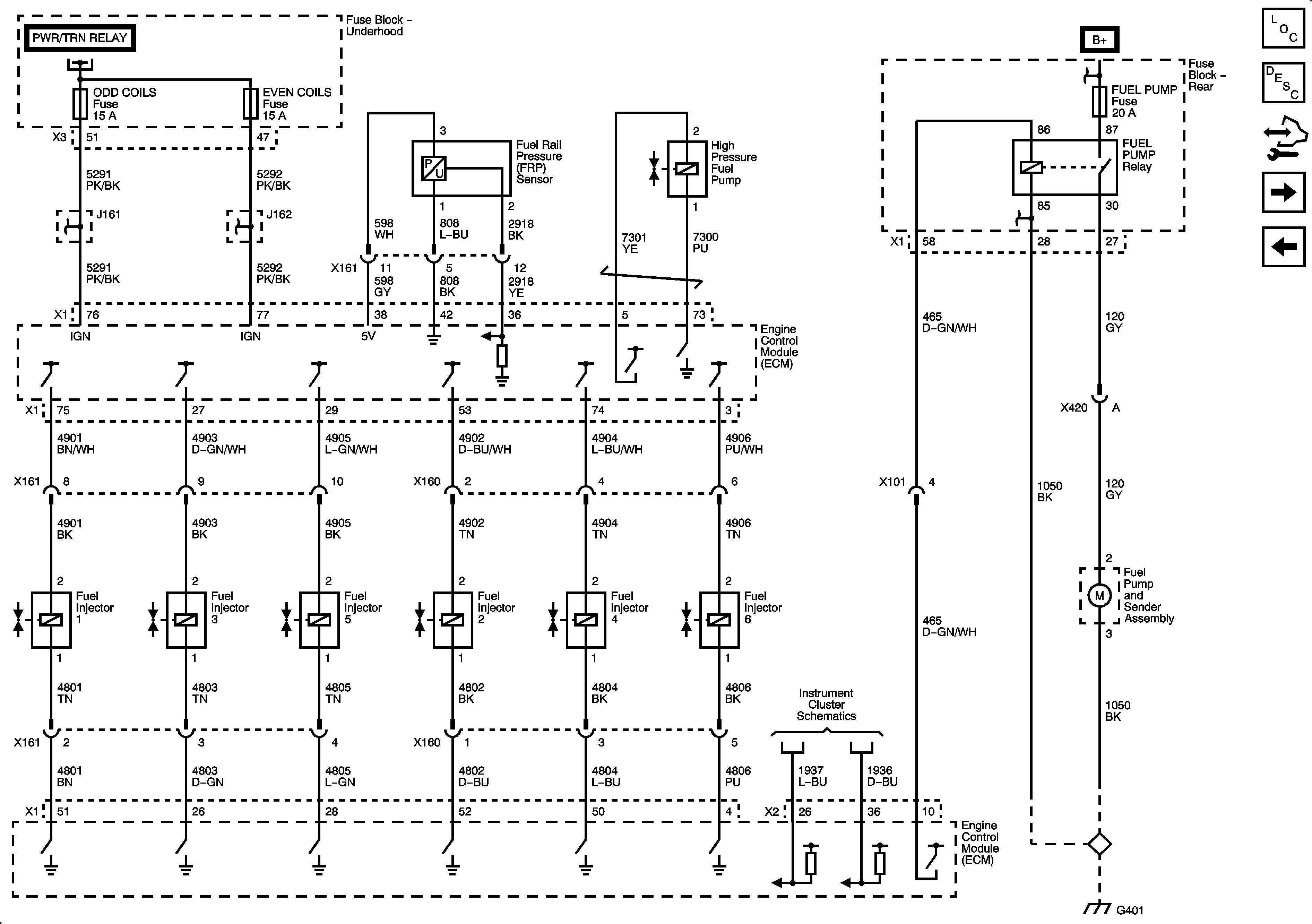
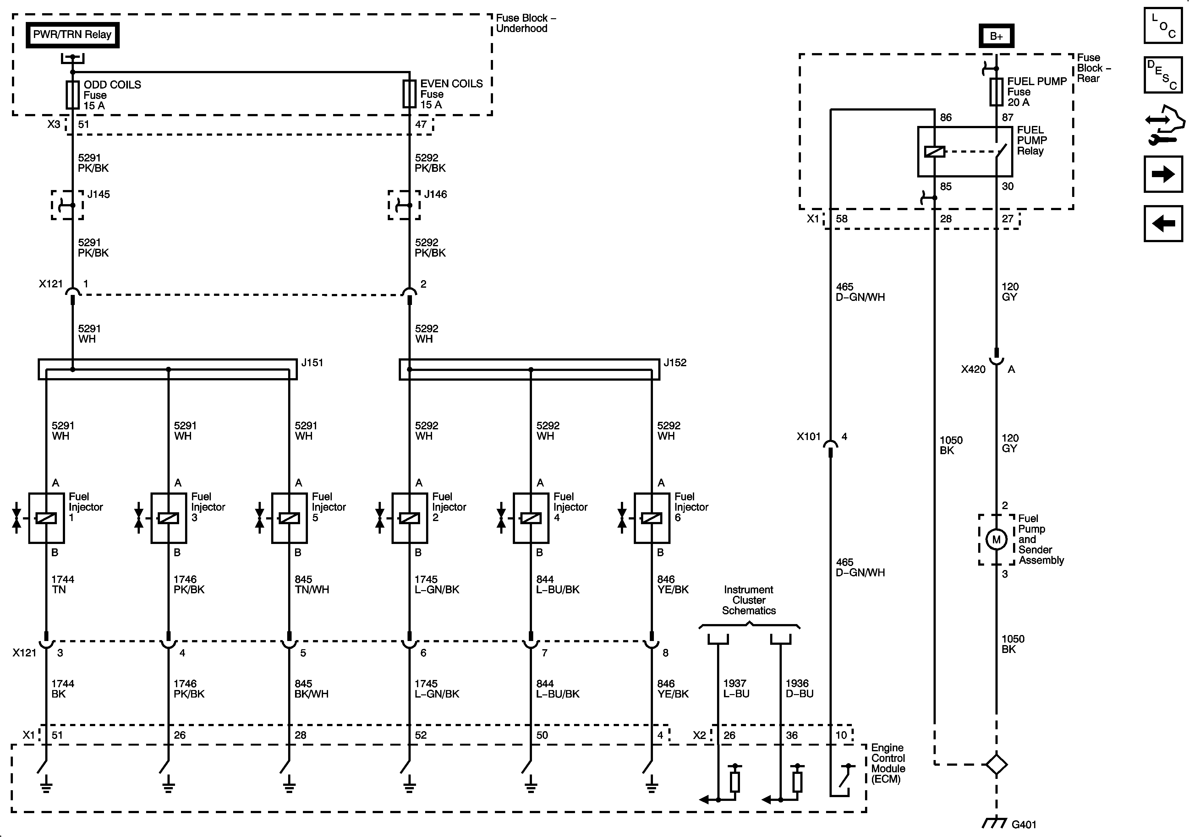
Fuel Controls - Fuel Injectors, Pressure and Fuel Pump Controls - LLT
Ignition Controls - Ignition System Coils 2, 4, and 6 - LLT
Figure 10:

Ignition Controls - Sensors


Object Number: 1937204  Size: FS
Master Electrical Component List
Engine Control Module Description
Control Module References
Fuel Controls - Fuel Injectors, Pressure and Fuel Pump Controls - LLT
Ignition Controls - Ignition System Coils 2, 4, and 6 - LP1/LY7
Figure 11:

Fuel Controls - Fuel Injectors, Pressure and Fuel Pump Controls (LLT)


Object Number: 1937212  Size: FS
Master Electrical Component List
Engine Control Module Description
Control Module References
Fuel Controls - Fuel Injectors and Fuel Pump Controls - LP1/LY7
Ignition Controls - Sensors
Figure 12:

Fuel Controls - Fuel Injectors, Pressure and Fuel Pump Controls (LP1/LY7)


Object Number: 1937256  Size: FS
Master Electrical Component List
Engine Control Module Description
Control Module References
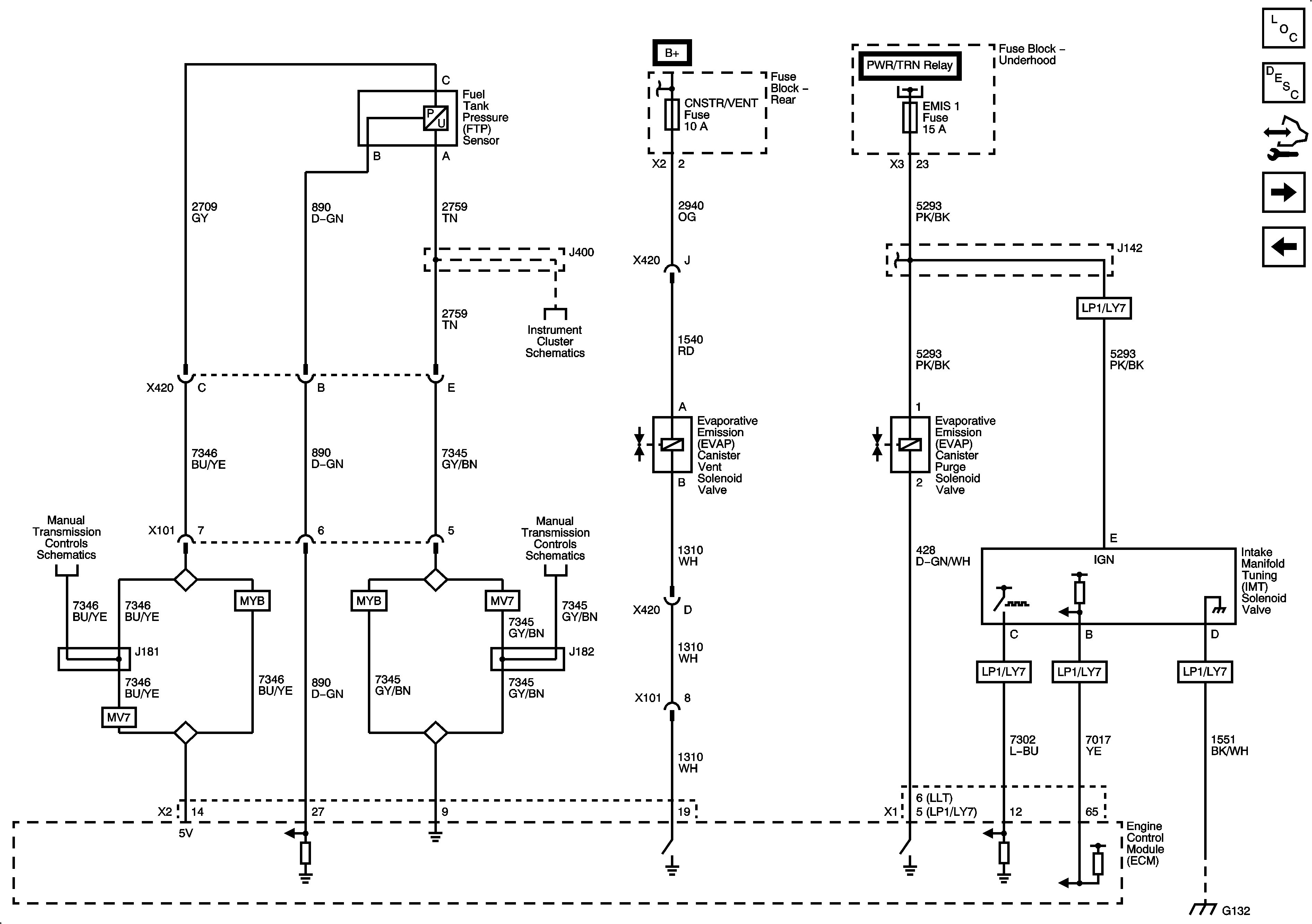
Fuel Controls - EVAP Controls and Manifold Tuning
Fuel Controls - Fuel Injectors, Pressure and Fuel Pump Controls - LLT
Figure 13:

Fuel Controls - EVAP Controls and Manifold Tuning


Object Number: 1937260  Size: FS
Master Electrical Component List
Engine Control Module Description
Control Module References
Monitored/Controlled Subsystem References
Fuel Controls - Fuel Injectors and Fuel Pump Controls - LP1/LY7
Figure 14:

Monitored/Controlled Subsystem References


Object Number: 1937262  Size: FS
Master Electrical Component List
Engine Control Module Description
Control Module References
Fuel Controls - EVAP Controls and Manifold Tuning