GM Service Manual Online
For 1990-2009 cars only
Figure 1:

B+ Bus 1 of 2


Object Number: 1934359  Size: FS
Master Electrical Component List
Control Module References
B+ Bus 2 of 2
Figure 2:

B+ Bus 2 of 2


Object Number: 1934360  Size: FS
Master Electrical Component List
Control Module References
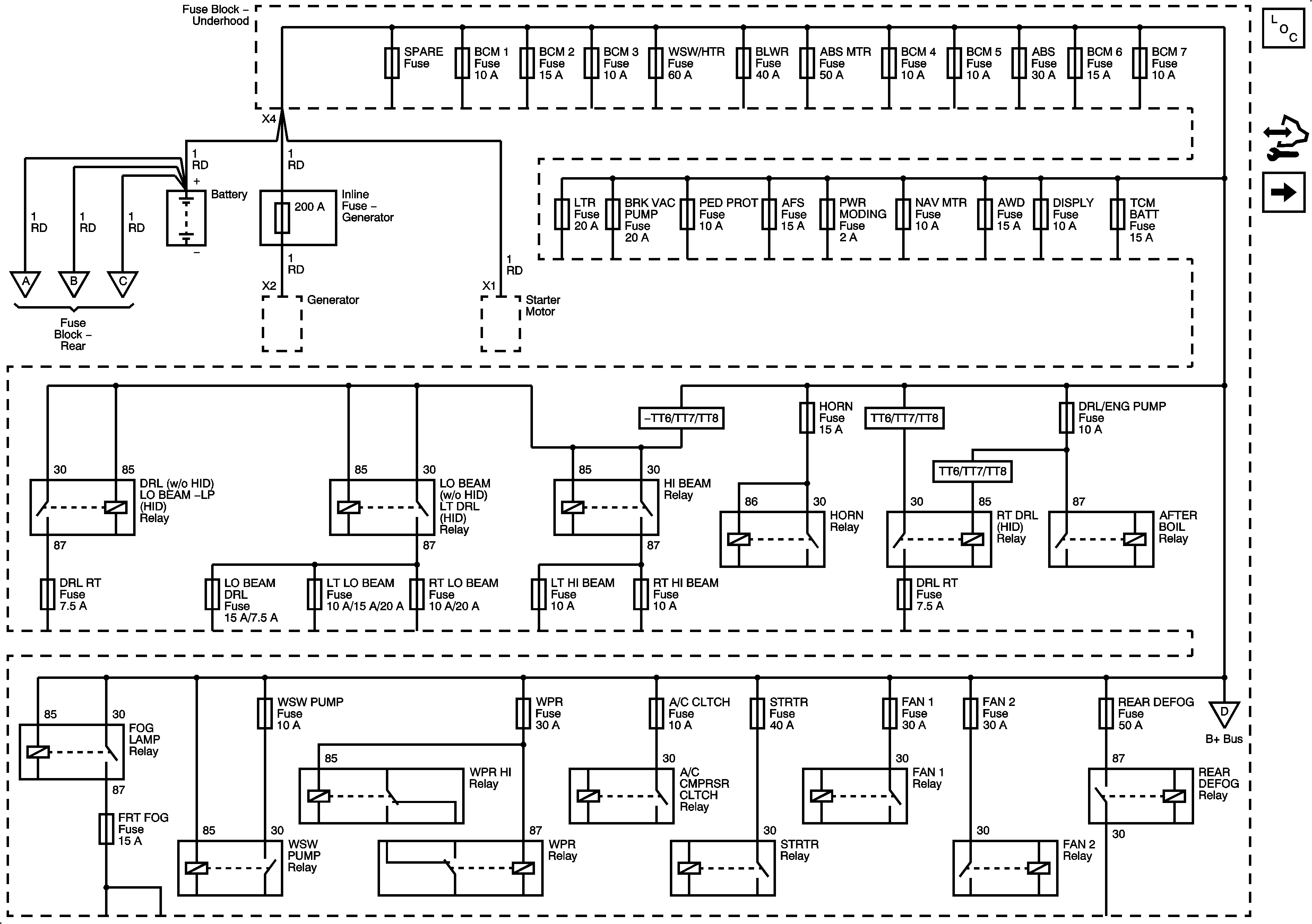
ABS, ABS MTR, BCM 2, BCM 3, BCM 4, BCM 5, BCM 6, BCM 7, DISPLAY, HTD WASH, NAV MTR, and TCM BATT Fuses
B+ Bus 1 of 2
Figure 3:

ABS, ABS MTR, BCM 2, BCM 3, BCM 4, BCM 5, BCM 6, BCM 7, DISPLAY, HTD WASH, NAV MTR, and TCM BATT Fuses


Object Number: 1934361  Size: FS
Master Electrical Component List
Control Module References
AFS, AWD, BCM1, BLWR, CIG, PED PRO, PWR MODING, and TRANS PUMP Fuses
B+ Bus 2 of 2
Figure 4:

AFS, AWD, BCM 1, BLWR, CIG, PED PRO, PWR MODING, and TRANS PUMP Fuses


Object Number: 1934362  Size: FS
Master Electrical Component List
Control Module References
AIRBAG, AMP, AUX OUTLET, CNSTR/VENT, ECM, MSM, ONSTAR, RDO/SPKR, REAR FOG, REAR/WNDW, RKE/PASS-KEY/MDL, and RVC/SNSR Fuses
ABS, ABS MTR, BCM 2, BCM 3, BCM 4, BCM 5, BCM 6, BCM 7, DISPLAY, HTD WASH, NAV MTR, and TCM BATT Fuses
Figure 5:

AIRBAG, AMP, AUX OUTLET, CNSTR/VENT, ECM, MSM, ONSTAR, RDO/SPKR, REAR FOG, REAR/WNDW, RKE/PASS-KEY/MDL, and RVC/SNSR Fuses


Object Number: 1934364  Size: FS
Master Electrical Component List
Control Module References
LT/REAR/WNDW, PDM, RDO, SPARE, THEFT/UGDO, and TRUNK RELSE Fuses, LF/FRT/PWR/SEAT, PWR CLMN and RT/FRT/PWR/SEAT Circuit Breakers
AFS, AWD, BCM1, BLWR, CIG, PED PRO, PWR MODING, and TRANS PUMP Fuses
Figure 6:

LT/REAR/WNDW, PDM, RDO, SPARE, THEFT/UGDO, and TRUNK RELSE Fuses, LF/FRT/PWR/SEAT, PWR CLMN and RT/FRT/PWR/SEAT Circuit Breakers


Object Number: 1934365  Size: FS
Master Electrical Component List
Control Module References
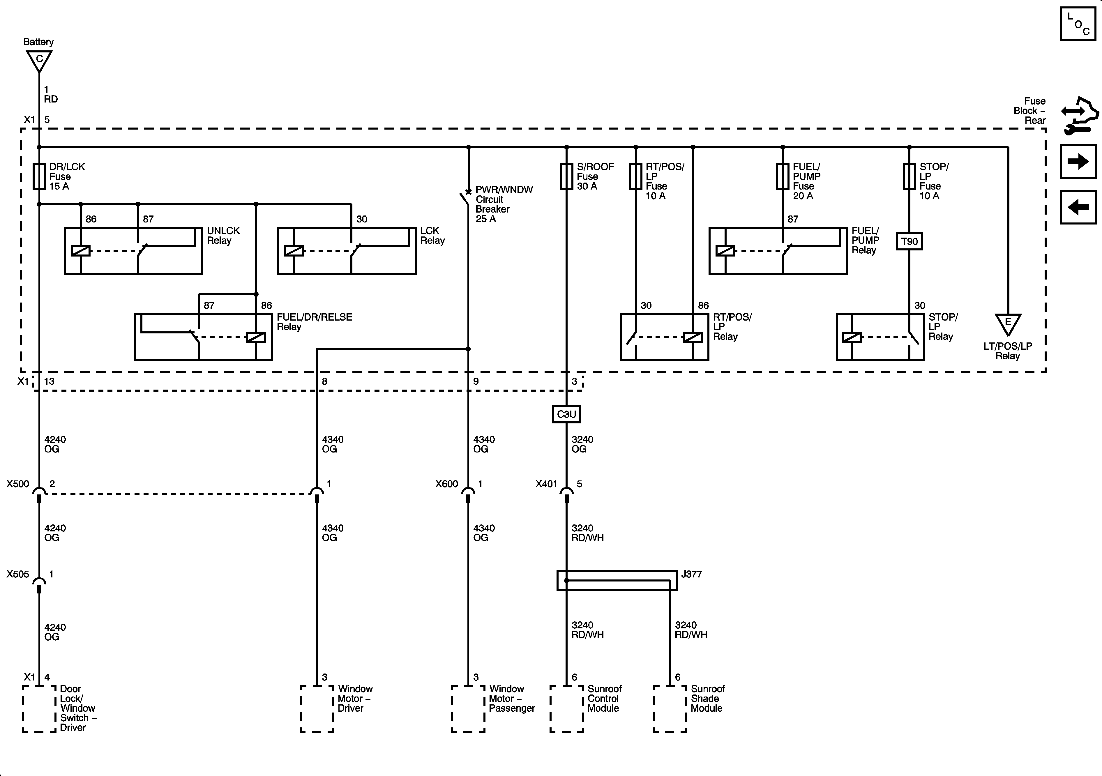
DR/LCK, FUEL PUMP, RT/POS/LP, S/ROOF and STOP/LP Fuses, PWR/WNDW Circuit Breaker
AIRBAG, AMP, AUX OUTLET, CNSTR/VENT, ECM, MSM, ONSTAR, RDO/SPKR, REAR FOG, REAR/WNDW, RKE/PASS-KEY/MDL, and RVC/SNSR Fuses
Figure 7:

DR/LCK, FUEL PUMP, RT/POS/LP, S/ROOF and STOP/LP Fuses, PWR/WNDW Circuit Breaker


Object Number: 1934366  Size: FS
Master Electrical Component List
Control Module References
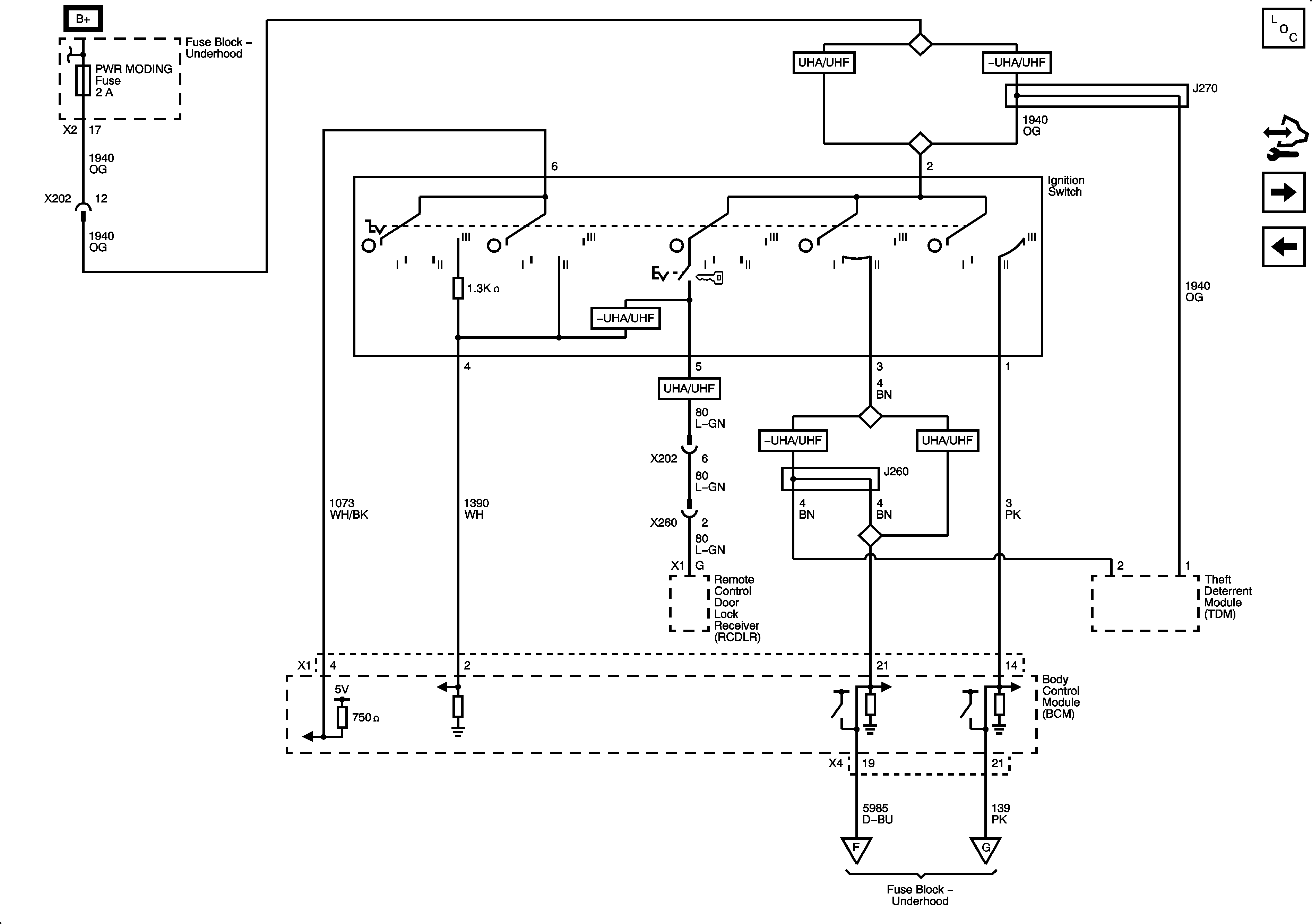
Ignition Switch
LT/REAR/WNDW, PDM, RDO, SPARE, THEFT/UGDO, and TRUNK RELSE Fuses, LF/FRT/PWR/SEAT, PWR CLMN and RT/FRT/PWR/SEAT Circuit Breakers
Figure 8:

Ignition Switch


Object Number: 1934367  Size: FS
Master Electrical Component List
Control Module References
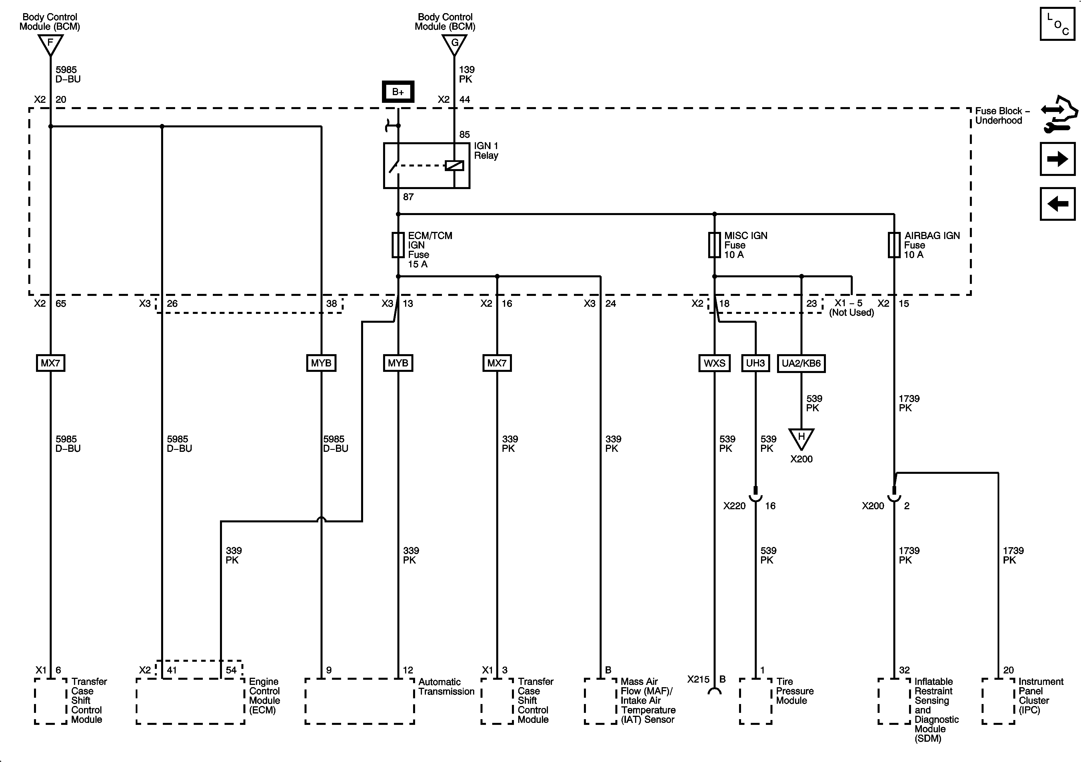
ECM/TCM, MISC IGN 1 of 2 and SIR IGN Fuses, IGN I/II and II/III
DR/LCK, FUEL PUMP, RT/POS/LP, S/ROOF and STOP/LP Fuses, PWR/WNDW Circuit Breaker
Figure 9:

ECM/TCM, MISC IGN 1 of 2 and SIR IGN Fuses, IGN I/II and II/III


Object Number: 1934369  Size: FS
Master Electrical Component List
Control Module References
MISC IGN Fuse 2 of 2
Ignition Switch
Figure 10:

MISC IGN Fuse 2 of 2


Object Number: 1934370  Size: FS
Master Electrical Component List
Control Module References
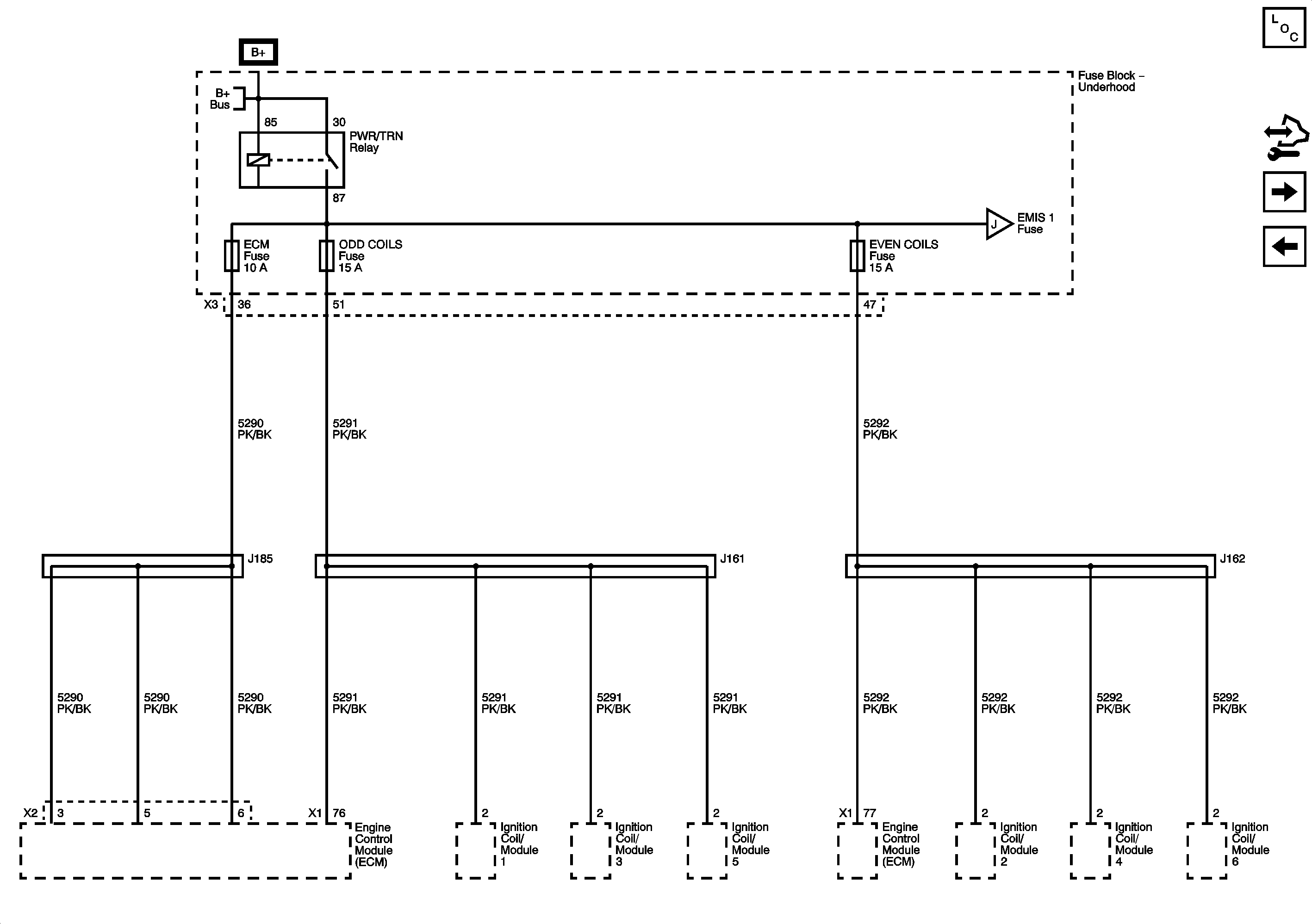
EVEN COILS, ODD COILS and SPEED SNSR Fuses - LLT
ECM/TCM, MISC IGN 1 of 2 and SIR IGN Fuses, IGN I/II and II/III
Figure 11:

EVEN COILS, ODD COILS and SPEED SNSR Fuses - LLT


Object Number: 1934371  Size: FS
Master Electrical Component List
Control Module References
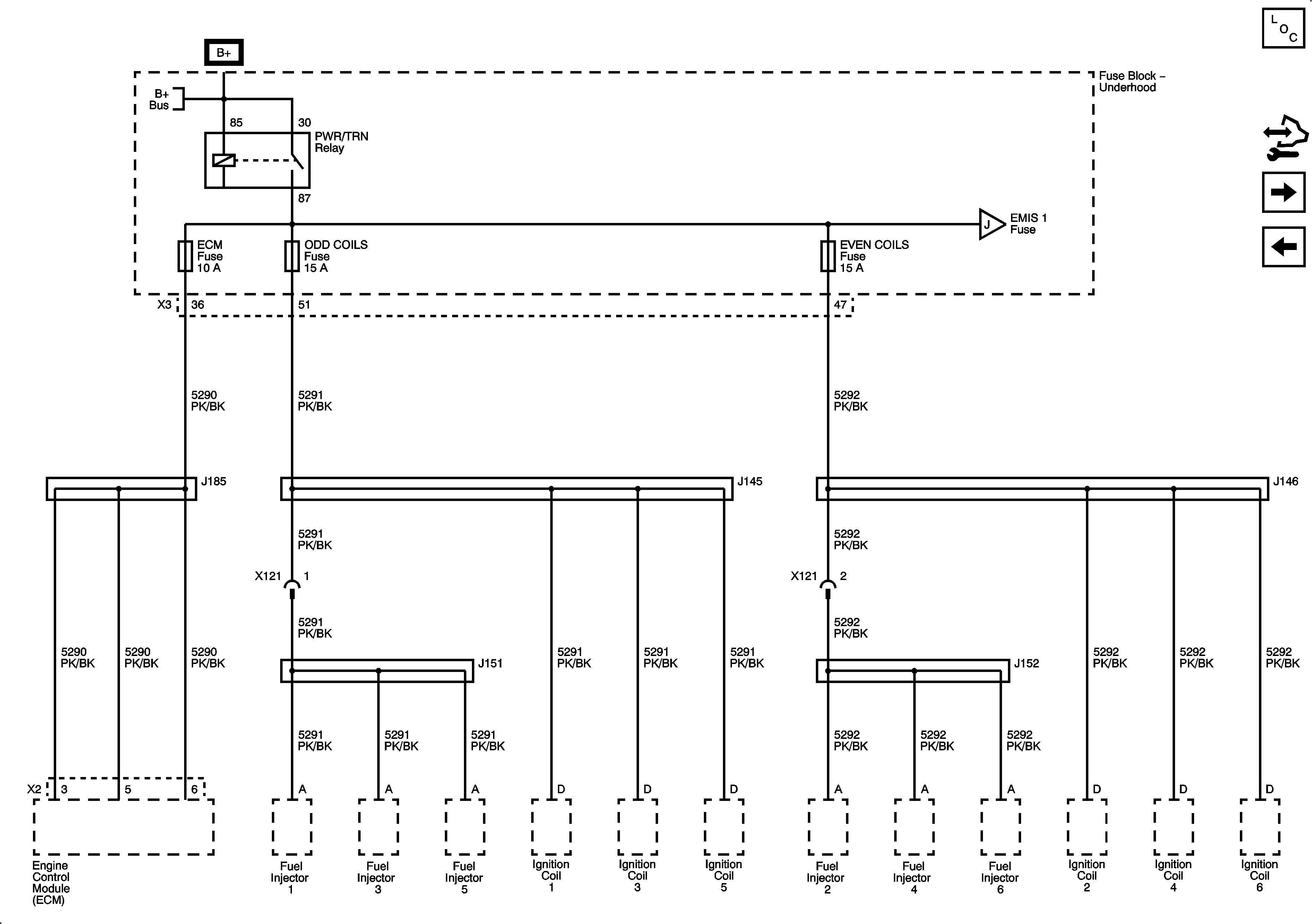
EVEN COILS, ODD COILS and SPEED SNSR Fuses - LP1/LY7
MISC IGN Fuse 2 of 2
Figure 12:

EVEN COILS, ODD COILS and SPEED SNSR Fuses - LP1/LY7


Object Number: 1934373  Size: FS
Master Electrical Component List
Control Module References
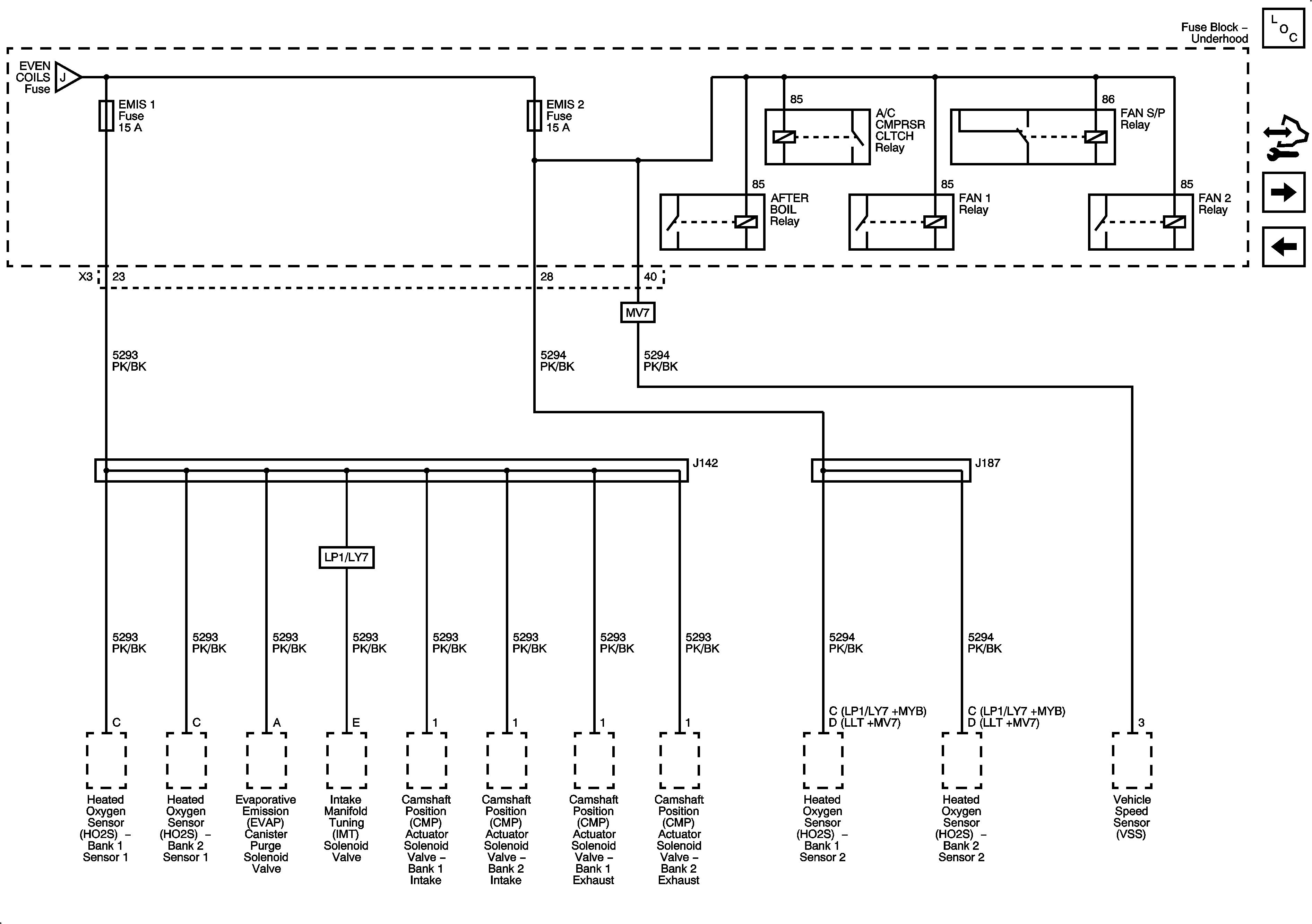
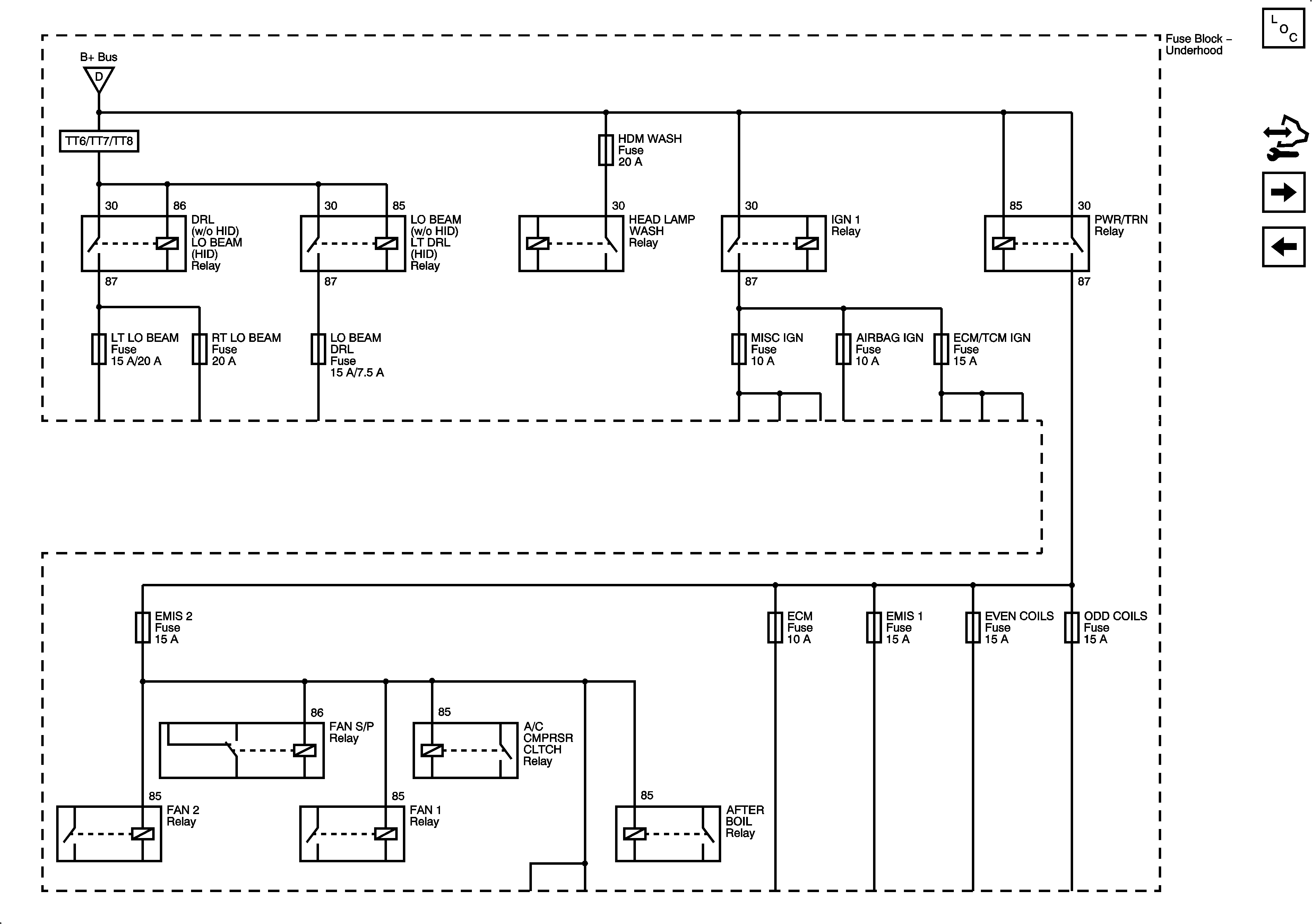
EMISSION 1 and EMISSION 2 Fuses
EVEN COILS, ODD COILS and SPEED SNSR Fuses - LLT
Figure 13:

EMISSION 1 and EMISSION 2 Fuses


Object Number: 1934374  Size: FS
Master Electrical Component List
Control Module References
DRL, DRL RT, LO BEAM DRL LH, LT HI BEAM, LT LO BEAM, RT HI BEAM and RT LO Fuses
EVEN COILS, ODD COILS and SPEED SNSR Fuses - LP1/LY7
Figure 14:

DRL, DRL RT, LO BEAM DRL LH, LT HI BEAM, LT LO BEAM, RT HI BEAM and RT LO Fuses


Object Number: 1934375  Size: FS
Master Electrical Component List
Control Module References
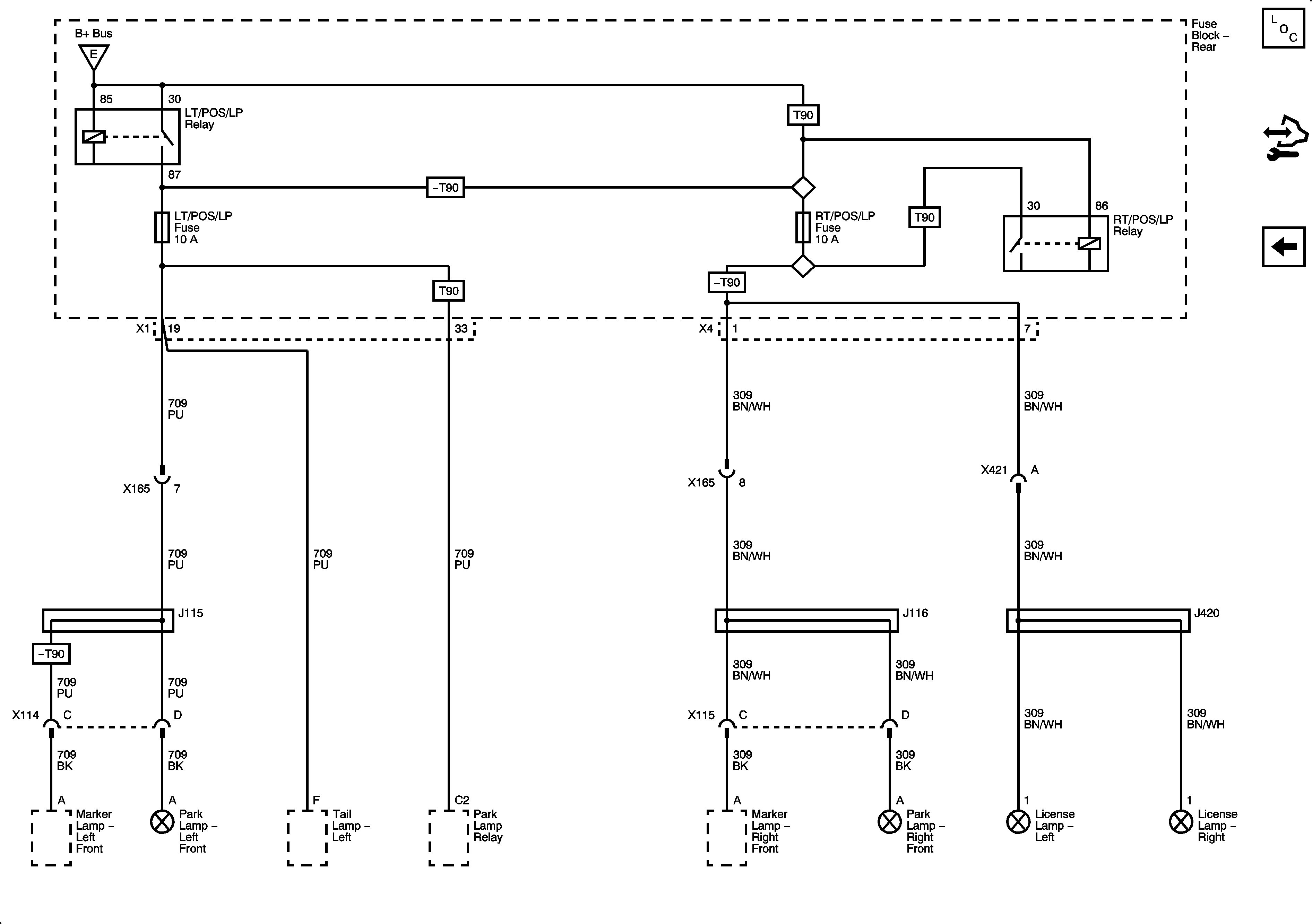
LT/POS/LP and RT/POS/LP Fuses
EMISSION 1 and EMISSION 2 Fuses
Figure 15:

LT/POS/LP and RT/POS/LP Fuses


Object Number: 1934376  Size: FS
Master Electrical Component List
Control Module References
DRL, DRL RT, LO BEAM DRL LH, LT HI BEAM, LT LO BEAM, RT HI BEAM and RT LO Fuses