GM Service Manual Online
For 1990-2009 cars only

Power Steering Gear Inlet Pipe/Hose Replacement with Rear Wheel Drive

Removal Procedure

  1. Remove the fuel injector sight shield. Refer to Fuel Injector Sight Shield Replacement.
  2. Remove as much power steering fluid from the remote power steering fluid reservoir as possible.
  3. Remove the power steering pump pulley. Refer to Power Steering Pump Pulley Replacement.
  4. Remove the front air deflector. Refer to Front Air Deflector Replacement.
  5. Remove the front compartment lower noise shield. Refer to Front Compartment Lower Noise Shield Replacement.
  6. Place drain pans under the vehicle as needed.

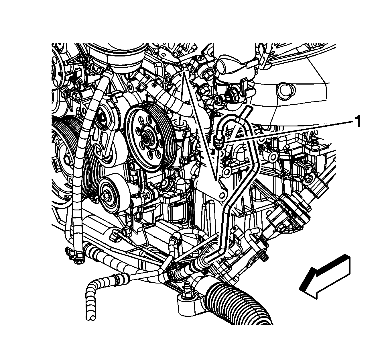
  7. Object Number: 1974511  Size: SH
  8. Disconnect the power steering gear inlet hose fitting (1) from the power steering pump.

  9. Object Number: 1974513  Size: SH
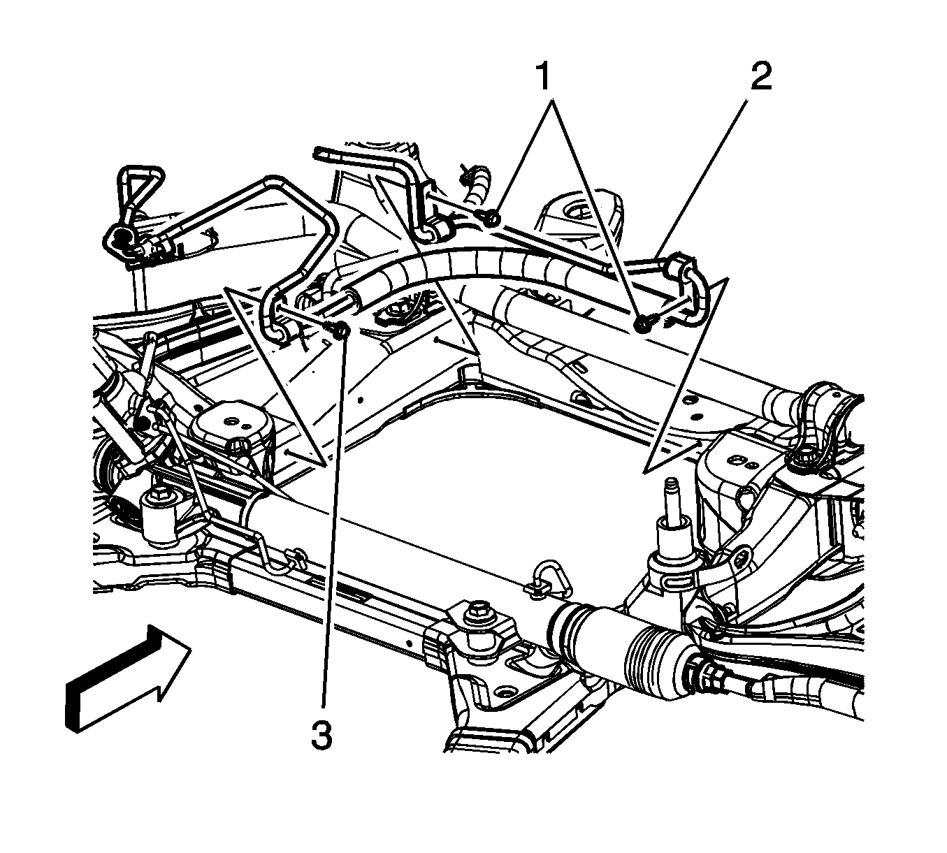
  10. Remove the power steering gear inlet hose latch plate bolt (1).
  11. Disconnect the power steering gear inlet hose plastic retainer (2) from the power steering gear inlet hose clip bracket.
  12. Remove the power steering gear inlet pipe bracket bolt (4).
  13. Disconnect the power steering gear solenoid electrical connector.
  14. Remove the power steering gear inlet hose (3) from the vehicle.

Installation Procedure


    Object Number: 1974513  Size: SH
  1. Position the power steering gear inlet hose (3) to the vehicle.
  2. Connect the power steering gear solenoid electrical connector.
  3. Notice: Refer to Fastener Notice in the Preface section.

    Important: Start all fasteners by hand before finalizing any torques.

  4. Install the power steering gear inlet pipe bracket bolt (4).
  5. Tighten
    Tighten the bolt to 9 N·m (80 lb in).

  6. Connect the power steering gear inlet hose plastic retainer (2) to the power steering gear inlet hose clip bracket.
  7. Install the power steering gear inlet hose latch plate bolt (1).
  8. Tighten
    Tighten the bolt to 22.5 N·m (17 lb ft).


    Object Number: 1974511  Size: SH
  9. Connect the power steering gear inlet hose fitting (1) to the power steering pump.
  10. Tighten
    Tighten the fitting to 40 N·m (30 lb ft).

  11. Clean any excess fluid from the vehicle and remove the drain pans.
  12. Install the front compartment lower noise shield. Refer to Front Compartment Lower Noise Shield Replacement.
  13. Install the front air deflector. Refer to Front Air Deflector Replacement.
  14. Install the power steering pump pulley. Refer to Power Steering Pump Pulley Replacement.
  15. Install the fuel injector sight shield. Refer to Fuel Injector Sight Shield Replacement.
  16. Fill and bleed the power steering system. Refer to Power Steering System Bleeding.

Power Steering Gear Inlet Pipe/Hose Replacement with All Wheel Drive

Removal Procedure

  1. Remove the fuel injector sight shield. Refer to Fuel Injector Sight Shield Replacement .
  2. Remove as much power steering fluid from the remote power steering fluid reservoir as possible.
  3. Remove the power steering pump pulley. Refer to Power Steering Pump Pulley Replacement .
  4. Remove the front air deflector. Refer to Front Air Deflector Replacement .
  5. Remove the front compartment lower noise shield. Refer to Front Compartment Lower Noise Shield Replacement .
  6. Place drain pans under the vehicle as needed.

  7. Object Number: 1974550  Size: SH
  8. Disconnect the power steering gear inlet hose fitting (1) from the power steering pump.

  9. Object Number: 1974551  Size: SH
  10. Remove the power steering gear inlet hose latch plate bolt (1).

  11. Object Number: 1974553  Size: SH
  12. Remove the power steering gear inlet and outlet pipe retainer bolts (1,3).
  13. Remove the power steering gear inlet hose from the vehicle.

Installation Procedure


    Object Number: 1974553  Size: SH
  1. Position the power steering gear inlet hose to the vehicle.
  2. Notice: Refer to Fastener Notice in the Preface section.

    Important: Start all fasteners by hand before finalizing any torques.

  3. Install the power steering gear inlet and outlet pipe retainer bolts (1,3).
  4. Tighten
    Tighten the bolts to 10 N·m (89 lb in).


    Object Number: 1974551  Size: SH
  5. Install the power steering gear inlet hose latch plate bolt (1).
  6. Tighten
    Tighten the bolt to 22.5 N·m (17 lb ft).


    Object Number: 1974550  Size: SH
  7. Connect the power steering gear inlet hose fitting (1) to the power steering pump.
  8. Tighten
    Tighten the fitting to 40 N·m (30 lb ft).

  9. Clean any excess fluid from the vehicle and remove the drain pans.
  10. Install the front compartment lower noise shield. Refer to Front Compartment Lower Noise Shield Replacement .
  11. Install the front air deflector. Refer to Front Air Deflector Replacement .
  12. Install the power steering pump pulley. Refer to Power Steering Pump Pulley Replacement .
  13. Install the fuel injector sight shield. Refer to Fuel Injector Sight Shield Replacement .
  14. Fill and bleed the power steering system. Refer to Power Steering System Bleeding .