GM Service Manual Online
For 1990-2009 cars only

    Object Number: 1930194  Size: SH
  1. Remove the block heater cartridge.

  2. Object Number: 1930195  Size: SH
  3. Remove the right knock sensor bolt.
  4. Remove the right knock sensor.

  5. Object Number: 1930246  Size: SH
  6. Remove the crankshaft position sensor bolt.
  7. Remove the crankshaft position sensor.

  8. Object Number: 1930269  Size: SH
  9. Remove the crankshaft position sensor O-ring, if damaged.

  10. Object Number: 1930214  Size: SH
  11. Remove the left knock sensor bolt.
  12. Remove the left knock sensor.

  13. Object Number: 1966954  Size: SH
  14. Remove the left engine mount nut.
  15. Remove the left engine mount.

  16. Object Number: 1966955  Size: SH
  17. Remove the left engine mount bracket bolt.
  18. Remove the left engine mount bracket.

  19. Object Number: 1966956  Size: SH
  20. Remove the right engine mount nut.
  21. Remove the right engine mount.

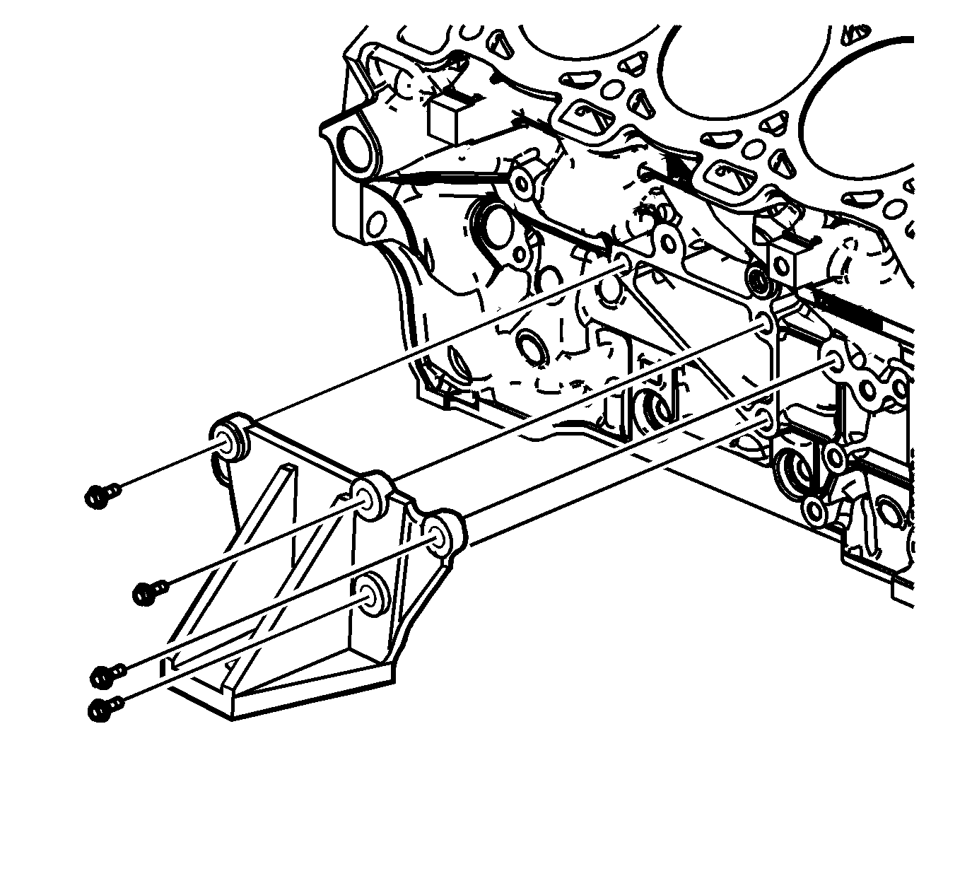
  22. Object Number: 1966957  Size: SH
  23. Remove the engine mount bracket bolts (1, 2).
  24. Remove the engine mount bracket.

  25. Object Number: 1866877  Size: SH
  26. Remove the oil jet bolts.
  27. Remove the oil jets.

  28. Object Number: 902732  Size: SH
  29. Remove the right front oil pan rail oil gallery expansion plug.

  30. Object Number: 902740  Size: SH
  31. Remove the cylinder block-to-oil pan alignment dowels.

  32. Object Number: 1327922  Size: SH
  33. Remove the M14 right side oil gallery threaded plug.

  34. Object Number: 1327923  Size: SH
  35. Remove the M14 right side coolant drain threaded plug.

  36. Object Number: 1327924  Size: SH
  37. Remove the M14 rear oil gallery threaded plug.

  38. Object Number: 1327925  Size: SH
  39. Remove the M14 left side coolant drain threaded plug.

  40. Object Number: 1327926  Size: SH
  41. Remove the M20 left side oil gallery threaded plug.

  42. Object Number: 902733  Size: SH
  43. Remove the coolant expansion plugs.

  44. Object Number: 902737  Size: SH
  45. Remove the cylinder block-to-transmission alignment dowels.

  46. Object Number: 902730  Size: SH
  47. Remove the front oil gallery expansion plug.

  48. Object Number: 902736  Size: SH
  49. Remove the cylinder block-to-cylinder head alignment dowels.