GM Service Manual Online
For 1990-2009 cars only
Figure 1:

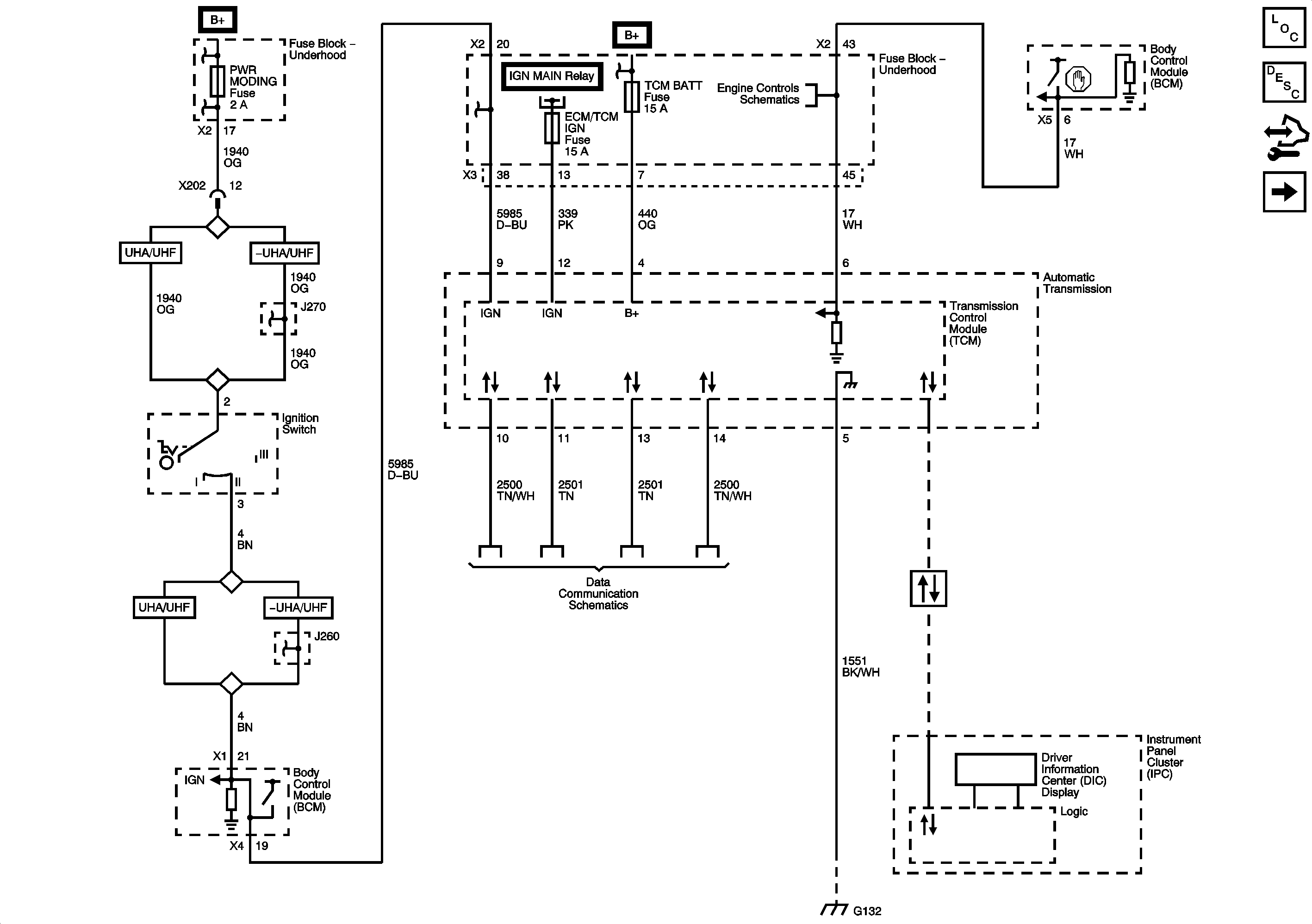
Module Power, Ground, Data Communications, MIL and Brake Applied Signal


Object Number: 1923290  Size: FS
Master Electrical Component List
Electronic Component Description
Control Module References
Pressure Controls and Shift Controls
Figure 2:

Pressure Controls and Shift Controls


Object Number: 1923291  Size: FS
Master Electrical Component List
Electronic Component Description
Control Module References
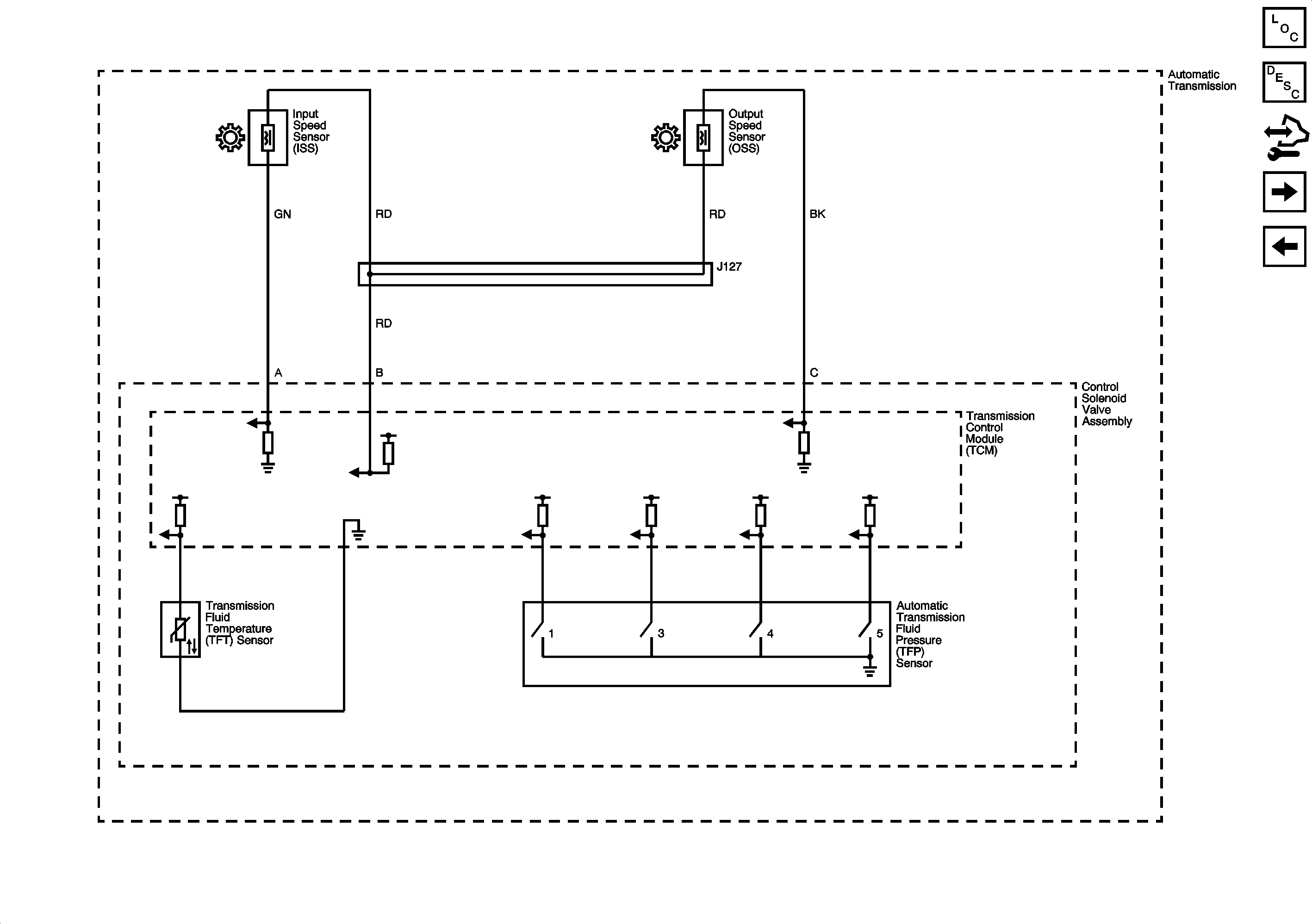
ISS, OSS, TFP and TFT
Module Power, Ground, Data Communications, MIL and Brake Applied Signal
Figure 3:

ISS, OSS, TFP and TFT


Object Number: 1923294  Size: FS
Master Electrical Component List
Electronic Component Description
Control Module References
IMS Tap Up/TapDown
Pressure Controls and Shift Controls
Figure 4:

IMS Tap Up/Tap Down


Object Number: 1923296  Size: FS
Master Electrical Component List
Electronic Component Description
Control Module References
ISS, OSS, TFP and TFT