GM Service Manual Online
For 1990-2009 cars only
Makes
🢒
Cadillac
🢒
2008
🢒
CTS
🢒
Diagnostic Navigation
🢒
Vehicle Diagnostic Information
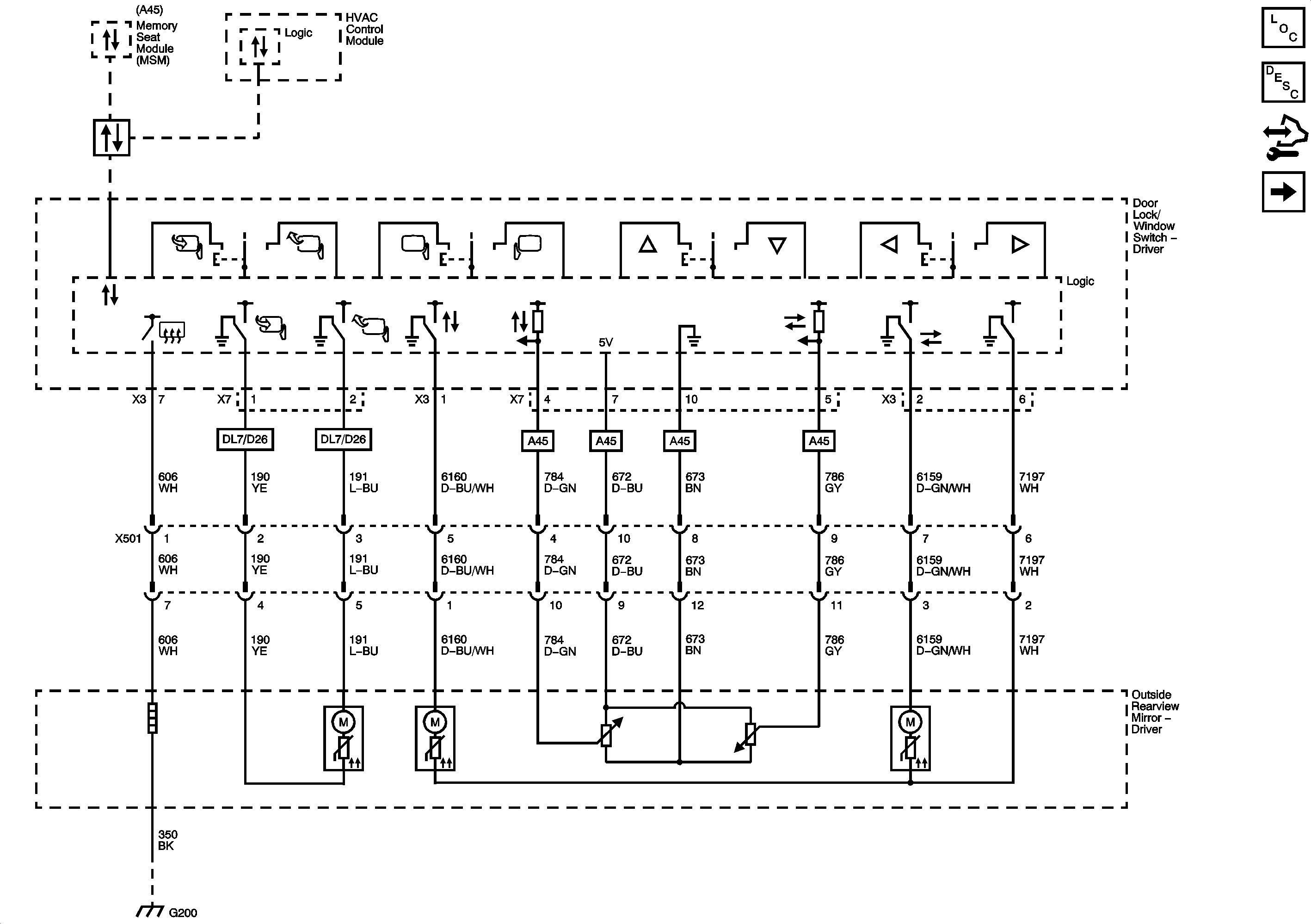
🢒 Outside Rearview Mirror Schematics
Figure
1:
Driver
Master Electrical Component List
Outside Mirror Description and Operation
Control Module References
Passenger
Figure
2:
Passenger
Master Electrical Component List
Outside Mirror Description and Operation
Control Module References
Driver