GM Service Manual Online
For 1990-2009 cars only
Makes
🢒
Cadillac
🢒
2008
🢒
CTS
🢒
Diagnostic Navigation
🢒
Vehicle Diagnostic Information
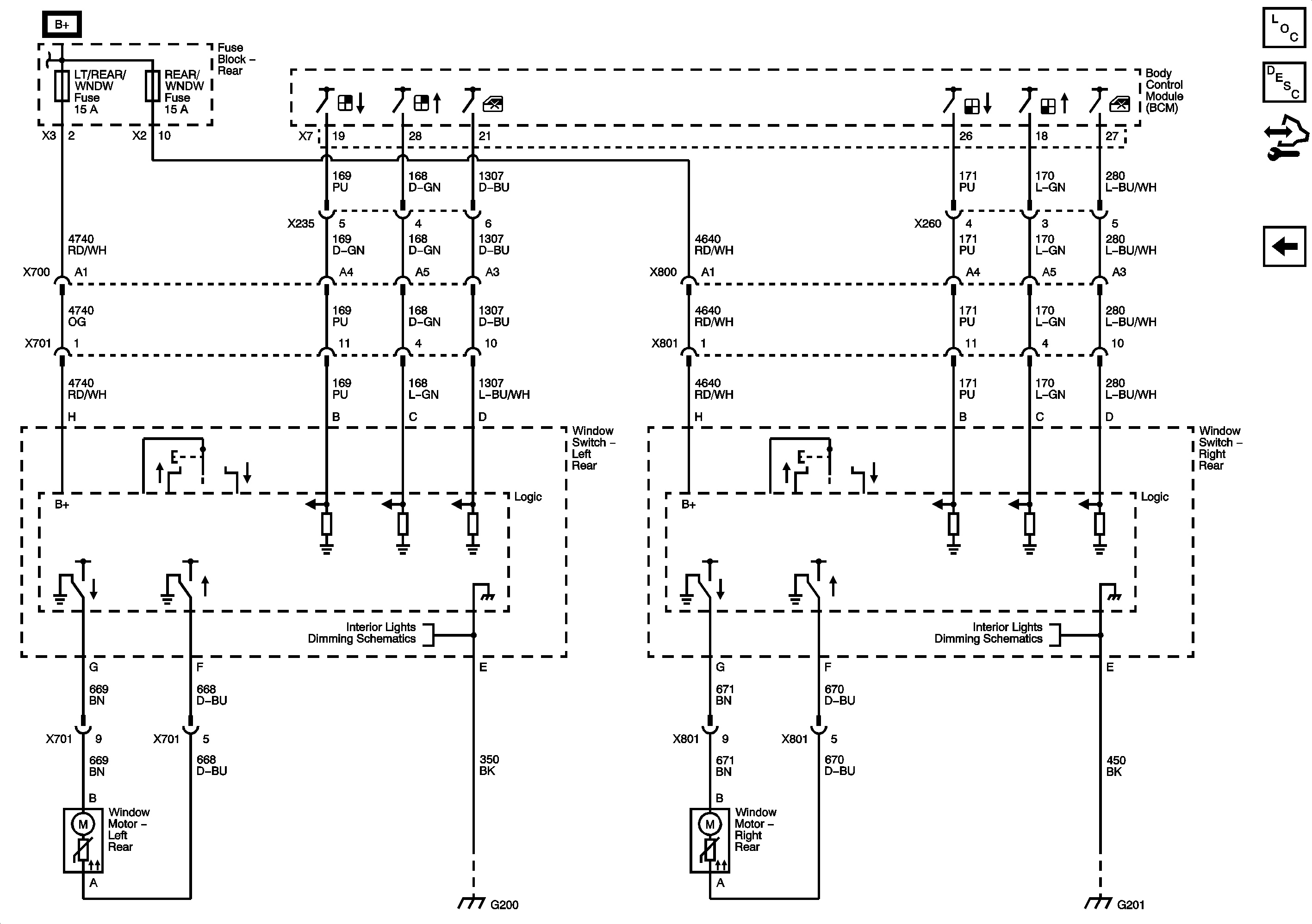
🢒 Moveable Window Schematics
Figure
1:
Front
Master Electrical Component List
Power Windows Description and Operation
Control Module References
Rear
Figure
2:
Rear
Master Electrical Component List
Power Windows Description and Operation
Control Module References
Front